25-держатель, 26-стержень, 27-кулачки, 28,29-конечные выключатели

Рис.4.29. Укладчик проволоки
8-труба, 10-ограничитель, 11-ползун, 12-пружина
Проволока огибает перечисленные ролики таким образом, что ее ветви по обе стороны от ролика 21 образуют небольшой угол. Равнодействующая усилий натяжения проволоки в обеих ветвях проволоки действует на ролик 21 так, что ось 22, преодолевая сопротивление пружины 24 перемещается вверх. Вместе с осью перемещаются прикрепленные к ней держатель 25 и стержень 26 с кулачками 27. Кулачки воздействуют на штоки двух конечных включателей 28, 29, последовательно замыкая или размыкая их контакты при некотором положении оси 22. При замыкании
контактов нижнего выключателя 28 включается красная сигнальная лампочка на панели контроля и управления лебедки и одновременно включается звуковой сигнал автомобиля. При нажатии на шток верхнего выключателя 29 размыкается цепь питания системы зажигания двигателя и последний останавливается. Положение кулачков 27 на стержне 26 и затяжка пружины 24 регулируется так, чтобы световой и звуковой сигналы включались при достижении наибольшего рабочего натяжения проволоки, а включение двигателя и останова лебедки происходили при предельных натяжениях, грозящих обрывом проволоки.
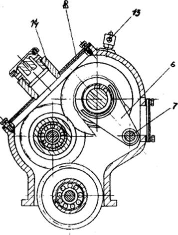
Тормоз колодочного типа (рис.4.30 и 4.31) предназначен для торможения барабана при спусках приборов и инструментов и удержания их на весу на любой глубине.
Тормозные колодки 4 установлены внутри тормозного барабана 2 на опорных пальцах 3. Последние прикреплены к крышке 1 гайками 5. Колодки стянуты между собой пружиной 8. Разжим их осуществляется с помощью кулачкового валика 9, на конце которого крепится тормозной рычаг 6. Зубчатый сектор 11 служит для фиксации тормозного рычага в заданном положении. Фиксация осуществляется с помощью подпружиненного стержня 7, собачка 10 которого входит во впадину между зубьями сектора.
Регулирование зазора между колодками и тормозным барабаном осуществляется при помощи бронзовых эксцентриковых шайб 12, установленных на пальцах 3. Тормозные накладки выполнены из ретинакса.
Механизм ручного управления лебедкой (рис. 4.32). Он состоит из вал-шестерни 1 в стакане 2, прикрепленном к правому боковому листу станины. На конце валика установлена рукоятка вращения 3, которая при включенном положении механизма входит в зацепление с приводным зубчатым колесом барабанного вала. Рабочее и холостое положение валика 1 фиксируется пружинным фиксатором 4.
|
|
| Б-Б |
Рис.4.30. 4.31 Тормоз
1-крышка, 2-тормозной барабан, 3-опорные пальцы, 4-тормозные колодки, 5-гайки, 6-тормозной рычаг,
7-подпружиненный стержень, 8-пружина, 9-кулачковый валик, !0-собачка, 11-зубчатый сектор, 12-эксцентриковые шайбы
| Рис.4.32.Механизм ручного управления лебедкой 1-вал-шерстеня, 2-стакан,3-рукоятка вращения, 4-фиксатор |
|
|
|
|
Рис.4.32.Механизм ручного управления лебедкой
1-вал-шестерня,2-стакан,3-рукоятка вращения,4-фиксатор.
Храповое устройство (рис. 4.33) предназначено для стопорения барабана лебедки при отказах тормоза, а также для предотвращения произвольного вращения барабана на спуск при пользовании механизмом ручного управления.
Храповое колесо 1 выполнено заодно с тормозным барабаном. Собачка 2, установленная на оси 3, во включенном состоянии храпового механизма постоянно прижимается к храповому колесу с помощью пружины 4. Рукоятка 5, установленная на оси 3 на шпонке, имеет фиксатор 6, входящий в отверстие станины. Это позволяет фиксировать ось 3, а с ней и собачку 2 в двух положениях- включенном и выключенном.
Механизм пуска и блокировки
Лебедка установки ЛСВ-6 своей фрикционной муфты не имеет. Для плавного пуска барабана на спуск или подъем, при переключении передач в трансмиссии установки или в коробке отбора мощности используется муфта сцепления автомобиля. Для этого управление муфтой сцепления дублировано с рабочего места оператора лебедки (рис.4.34). Педаль выключения муфты 1, расположенная под ногой оператора, соединена с помощью рычага 2 и тяг 3, 4 с рычагом 5 и вилкой 6 выключения сцепления.
Ось барабана 

Рис.4.33. Храповое устройство
1-храповое колесо, 2-собачка, 3-ось, 4-пружина, 5-рукоятка, 6-фиксатор
Для исключения возможности управления муфтой сцепления с поста оператора при движении транспортера предусмотрен механизм блокировки. Он состоит из винта 7 крепления рычага 1 к гайке 8, приваренной к боковому листу станины лебедки.
На рис.4.34 показан также механизм управления коробкой отбора мощности. Рычаг 9 переключения передач в КОМ установлен у сиденья оператора и соединен с валиком переключения КОМ 10 с помощью тяги 11. Предусмотрена блокировка 12 положения рычага 9 при движении транспортера.

Рис.4.34. Механизм пуска и блокировки лебедки
1-педаль выключения муфты, 2,5,9-рычаги, 3,4-тяги, 6-вилка выключения сцепления, 7-винт, 8-гайка, 10-валик переключения коробки отбора мощности,11-тяга, 12-блокировка
Механизм дублирования
Установка имеет механизм дублирования управления дроссельной заслонкой автомобиля, позволяющий выбирать при спусках и подъемах оптимальную частоту вращения двигателя. Механизм (рис.4.35) состоит из рукоятки 1, установленной на оси 2 и соединенной рычагами 3 и 5 и тягами 4 и 6 с рычагом 8 дроссельной заслонки карбюратора двигателя. Тяга 6 - проволочная и проложена она в оболочке 7.
При повороте рукоятки к себе или от себя увеличивается или уменьшается степень открытия дроссельной заслонки и частота вращения коленчатого вала двигателя.
Крайнее положение "от себя" соответствует минимальной частоте вращения двигателя (оборотам холостого хода). В этом положении фиксатор 9 блокирует рукоятку 1, препятствуя ее вращению "на себя". Этим предотвращается возможность случайного изменения частоты вращения двигателя перевозимым в кузове персоналом. При движении установки рукоятку фиксатора необходимо оттянуть и завести в паз втулки 10.
Рукоятка 1 фиксируется в любом промежуточном положении автоматически по возвращению управляющего воздействия. Это осуществляется с помощью закрепленной на рукоятке собачки 11, которая постоянно удерживается в зацеплении с зубьями сектора 12. Для отвода назад рукоятку 1 необходимо слегка отжать вниз и вывести собачку из зацепления.
Б-Б

Рис.4.35. Механизм дублирования управления дроссельной заслонкой автомобиля
1-рукоятка, 2-ось, 3,5-рычаги, 4,6-тяги, 7-оболочка, 8-рычаг, 9-фиксатор, 10-втулка, 11-собачка, 12-зубчатый сектор
Кузов
Кузов установки (рис.4.36) представляет собой цельнометаллический сварной каркас. Наружная обшивка выполнена из тонколистовой стали, а внутренняя - из полистирола. Пространство между наружной и внутренней обшивками заполнено теплоизолирующим материалом - пенопластом. Доступ в кузов осуществляется через дверь в его заднем торце. Внутри кузова установлены (см.рис.4.19) ящик для инструмента 10, сиденье оператора 12 и отопитель 8. Справа от оператора прикреплен столик 13.
Сиденье оператора проложено вдоль борта. Оно откидное и выполняет роль крышки стеллажа (рис.4.37) для перевозки исследовательских приборов - манометров, термометров и др. В стеллаже находятся гнезда для приборов, предотвращающие их перемещение при транспортировке. Опоры стеллажа имеют пазы для установки в транспортном положении лубрикатора.
|
|
|
|
Рис.4.36. Кузов
|
|
Рис.4.37. Стеллаж
В левом борту кузова выполнена выходная щель для проволоки. Для уменьшения теплоотдачи в холодное время щель закрывается кожухом с резиновыми пластинами. С целью предотвращения трения проволоки с края щели установлено устройство для направления проволоки (рис.4.38).
Отопитель кузова - бензиновый, он обеспечивает нормальные рабочие условия в холодное время года.
Пульт управления установкой
Щиток приборов (рис.4.39) установлен на станине лебедки и находится в зоне удобного визуального контроля оператора, не препятствуя вместе с тем наблюдению за работой лебедки и за устьем скважины через окно кузова. На щите приборов расположены рукоятка управления частотой вращения двигателя 1, выключатель зажигания 2, стартер 3, звукового сигнала транспортера 4, контрольные лампы перегрева воды 5, падения давления масла в системе смазки двигателя 6 и опасного натяжения проволоки 7.
| 402 |
Щиток управления отопителем и панель включения плафонов кузова и фары освещения устья скважины установлены на стенке кузова справа от оператора.

Рис.4.38. Устройство для направления проволоки

Рис.4.39. Пульт управления установкой
1-рукоятка управления частотой вращения двигателя, 2-выключатель зажигания, 3-стартер, 4-звуковой сигнал транспортера, 5-контрольная Лампа перегрева воды, 6-контрольная лампа падения давления масла в системе смазки двигателя, 7-контрольная лампа опасного натяжения проволоки
установка ЛС-4
Установка ЛС-4 предназначена для спуска и подъема на проволоке приборов и инструментов, используемых при гидродинамических исследованиях скважин и других скважинных работах.
Устройство и работа установки
Установка смонтирована на автомобиле-фургоне УАЗ-452 (рис. 4.40) и включает:
- узел привода лебедки;
- лебедку;
- укладчик проволоки;
- механизм дублирования дроссельной заслонкой;
- электрооборудование.
Спуск и подъем инструментов осуществляется на проволоке, которая уложена на барабан лебедки 2. Узел привода 3 лебедки смонтирован на ее станине. Для регулирования скорости движения проволоки служат механизмы дублирования управления муфтой сцепления и дроссельной заслонкой карбюратора автомобиля 4. В кузове установки смонтирован стеллаж 5 для транспортирования исследовательских приборов и инструментов. Там же в кузове находятся ящик для инструментов 6, устройство для направления проволоки 7 и отопитель 8.
Кинематическая схема установки
Кинематическая схема установки приведена на рис.4.41. Отбор мощности на привод лебедки осуществляется от двигателя 17 автомобиля с помощью двухскоростной коробки отбора мощности 19 (КОМ), установленной на раздаточной коробке 27 автомобиля. Вращение от КОМ передается карданным валом на трансмиссионный вал 23 лебедки. В свою очередь трансмиссионный вал 23 соединен с барабанным валом 25 лебедки косозубой зубчатой передачей с колесами 7 и 8.
Вращение на вал VII укладчика проволоки 22 передается от барабанного вала 25 двумя парами прямозубых колес 9, 10 и 11, 12.
|
|
Привод указателя глубины 20 - от мерительного шкива 21 посредством прямозубой пары колес 13 и 14. Ручной привод барабана лебедки производится рукояткой 16 через вал шестерни 15.
8 2
Рис.4.40. Установка для исследования скважин ЛС-4
1-автомобиль-фургон, 2- лебедка,
|
|
3-узел привода лебедки, 4-механизм дублирования управления муфтой сцепления и дроссельной заслонкой карбюратора автомобиля, 5-стеллаж, 6-ящик для инструментов, 7-устройство для направления проволоки, 8-отопитель

Рис.4.41. Кинематическая схема установки
1,2,3,4,5,6,7,8,9,10,11,12,13,14,15-шестерни, 16-рукоятка ручного привода лебедки, 17-двигатель автомобиля, 18-коробка передач автомобиля, 19-коробка отбора мощности, 20-указатель глубины, 21-мерительный шкив, 22-укладчик проволоки, 23-трансмиссионный вал, 24-станина лебедки, 25-барабанный вал, 26-карданный вал на задний мост автомобиля, 27-раздаточная коробка автомобиля, 28-карданный вал на передний мост автомобиля
I-вал двигателя, II-вал коробки передач, III-выводной вал коробки отбора мощности, IV-ведущий вал, V-промежуточный вал, VI-ведомый вал, VII-вал укладчика проволоки, VIII-ведущий вал мерительного шкива, IX-ведомый вал указателя глубины
Устройство и работа основных узлов установки
Привод лебедки
Привод лебедки (рис.4.42) осуществляется от двигателя автомобиля через раздаточную коробку 1 и коробку отбора мощности 2. От коробки отбора мощности (КОМ) вращение карданным валом 3 передается трансмиссионному валу 4 лебедки. Для удобства переключения скоростей КОМ рычаг 5 укреплен в рабочей зоне оператора слева от лебедки. Для
предотвращения возможности включения КОМ при движении автомобиля рычаг фиксируется с помощью винта 6. Сверху КОМ и карданный вал закрыты кожухом 7.
Коробка отбора мощности (рис. 4.43) -двухскоростная. По конструкции она похожа на КОМ установки АзИНМАШ-8В.
|
|
| Рис.4.42. Привод лебедки 1-раздаточная коробка двигателя автомобиля, 2-коробка отбора мощности, 3-карданный вал, 4-трансмиссионный вал лебедки, 5-рычаг, 6-винт, 7-кожух, 8-лебедка, 9-приемный штуцер |
При нейтральном положении рычага включения передач раздаточной коробки ведущая шестерня 1 зацепляется с шестерней низшей передачи раздаточной коробки автомобиля и блоком шестерен 2 промежуточного вала 3 КОМ. Включение передач КОМ осуществляется передвижением скользящего блока шестерен 4 выводного вала 5 с помощью вилки 6, установленной на валике переключения 7. Каждые из трех положений валика фиксируются. Регулировка положения блока шестерен 4 производится через боковой люк в корпусе, закрытый крышкой 8.
На наружные концы выводного вала 5 с одной стороны крепится фланец 9, служащий для соединения с карданным валом, другой конец соосно через шпонку 10 соединен с валом гидронасоса. Смазка шестерен и подшипников КОМ осуществляется пластинчатым насосом 11. При вращении насоса масло, засасываемое через приемный штуцер 9 (рис.4.42) из картера раздаточной коробки, по трубке 12 (рис.4.43) поступает в штуцер, через который разбрызгивается на шестерни.
|
|
Рис.4.43. Коробка отбора мощности
|
|
1-ведущая шестерня, 2-блок шестерен, 3-промежуточный вал КОМ, 4-скользящий блок шестерен, 5-выводной вал, 6-вилка, 7-валик переключения, 8-крышка, 9-фланец, 10-шпонка, 11-пластинчатый насос, 12-трубка, 13-контрольный винт, 14-заливная горловина
В процессе эксплуатации проверяют работу насоса. Для этого при включенной КОМ необходимо ослабить контрольный винт 13. Просачивание масла из тройника характеризует работоспособность насоса.
Долив масла в картер раздаточной коробки производится через заливную горловину 14 на крышке 8.
Трансмиссионный вал (рис.4.44) служит для передачи вращения от выводного вала КОМ на барабан лебедки.
Вал 1 опирается на шариковые подшипники в стаканах 2 и 3, прикрепленных к боковинам станины. На наружном конце вала установлен фланец 4, служащий для соединения с карданным валом. На внутреннем конце вала находится шестерня 5, входящая в зацепление с зубчатым венцом 6 барабана лебедки. Лебедка, барабанный вал лебедки, укладчик проволоки, тормоз, механизм ручного управления, храповое устройство, механизм дублирования управления имеют такое же устройство, как у исследовательской установки ЛСВ-6.

Рис.4.44. Трансмиссионный вал
1-вал, 2,3-стаканы, 4-фланец, 5-шестерня, 6-зубчатый венец барабана лебедки, 7-масленки
Панель управления и контроля
Панель (рис.4.45) установлена на станине лебедки и находится в зоне удобного индивидуального контроля оператора, не препятствуя вместе с тем наблюдению за работой лебедки и за устьем скважины через окно кузова. На панели справа расположены паз для рукоятки управления частотой вращения двигателя 1, тумблер включения зажигания 2, кнопки пуска двигателя 3 и звукового сигнала автомобиля 4. Там же расположены контрольные лампы перегрева воды 5,
падения давления масла в системе смазки двигателя 6 и опасного натяжения рабочей проволоки 7. Слева на панели прикреплена табличка 8, на которой показаны рабочие положения всех рукояток управления установкой.
Панель включения фары освещения устья скважины, как элемент редкого пользования, установлена на боковине кузова справа от оператора.
6

Рис.4.45. Панель управления
1-рукоятка управления частотой вращения двигателя, 2-выключатель зажигания, 3-стартер, 4-звуковой сигнал, 5-контрольная лампа перегрева воды, 6-контролъная лампа падения давления масла в системе смазки двигателя, 7-контрольная лампа опасного натяжения проволоки, 8-пульт управления лебедкой
установка ЛС-6
Установка ЛС-6 (рис.4.46) смонтирована на шасси 1 автомобиля ГАЗ-66 и предназначена для работы в умеренном и холодном макроклиматических районах.
Все оборудование размещено в специальном теплоизолированном и отапливаемом кузове 2 с входной дверью в задней стенке.

Рис.4.46. Установка ЛС-6
1-шасси автомобиля ГАЗ-66, 2-кузов фургонного типа с входной дверью, 3-лебедка с панелью контроля и управления, 4-узел привода лебедки
В боковой стенке кузова (слева по ходу) предусмотрен люк с направляющим устройством для выхода рабочей проволоки.
В кузове смонтированы стеллажи для транспортирования исследовательских приборов и инструментов в горизонтальном и вертикальном положениях, слесарный верстак с тисками, шкаф для рабочей одежды и отопитель. Сиденье для оператора и перевозимого в кузове персонала устроено на крышке стеллажа. Рядом с местом оператора к стенке кузова прикреплен столик для ведения записи.
Установка снабжена электромеханическим индикатором натяжения проволоки.
Отбор мощности на привод лебедки 3 осуществляется от двигателя автомобиля с помощью реверсивной коробки отбора мощности, установленной на коробке передач автомобиля.
Лебедка оснащена механизмом ручного управления и храповым остановом. Центральный пост управления включает в себя механизмы управления лебедкой и двигателем автомобиля.
установка 1ЛС-6
Установка 1ЛС-6 предназначена для спуска и подъема на проволоке приборов и инструментов, используемых при гидродинамических исследованиях скважин и других скважинных работах в умеренных и холодных районах.
Установка смонтированная на шасси автомобиля ГАЗ-66, имеет обозначение 1ЛС-6, а на шасси автомобиля ЗИЛ-131-обозначение 1ЛС-6-01.
Установка (рис.4.47) представляет собой металлический утепленный кузов-фургон, который оснащен следующими основными узлами и механизмами:
- коробкой отбора мощности;
- коробкой передач;
- лебедкой с тормозом;
- укладчиком проволоки;
- системой отопления, освещения и вентиляции;
- вспомогательным оборудованием.

Рис.4.47. Общий вид установки 1ЛС-6.
1-автошасси, 2-прожектор, 3-кузов, 4-плафон освещения, 5-окно, 6-люк загрузки лубрикаторов, 7-люк для выхода проволоки, 8-люк отсека отопителя, 9,11-ручки, 10-винт, 12-кронштейн
Устройство и работа установки
Лебедкой 1 (рис.4.48) производится спуск и подъем инструментов на проволоке. Она приводится в действие от двигателя автомобиля 1 (рис.4.47) через коробку отбора мощности (КОМ), установленную на коробке передач (КП) автомобиля.
Внутри кузова находится шкаф для одежды, сидения 3 (рис.4.48) для персонала и оператора. За сидением расположены ячейки 4 (рис.4.48) для укладки манометров. На стеллаже 6 для лубрикаторов закреплен футляр под стержневые приборы.
2

Рис.4.48. Внутренний вид установки (вид сверху)
1 - лебедка, 2 - направляющие для сидения оператора, 3 - сидение оператора, 4 - ячейки для укладки манометров
С левой стороны кузова находится слесарный верстак 1 (рис.4.49), а на полу вдоль левой стенки смонтирован воздуховод 8. На левой стенке закреплены направляющие ролики 4 для проволоки.
На задней стенке крепится съемная лестница.
Установка укомплектована огнетушителем.
Управление двигателем автомобиля в процессе работы агрегата производится из кузова, для чего туда выведен рычаг управления КОМ, а также электрические устройства и механизмы, дублирующие органы управления системами зажигания, пуска двигателя и сцепления автомобиля.

Рис.4.49. Внутренний вид установки (вид на левую стенку)
1 -верстак, 2 -тиски. 3-ответвление воздуховода для обдува смотрового
окна, 4-направляющие ролики, 5-винт, 6-гайка, 7-задвижка, 8-
воздуховод,
9-молоток для разбивания оконного стекла
Кинематическая схема установки
Вращение от КОМ 22 (рис. 4.50) передается карданным валом II через цепную передачу со звездочками 1, 2 на первичный вал двухскоростной коробки передач 23 .
Ведомый вал IV КП установки соединен с валом барабана V лебедки шестернями 7,8 косозубой передачи.
Вращение на вал механизма укладки проволоки 19 передается от вала барабана V двумя парами прямозубых колес 9 и 10, 11 и 12.
Привод указателя глубины 18 осуществляется от мерительного шкива 17 через пару шестерен 13 и 14.

Рис.4.50. Кинематическая схема установки.
1,2-звездочки, 3,4,5,6,7,8,9,10,11,12,13,14,15-шестерни, 16-станина лебедки, 17- мерительный шкив, 18-указатель глубины, 19-укладчик проволоки, 20-коробка передач автомобиля, 21-муфта сцепления автомобиля, 22-коробка отбора мощности автомобиля, 23-коробка передач установки, 24-барабанный вал,
I- вал коробки передач автомобиля, II-карданный вал, III-ведущий вал коробки передач установки, IV-ведомый вал КП установки, V-вал барабана, VI- промежуточный вал, VII-вал укладчика проволоки
Устройство и работа основных узлов установки
Кузов
Корпус кузова каркасного типа с наружной и внутренней обшивками, пространство между которыми заполнено теплоизоляционным материалом.
Пол кузова выполнен из деревянных щитов, под которыми имеется слой теплоизоляции.
В кузове две двери: в задней и правой стенках. Двери снабжены замками со штанговыми запорами, приводимыми в действие ручками. На штанговых запорах имеются пружинные защелки, обеспечивающие предварительное зацепление запоров с дверным проемом при закрывании двери. В закрытом положении замок фиксируется валиковым фиксатором .
Дверь в задней стенке может фиксироваться в открытом положении с помощью специального устройства, расположенного снаружи на задней стенке. Для фиксации двери в открытом положении необходимо извлечь из клипсы держатель и завести его в прорезь кронштейна.
В кузове имеется четыре глухих окна (см.рис. 4.47, 4.49) с двойным остеклением. Окно на левой стенке (смотровое) обдувается теплым воздухом, поступающим из ответвления воздуховода. Размеры окон позволяют использовать их в качестве аварийных выходов. На левой стенке кузова закреплен молоток 9 для разбивания стекла в аварийной ситуации.
На передней и задней стенках кузова расположены вентиляционные люки. Открывание и закрывание люков производится вращением ручки.
На левой стенке кузова находится люк 6 (рис.4.47) для загрузки лубрикаторов, люк 7 для выхода проволоки и люк 8 для доступа к отопителю. Крышки этих люков имеют одинаковые запирающие устройства, приводимые в действие специальным ключом.
Кузов оборудован системой освещения. Оно включается со щита управления, находящегося на передней стенке кузова.
Кузов крепится к раме автомобиля болтами через резиновые амортизационные прокладки.
|
|
Рис.4.51. Привод лебедки.
1-карданный вал, 2-ведущая звездочка, 3-рычаг управления
коробкой отбора мощности,
4-ведомая звездочка, 5-тяга
Привод лебедки
Привод лебедки включает карданный вал 1 (рис 4. 51),который соединяет вторичный вал КОМ с ведущей звездочкой 2цепной передачи. Ведомая звездочка 4 цепной передачи установлена на консольном конце ведущего вала КП установки. Рычаг 3 управления КОМ выведен в кузов установки и размещен так, что переключение передач в КОМ осуществляется оператором со своего поста. Ведущая звездочка цепной передачи закреплена на валу 1 (рис. 4.52),
| 417 |
который смонтирован в коробке 3 на двух подшипниках. Коробка прикреплена снизу к кузову, в ней закреплен рычаг 5 со звездочкой 4, предназначенной для регулирования натяжения цепи. Механизм перемещения рычага выведен в кузов установки, что позволяет регулировать натяжение цепи из кузова. Механизм состоит из тяги 12, пружины 11, гаек 10, колпака 9 и гайки 8.
Для регулирования натяжения цепи необходимо отвернуть гайку 8, отвинтить и снять колпак 9, с помощью гаек 10 отрегулировать сжатие пружины 11 до нужной величины, навинтить на тягу 12 колпак 9 до соприкосновения с прокладкой 14, плотно прилегающей к траверсе 13, после чего законтрить колпак 9 гайкой 8.
Для доступа к цепной передаче в коробке предусмотрена съемная крышка.
КОМ автомобиля ГАЗ-66-15 двухскоростная, обеспечивающая вращение барабана лебедки как на подъем инструментов и приборов, так и на их принудительный спуск. Устроена коробка так же, как и коробка установки ЛСВ-6 (рис.4.22).

Рис.4.52. Цепная передача
1-вал, 2-ведущая звездочка, 3-коробка, 4-звездочка, 5-рычаг, 6-ведомая звездочка, 7-крышка, 8,10-гайки, 9-колпак, 11-пружина, 12-тяга, 13 -траверса, 14 - прокладка
Коробка передач
Коробка передач установки - двухскоростная, двухвальная. Состоит из ведущего вала-шестерни 5 (рис.4.53), шестерни 6 и скользящего блока шестерен 8 на ведомом валу 7. Корпус 4 коробки передач - сварной, выполнен заодно с правой боковой стойкой станины лебедки, сверху закрыт крышкой 3. На крышке закреплен щуп 2 для замера уровня масла в коробке передач.
Управление коробкой передач осуществляется с помощью вала переключения 9 и установленной в нем вилки 10, перемещающей блок шестерен 8. Вал 9 фиксируется в трех положениях - нейтральном и двух крайних - с помощью подпружиненного шарика П. Рычаг 1 управления коробкой передач выведен к посту оператора.
Лебедка установки
Лебедка установки 1ЛС-6 (ее барабан, укладчик проволоки, тормоз, ручной привод) по своему конструктивному устройству и работе аналогичны соответствующим механизмам установки ЛСВ-6 (см.рис.4.24; 4.25; 4.26; 4.27: 4.28; 4.29; 4.30; 4.31; 4.32; 4.33).

Рис.4.53. Коробка передач
1-рычаг, 2-щуп, 3-крышка, 4-корпус, 5-вал-шестерня, 6-шестерня, 7,9-валы, 8-блок шестерен, 10-вилка, 11-шарик
Система отопления
Система отопления предназначена для поддержания в кузове установки температуры воздуха в заданных пределах. Отопление кузова осуществляется бензиновым отопителем как при движении машины, так и на стоянке.
Управление отопителем производится из кабины автомобиля с дублированием из кузова после первоначального запуска отопителя из кабины.
| 18 |
Рис.4.54. Система отопления
1-труба, 2,9,16 - хомуты, 3 - крышка люка, 4-отопитель, 5-регулятор подачи бензина, 6-корпус, 7-воздухозаборник, 8-бензоотстойник, 10-топливопровод, 11 - дренажная трубка, 12-выхлопная труба, 13-топливный бачок, 14-бензонасос, 15-ложемент, 17-дренажная трубка, 18-штуцер
Отопитель 4 (рис.4.54) расположен в нише под кузовом сзади с левой стороны. Для доступа к отопительной установке на левой стенке кузова имеется люк, который закрывается крышкой 3. Отопитель представляет собой установку, смонтированную в корпусе 6. Здесь же размещены
электромагнитный бензонасос 14, бензоотстойник 8 и регулятор подачи бензина 5. Отопительная установка закреплена в двух ложементах 15 хомутами 16. Входной и выходной патрубки отопительной установки соединены хомутами 9 и 2 с воздухозаборником 7 и трубой 1.
Топливо к отопительной установке поступает из топливного бачка 13 по топливопроводу 10. На вводе топливопровода в корпус отопителя находится герметичный штуцерный переход 18.
Воздух для горения топлива в отопительной установке поступает в корпус через жалюзи, имеющиеся на крышке люка отопителя. Выхлопные газы отводятся через трубу 12. Дренажные трубки 11 и 17 от камеры сгорания и регулятора подачи бензина выведены через днище корпуса наружу.
Отопитель работает по схеме рециркуляции; воздух засасывается из кузова через воздухозаборник, нагревается в отопительной установке и подается в кузов через трубу 1 и воздуховод 8 (рис.4.49).
Конструкция воздуховода позволяет направлять часть теплого воздуха к смотровому окну. Для регулирования потока теплого воздуха, направляемого в кузов или к окну, в воздуховоде предусмотрена задвижка 7, которая фиксируется в определенном положении винтом 5 с гайкой 6.
Отопитель оборудован системой пожаросигнализации. При достижении в корпусе отопителя температуры 70°С прерывисто звучит звуковой сигнал и мигают сигнальные лампы на щитах управления в кабине и в кузове.
Описание устройства и работы отопительной установки изложено в "Инструкции по эксплуатации отопительных установок типа 015 и 030".
Механизм дублирования органов управления автомобиля
Для плавного пуска барабана лебедки при переключении передач и для регулирования из кузова частоты вращения вала двигателя автомобиля, к рабочему месту оператора выведена педаль 4 (рис.4.55) выключения муфты сцепления автомобиля и рукоятка 6 управления дроссельной заслонкой карбюратора.
Педаль 4 соединена с рычагом 13 выключения муфты сцепления автомобиля системой рычагов 9, 10 и тяг 2, 3.
Для предотвращения возможности управления муфтой сцепления с поста оператора при движении автомобиля педаль 4 фиксируется с помощью пальца 16.
Механизм дублирования управления дроссельной заслонкой автомобиля состоит из рукоятки 6, соединенной рычагами 11, 12 и тягами 1, 5 с рычажком дроссельной заслонки карбюратора автомобиля. Тяга 1 - проволочная, заключена в оболочку из проволочной спирали.

Рис.4.55. Механизмы дублирования органов управления автомобилем
1,2,3-тяги, 4-педаль, 5-тяга, 6-рукоятка, 7-сектор, 8-собачка, 9,10,11,12-рьтчаги, 13-рычаг выключения муфты сцепления автомобиля, 14-штифт, 15-фиксатор, 16-палец
При повороте рукоятки 6 к себе или от себя увеличивается или уменьшается степень открытия дроссельной заслонки и частота вращения коленчатого вала двигателя.
Крайнее положение "от себя" соответствует минимальной частоте вращения двигателя (оборотам холостого хода).
В этом положении фиксатор 15 блокирует рукоятку 6, препятствуя ее повороту "на себя". Этим предотвращается возможность случайного изменения частоты вращения двигателя при движении автомобиля.
Фиксатор закреплен слева на боковом листе станины лебедки. Для разблокирования рукоятки шток фиксатора необходимо вытянуть из гнезда до выхода штифта 14 из прорезей корпуса и повернуть на 90°.
Рукоятка 6 фиксируется в любом промежуточном положении автоматически, по завершении управляющего воздействия. Это осуществляется с помощью закрепленной на рукоятке собачки 8, которая постоянно удерживается в зацеплении с зубьями сектора 7. Для поворота рукоятку необходимо слегка отжать вниз и вывести собачку из зацепления.
Вспомогательное оборудование
К вспомогательному оборудованию относятся:
- направляющие ролики;
- стеллаж;
- футляр для стержневых приборов;
- сидение оператора;
- сидение для персонала;
- шкаф;
- верстак;
- лестница;
- прожектор;
- искрогаситель.
|
|
Направляющие ролики (рис.4.56) предназначены для направления проволоки в люк при выходе (входе) ее из кузова. Верхний ролик 3 смонтирован в неподвижном верхнем корпусе, а нижний корпус выполнен откидным для обеспечения ввода в кузов концевика, закрепленного на проволоке.
|
|
| Рис.4.56. Направляющие ролики 1-верхний ролик, 2-нижний корпус, 3-ролики, 4-фиксатор, 5-сливная пробка, 6 - сальник |
УСТАНОВКИ ДЛЯ ПРОВЕДЕНИЯ СКВАЖИННЫХ РАБОТ
установка ЛСГ1-131
Установка ЛСГ1-131 предназначена для спуска и подъема на проволоке инструментов, используемых при посадке в скважины и извлечении из них скважинных клапанов, управления ими и проведения других аналогичных работ. Она используется в умеренной и холодной климатических зонах. Установка (рис.4.57) смонтирована на шасси автомобиля ЗИЛ-131А (6) и включает:
- узел привода гидронасоса;
- лебедку;
- гидрооборудование;
- вспомогательное оборудование;
- электрообрудование.

Рис.4.57. Общий вид установки ЛСГ1-131
1-узел привода гидронасоса, 2-лебедка, 3-пост управления, 4-масляный бак, 5-гидрооборудование, 6-шасси автомобиля ЗИЛ 131 А, 7-кузов
Устройство и работа установки
Навесное оборудование установки монтируется на базе автомобиля ЗИЛ-131А (рис.4.57) и располагается в кузове 7. Спуск и подъем клапанов и инструментов производится лебедкой 2. На барабан лебедки уложена проволока, на которой спускают и поднимают инструмент. Привод лебедки -гидравлический с дроссельным регулированием, что позволяет плавно изменять движение барабана на противоположное.
Рабочая жидкость для гидросистемы хранится в масляном баке 4. Гидрооборудование 5 расположено в лебедочном отделе кузова 7, а пост управления 3 расположен в операторском отделе кузова.
Кинематическая схема
Кинематическая схема привода гидронасоса и привода лебедки от гидромоторов показана на рис.4.58. Отбор мощности на привод гидронасоса осуществляется от двигателя 18 автомобиля ЗИЛ-131А коробкой отбора мощности 20, установленной на раздаточной коробке автомобиля.
Вращение от коробки отбора мощности к гидронасосу передается карданным валом.
Гидронасос создает энергию давления рабочей жидкости, которая поступая в гидромоторы 21, вновь преобразуется в механическую энергию.

Рис.4.58. Кинематическая схема установки ЛСГ1-131
1,2,3,4,5,6,7,8,9,14,15,16,17-шестерни, 10,11,12,13-звездочки цепных передач, 18-двигатель автомобиля, 19-коробка перемены передач автомобиля, 20-коробка отбора мощности, 21-гидромотор, 22-барабан, 23-лебедка, 24-коробка перемены передач, 25-насос НШ100-3, 26-раздаточная коробка автомобиля, 27-укладчик проволоки, 28-мерительный шкив I-ведущий вал раздаточной коробки, II- выводной вал раздаточной коробки, III- ведущий вал КОМ, IV-выводной вал КОМ, V-барабанный вал, VI-промежуточный вал, VII-вал укладчика проволоки
Наличие гидравлической связи между двигателем автомобиля 18 и лебедкой 23 обеспечивает возможность регулирования в широком диапазоне скоростей исполнительного органа.
Гидромоторы 21 соединены с первичным валом трехскоростной коробки передач. Наличие трех скоростей обеспечивается соответствующим включением трех пар (6 и 9, 7 и 4, 5 и 8) шестерен между двумя валами коробки.
Привод барабана осуществляется от выходного вала IV коробки через двухрядную цепную передачу 10-11. С противоположного конца барабанного вала V осуществляется привод укладчика проволоки 27. Он состоит из цепной (12-13) и шестеренной (14-15) передач. Шестерня 15 установлена на приводном валу укладчика. При этом на валу выполнена двухсторонняя винтовая нарезка, обеспечивающая возвратно-поступательное перемещение корпуса укладчика вдоль барабана. Передаточное отношение от барабана к винту и шаг винта выбраны таким образом, что за один оборот барабана корпус укладчика перемещается на 2,5 мм (диаметр рабочей проволоки).














