Устройство и принцип работы агрегата
Агрегат А2-32 (рис. 1.51) смонтирован на шасси автомобиля Урал-4320-1912-30 повышенной проходимости и состоит из следующих узлов и систем:
- вышки с талевой системой;
- однобарабанной лебедки;
- пневматической системы;
- гидравлической системы;
- отопительно-вентиляционной установки.

/3 14 15 16
Рис.1.51. Агрегат А2-32
1-автошасси, 2-вышка, 3-передняя стойка, 4-отопительно-вентиляционная установка, 5-кабина управления, 6-электрооборудование, 7-пневмосис-тема, 8-гидросистема, 9-тяга задней стойки, 10-задняя стойка, 11-передняя опора, 12-дублированное управление подачей топлива, 13-установка глушителя и искрогасителя, 14-платформа, 15-подвеска коробки передач, 16-лебедка.
По желанию заказчика агрегат А2-32 может комплектоваться механизмами для свинчивания и развинчивания насосно-компрессорных труб и насосных штанг.
Принцип работы ремонтного агрегата такой же, как и у ранее рассмотренных агрегатов.
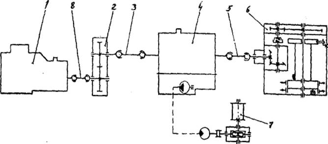
Кинематическая схема
Привод лебедки и других механизмов агрегата осуществляется от тягового двигателя автомобиля 1 (рис. 1.52) через коробку дополнительного отбора мощности, установленную на раздаточной коробке шасси. Включение и выключение коробки дополнительного отбора мощности осуществляется из кабины водителя.
От фланца коробки дополнительного отбора мощности через карданный вал 8 вращение передается на гитару 2, представляющую собой цилиндрический редуктор, откуда через карданный вал 3 на коробку передач 4.
Коробка передач ЯМЗ-236 имеет пять передач прямого хода и одну заднего хода. Рычажное управление коробкой передач выведено в кабину машиниста.
В нижней части коробки передач в окнах дополнительного отбора мощности установлены два насоса НШ-50У с коробками отбора мощности, управляемые пневмокамерами.

Рис.1.52. Кинематическая схема
1-двигатель автомобиля, 2-гитара, 3,5,8-кардан, 4-коробка передач, 6-лебедка, 7-механизм подъема вышки.
Выводной вал коробки передач карданным валом 5 соединен с коническим редуктором, расположенным внутри станины лебедки 6.
Выводной вал конического редуктора через зубчатую муфту, приводной вал, зубчатую передачу передает вращение на барабанный вал лебедки.
Включение и отключение барабана лебедки осуществляется посредством пневматической однодисковой фрикционной муфты, расположенной внутри тормозного шкива.
Гидравлическая система
Гидравлическая система агрегата предназначена для привода вспомогательных механизмов: гидравлических домкратов подъема вышки; гидромотора привода лебедки для выдвижения верхней секции вышки; гидромотора привода автомата для свинчивания и развинчивания насосно-компрессорных труб; подъема и опускания ног задней стойки.
При нейтральном положении всех золотников масло из масляного бака 6 (рис. 1.53) при работающих насосах 11 через фильтр 9 поступает последовательно во все гидрораспределители 7а, 76, 7в, 8 и возвращается в масляный бак. При включении любого золотника масло направляется в соответствующий исполнительный механизм, приводя его в действие.
Для работы агрегата А2-32 с гидравлическим ключом АПР-2, в задней части автомобиля (слева по ходу движения) для подключения ключа предусмотрены штуцеры. В транспортном положении они заглушены. Для подъема вышки из транспортного положения в рабочее необходимо включить правый (по схеме) электромагнит гидрораспределителя 7в. В этом случае масло, свободно проходя через находящееся в нейтральном положении гидрораспределители 7а и 76,через гидрораспределитель 7в направляется в гидравлический тормоз 2а, откуда через успокоители 17 поступает в нижние полости гидроцилиндров (рис. 1.54) подъема вышки.

Рис.1.53. Гидравлическая схема установки А2-32
1,17-успокоители, 2-гидротормоз, 3,4-предохранительные клапаны, 5 - муфтовый кран, 6 - масляный бак, 7,8 - гидрораспределители, 9-фильтр, 10-сапун, 11-насос, 12-гидромотор, 13-гидромотор гидроключа, 14-гидроцилиндр подъёма ног, 15-гидроцилиндр, 16-манометр
Гидроцилиндр, раздвигаясь, поднимает вышку. Масло, вытесняется из верхних полостей гидроцилиндров, через гидравлический тормоз 26 (рис. 1.53), сливное отверстие распределителя 7в и нейтрально установленный распределитель 8 поступает в масляный бак 6.
Предохранительный клапан 4а настраивается на давление больше нормативного на 0,5...1 МПа, необходимое для подъема вышки.
Благодаря применению гидротормоза 2а, вышка в начале подъема имеет наибольшую скорость, зависящую от подачи насосов, а в конце подъема - минимально допустимую, обеспечивающую безопасную посадку вышки на заднюю опору.
Для опускания вышки из рабочего положения в транспортное необходимо включить левый (по схеме) электромагнит распределителя 7в. В этом случае масло из напорной линии подается в нижнюю полость гидроцилиндров.
Быстрый разворот вышки в начале и плавная посадка ее на переднюю стойку, аналогично подъему, обеспечиваются работой гидротормоза 26 и предохранительного клапана 46, настроенного на давление, выше нормативного на 0,5...! МПа, необходимое для опускания вышки.
Для предохранения вышки от падения в процессе ее подъема или опускания в случае обрыва линии, на гидроцилиндры установлены успокоители 1 и 17.
Управление выдвижением или спуском верхней секции вышки осуществляется реверсивным гидрораспределителем 7а, при переключении электромагнитов которого изменяется направление потоков масла в подводящих к гидротормозу линиях. Изменение направления потоков жидкости корректирует направление вращения выходного вала гидромотора и, следовательно, направление вращения барабана лебедки выдвижения верхней секции вышки.
Аналогично с помощью гидрораспределителя 8 с ручным управлением производится реверсирование вращения водила автомата для свинчивания и развинчивания насосно-компрессорных труб.
Управление подъемом ног задней опоры вышки производится реверсивным гидрораспределителем 76. При включении левого (по схеме) электромагнита масло из напорной магистрали поступает в верхнюю полость гидроцилиндров и таким образом осуществляется опускание ног. При включении правого (по схеме) электромагнита происходит подъем ног задней опоры вышки.
|
|
Предохранительные клапаны 4а, 46, гидрораспределители 7а, 76, 7в смонтированы на гидропанели, установленной в кабине управления.
| 12. |
Рис. 1.54. Гидроцилиндр
1,11,13,16,19-кольца, 2-опора домкрата, 3,7,8,15,17-манжеты, 4-ци-линдр, 5-наружный цилиндр, 6-шток, 9-успокоитель, 10-головка шарнира, 12-подшипник, 14-втулка, 18-крышка
Пневматическая система
Пневматическая система агрегата предназначена для привода основных оперативных элементов управления:
- фрикционной муфты барабана лебедки;
- коробок отбора мощности привода гидронасосов;
- привода тормозной системы лебедки при управлении с
помощью ног;
- срабатывания ограничителя подъема крюкоблока;
- управления сцеплением двигателя;
- стеклоочистителя окна машиниста;
- пневмоцилиндра останова двигателя.
Пневматическая система в сочетании с электрооборудованием позволяет в значительной степени облегчить, упростить и обезопасить управление агрегата в целом.
Воздух в пневматическую систему агрегата подается от компрессора автомобиля через его влагомаслоотделитель и три воздушных баллона.
Все элементы пневмосистемы, за исключением крана управления 9 (рис. 1.55) фрикционной муфтой лебедки, соединены непосредственно в магистральную линию (кран управления фрикционной муфтой лебедки соединен через воздухораспределитель 8). Схема пневмосистемы изображена на рис. 1.55 в исходном положении, подготовленном к началу производства спуско-подъемных операций. Электромагнит вентиля 4 обесточен, его исполнительный механизм отключен. Электромагнит вентиля 7 ограничителя подъема крюкоблока находится под напряжением, вентиль 7 подает воздух в полость управления воздухораспределителя 8, который из магистрали пропускает воздух в кран управления 9 фрикционной муфтой лебедки.
Воздухопровод от перепускного клапана 13 через воздухораспределитель 8 соединен с атмосферой. В этом случае краном управления 9 можно подавать воздух во фрикционную муфту лебедки, т.е. включать или отключать ее. Тормозным краном 10 через перепускной клапан 13 можно производить управление тормозом барабана лебедки. При "срабатывании" ограничителя подъема крюкоблока электромагнит вентиля 7 обесточивается.
Полость управления воздухораспределителя через вентиль 7 соединяется с атмосферой. Золотник воздухораспределителя 8 перемещается в верхнее (по схеме) положение, соединяя тем самым кран управления 9 с атмосферой (отключается фрикционная муфта лебедки), а магистральный воздухопровод - через перепускной клапан 13 с тормозной камерой.
Кран 9 управления фрикционной муфтой лебедки выполнен рычажным с эксцентриковым кулачком (тормозной кран автомобиля КрАЗ-255 или ЗИЛ-130 с измененным приводом).
Вентиль управления остановом двигателя 16 установлен под капотом автомобиля и подсоединен к крану отбора воздуха. Электромагнит вентиля обесточен, его исполнительный механизм отключен. При нажатии кнопки "откл.двиг" на пульте управления в кабине машиниста срабатывает электромагнит вентиля 16 и воздух через клапан-перепускник 15 поступает в пневмоцилиндр останова двигателя автомобиля.
Лебедка
Лебедка (рис. 1.56) состоит из барабана на валу (рис. 1.57) и приводного вала (рис. 1.58). Для обеспечения безопасности работы агрегата она снабжена тормозной системой (рис. 1.59, 1.60). Храповое устройство лебедки показано на рис. 1.61.

Рис. 1.55. Пневматическая схема установки А2-32
1-стеклоочиститель, 2-редукционный кран, 3-манометр, 4-вентиль управления включением гидронасосов, 5-тормозная камера, 6-тормозной кран управления сцеплением двигателя, 7-вентиль управления противозатаски-вателем, 8-воздухо-распределитель, 9-кран управления фрикционной муфтой лебедки, 10-тормозной кран управления тормозом лебедки, 11-клапан-разрядник, 12-тормозной цилиндр, 13,15-клапан-перепускник, 14-пневмоци-линдры включения коробок отбора мощности гидронасосов, 16-вентиль управления остановом двигателя


Рис.1.56. Лебедка
1-крышка подшипника, 2-конический редуктор, 3-вал барабана, 4-тормозная система, 5-станина лебедки, 6-приводной вал, 7-крепление мертвого конца, 8-храповое устройство

Рис. 1.57. Вал барабана в сборе
1-зубчатое колесо, 2,17,18,28,37 - крышки, 3,36 - подшипники, 4-барабан, 5- крышка упорная, 6,38 - полукольца, 7,10-ведущие диски, 8-ведомый диск, 9-вкладыш, 11 - кольцо наружное, 12-диск наружный, 13-тормозная шайба, 14-пружина, 15-кольцо внутреннее, 6-колесо зубчатой муфты, 19-втулка, 20,24-сальники, 21,25-манжеты, 22-кольцо, 23-вертлюжок, 26-стакан, 27-штуцер, 29-воздуховод, 30-диафрагма, 31-ограждение, 32,33,34 -балансир колеса, 35-вал барабана, 39-дистанционное кольцо.

Рис.1. 58. Приводной вал
1-шестерня, 2,10-прокладки, 3,23-стаканы, 4-масленка, 5-дистанционная втулка, 6,14-крышки, 7-зубчатая муфта, 8,19-гайки, 9,18-шайбы, 11,15-кольца, 12-полумуфта, 13-втулка, 16-сальник, 17-ограничителъная втулка, 20-вал, 21 -подшипник, 22-крышка подшипника

Рис. 1.60. Тормозная система
1-тормозная лента, 2-кожух, 3-тормозной цилиндр, 4,8-кривошип, 5- подшипник, 6,10-стаканы, 7-вал, 9-крышка, 11-палец, 12-валик, 13-балансир, 14-ригель, 15-тяга, 16-гайка, 17,18-шайбы.

Рис. 1.61. Храповое устройство 1-вал, 2-шайба.

Рис. 1.62. Схема оснастки талевой системы
1-кронблок, 2-талевый блок, 3-барабан лебедки, 4-приспособление для крепления неподвижного конца каната, 5-крюкоблок, 6-груз ограничителя подъема крюкоблока.
Талевая система агрегата
Состоит из:
- барабана лебедки;
- талевого каната;
- кронблоков;
- крюкоблока;
- ограничителя подъема крюкоблока.
Схема оснастки талевой системы изображена на рис.(1.62.)-
Кронблоки устроены как и у агрегата А-50У. Устройство крюкоблока изображено на рис. 1.64.
Отопительно-вентиляционная установка
Для обогрева кабины управления в холодное время года в конструкции агрегата предусмотрена отопительно-вентиляционная установка (рис. 1.63).

Рис. 1.63. Вентиляционно-отопительная установка.
1-подставка, 2-емкость, 3-ящик отопителя, 4-конусная муфта, 5-ниппель, 6,8,9,10-штуцеры, 7-фильтр-отстойник, 11-гайка

Рис.1.64. Крюкоблок
1,12,33,34-кожухи, 2-кольцо пружинное, 3-втулка дистанционная, 4-масленка, 5-ось шкивов, 6-кольцо дистанционное, 7,21-подшипники, 8-крышка, 9-шкив канатный, 10,30-шпильки, 11-щека, 13,15,26-ригели, 14-гайка, 16-палец, 17-винт, 18-пружина, 19-шпонка, 20-фиксатор, 22-цилиндр, 23-хомут, 24,25-полувтулки, 27-ось шарнира, 28-стержень с вилкой, 29-трехрогий крюк, 31-втулка, 32-упор, 35-пробка, 36-прокладка.

