1.7Испарительные установки и теплофикационные установки
1.7.1 Испарительные установки
Кроме регенеративных подогревателей в состав тепловой схемы атомных электростанций могут входить испарители и подогреватели сетевой воды. Все они являются теплообменниками поверхностного типа с применением в качестве греющей среды отборного пара турбины (как и для регенеративных подогревателей). Конденсат греющего пара после теплообменников возвращается в цикл через систему регенеративного подогрева.
В испарителях по обогреваемой стороне производится насыщенный пар. Если он направляется непосредственно в регенеративную систему для конденсации в одном из её подогревателей или поступает в неё в виде конденсата, полученного на теплообменной поверхности на пути из испарителя в регенеративную систему, то назначение такой установки – восполнение убыли воды. Если конденсация пара испарителя в пределах станции не осуществляется и он отпускается какому-либо потребителю вне ее, то такую установку называют паропреобразователем, так как, питаясь паром одного давления, он отпускает пар другого давления.
Отборный пар турбины, используемый в качестве греющей среды испарителя, называют первичным, а пар, получающийся из обогреваемой среды, - вторичным.
Так как в пар турбин даже двухконтурной станции возможно хотя бы незначительное попадание радиоактивных веществ из первого контура, то при отдаче пара из паропреобразовательной установки радиоактивность распространяется за пределы станции. Поэтому паропреобразовательные установки с отдачей вторичного пара на предприятия на атомных электростанциях с водным теплоносителем не применяют.
Значительно более благоприятные перспективы использования АЭС при отпуске теплоты потребителю в виде горячей воды для отопления, вентиляции, горячего водоснабжения. В этом случае давление нагреваемой воды может быть бо́льшим, чем давление греющего пара, и тем самым будет исключено перетекание радиоактивной среды в теплоноситель.
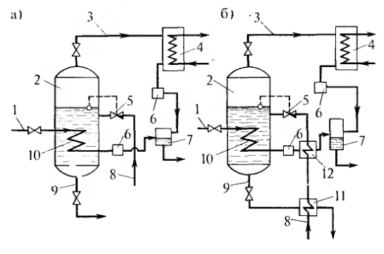
На рисунке 18 изображена схема одноступенчатой испарительной установки.

а – без охладителя продувочной воды; б – с охладителем продувочной воды; 1 – подвод первичного пара; 2 – корпус испарителя; 3 – отвод вторичного пара; 4 – конденсатор вторичного пара; 5 – регулятор уровня; 6 – конденсатоотводчик; 7 – сборник конденсата; 8 – подача питательной воды; 9 – продувка испарителя; 10 – греющая секция; 11 – охладитель продувки испарителя; 12 – охладитель конденсата греющего пара
Рисунок 18 – Схема одноступенчатой испарительной установки
1.7.2 Теплофикационные установки
Подачи потребителю горячей воды производится для отопления посёлка, зданий и помещений АЭС, теплоснабжения калориферов вентиляционных установок, горячего водоснабжения и др. Помещения первого контура и машинный зал отапливаются за счёт подогрева приточного воздуха.
Сетевая вода сетевым насосом прокачивается по замкнутому контуру, соединяющему электростанцию с потребителем посредством подающей и обратной магистралей. Вода подогревается в основном подогревателе сетевой воды паром из отбора
турбины. При низких температурах наружного воздуха сетевая вода дополнительно подогревается в пиковом подогревателе сетевой воды за счёт теплоты редуцированного острого или отборного пара турбины более высокого давления, чем для основного
сетевого подогревателя. Для восполнения потерь сетевой воды предусмотрены подпиточный насос и установка полготовки воды для подпитки теплосети. Совокупность оборудования, устанавливаемого на электростанции (рисунок 2.15 поз.1, 2, 4, 9, 10), называют теплофикационной установкой.
Подающая и обратная магистрали сетевой воды и относящиеся к ним вспомогательные устройства образуют тепловую сеть. Горячую воду, выходящую с
электростанции к потребителю, называют прямой сетевой водой, а возвращающуюся на станцию – обратной сетевой водой.На рисунке 19 представлена схема теплоснабжения АЭС.

1 – сетевой насос; 2 – основной подогреватель сетевой воды; 3 – пар из турбины; 4 – пиковый подогреватель сетевой воды; 5 – редуцированный пар из парогенерирующей установки или отбора турбины; 6 – подающая магистраль сетевой воды; 7 – тепловой потребитель; 8 – обратная магистраль сетевой воды; 9 – подпиточный насос; 10 – установка подготовки добавочной воды
Рисунок 19 – Схема теплоснабжения на АЭС
