Рисунок 47–Схема аккумуляторной установки без элементного коммутатора в режиме постоянного подзаряда:I , II , III , I ПЗ–то же, что и на рисунке 46.
11.6 Схема распределения оперативного тока
От шин постоянного тока отходят цепи, питающие группы электроприемников различного назначения. Цепи управления, сигнализации и аварийного освещения защищаются автоматическими выключателями, цепи питания электромагнитов включения – предохранителями. При централизованном распределении оперативного тока для питания силовых выключателей вблизи их приводов имеются шинки постоянного тока, соединенные между собой кабелем по кольцевой схеме (рисунок 48). Для надежности питания кольцо секционируется при помощи установленных в шкафах рубильников Р1-2–Р3-4, секции кольца питаются от шин постоянного тока отдельными линиями. Аналогичные схемы выполняются для каждого РУ.

Рисунок 48–Схема питания электромагнитов включения приводов выключателей на открытом РУ 110 кВ.
Питание цепей управления и сигнализации обычно осуществляется по схеме, показанной на рисунке 49. Над панелями щита управления прокладываются шинки управления + EC 1, - EC 1, + EC 2, - EC 2, шинки сигнализации + EH , - EH и шинки мигающего света (+)ЕР. Если на щите управления несколько рядов панелей с мнемосхемами РУ разных напряжений, то шинки разделяются на участки и располагаются над каждым рядом. Участки соединяются между собой кабельными перемычками через рубильники S 4- S 7 и S 11- S 14. Участки шинок могут соединяться в кольцо, но обычно они делятся на равные части, каждая из которых получает питание от соответствующей секции щита постоянного тока. Секционирование шинок на щитах постоянного тока выполняется для повышения надежности питания нагрузки и резервирования питающих линий в случае их повреждения и отключения. Питание цепей управления отдельных присоединений осуществляется через предохранители или автоматические выключатели и переключатели, с помощью которых питание каждой цепи может отключаться или переводиться на питание от шинок ЕС1 или ЕС2.

Рисунок 49–Схема питания цепей управления и сигнализации подстанции: SA 1- SA 6–переключатели; S 1- S 19–рубильники; S 20–секционный рубильник.
Цепи сигнализации получают питание через переключатели, имеющие два положения «Включено» и «Отключено».
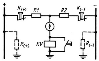
11.7 Контроль изоляции цепей постоянного оперативного тока
В процессе обслуживания установок постоянного тока необходимо следить за состоянием изоляции токоведущих частей относительно земли. Понижение сопротивления изоляции на одном полюсе может привести к образованию обходных цепей через землю и самопроизвольному включению или отключению коммутационных аппаратов и просто ложным сигналам, дезориентирующим персонал. Для непрерывного контроля за состоянием изоляции применяют специальные устройства (рисунок 50), позволяющие в любой момент измерить сопротивление изоляции, а при значительном понижении его на одном из полюсов привлечь внимание персонала звуковым и световым сигналами. Устройство контроля изоляции подключается к шинам постоянного тока. Оно выполняется по принципу моста с гальванометром в одной диагонали. При равенстве сопротивления изоляции полюсов ( R (+) = R (-) ) мост уравновешен и напряжение на диагонали мост равно нулю. При понижении изоляции одного полюса равновесие моста нарушается и в диагонали появляется ток, вызывающий срабатывание сигнального реле KV. По гальванометру, шкала которого градуируется в Омах, оценивается сопротивление изоляции полюсов. Понижение изоляции каждого полюса оценивается поочередным нажатием кнопок К(+) и К(-). Сопротивление изоляции полюсов относительно земли для всех электрически связанных цепей постоянного тока должно поддерживаться на уровне не ниже 1МОм.

Рисунок 50–Схема контроля изоляции оперативных цепей
УЧЕБНОЕ ПОСОБИЕ ДЛЯ КУРСОВОГО ПРОЕКТИРОВАНИЯ ГЛАВНОЙ ПОНИЖАЮЩЕЙ ПОДСТАНЦИИ (ГПП)
