Лабораторная работа № 9. Моделирование цифровых устройств
Введение
Известно, что математической основой цифровых вычислительных устройств является двоичная арифметика, в которой используются всего два числа — 0 и 1. Выбор двоичной системы счисления диктовался требованиями простоты технической реализации самых сложных задач с использованием всего одного базового элемента — ключа, который имеет два состояния: включен (замкнут) или выключен (разомкнут). Если первое состояние ключа принять за условную (логическую) единицу, то второе будет отражать условный (логический) ноль или наоборот.
Электронные ключи проектируются таким образом, чтобы при наихудших сочетаниях входных и выходных параметров ключи могли различать сигналы логической единицы и нуля.
Цели и задачи работы
Цель работы:
· Исследование логических схем;
· Реализация логических функций при помощи логических элементов;
· Синтез логических схем, выполняющих заданные логические функции.
Задачи работы:
1. Исследование логической функции И;
2. Исследование логической функции И-НЕ;
3. Исследование логической функции 2И-НЕ;
4. Исследование логической функции ИЛИ
5. Исследование логической функции ИЛИ-НЕ
6. Исследование логической функции 2ИЛИ-НЕ
Выполнение работы:
Задать уровни логических сигналов. Измерить вольтметром напряжение на входе и определить с помощью логического пробника уровень логического сигнала, записать показания вольтметра; указать, какой логический сигнал формируется на выходе Y. Результаты занести в таблицы результатов экспериментов.
1 Лабораторный стенд
Лабораторный стенд предназначен для задания всех возможных комбинаций входного сигнала и определения сигнала на выходе логического устройства.
| |||
| Рис. 1. Структурная схема лабораторного стенда |
Лабораторный стенд содержит:
К – входные ключи;
ЛЭ – исследуемый логический элемент;
ИУ – измерительное устройство.
2. Расчет таблиц истинности
Аксиомы алгебры логики:

Логические выражения:

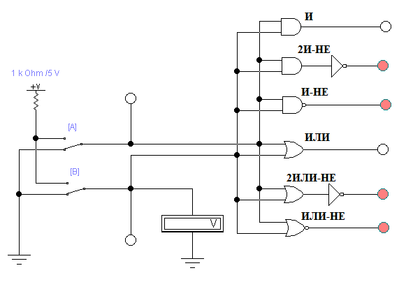
3. ЗАДАНИЕ. На рисунке указать типы логических элементов
|
| Рис. 2. Модель включения логических элементов. |
С помощью этого лабораторного стенда можно определить зависимость значения выходного сигнала от входного.
4. ЗАДАНИЕ. Заполнить таблицы для логических элементов И, ИЛИ, И-НЕ, ИЛИ-НЕ, 2И-НЕ, 2ИЛИ-НЕ
Исследование логической функции
а) Получение аналитического выражения для функции. По таблице составьте аналитическое выражение функции каждого элемента и занесите его в теоретическую таблицу истинности.
б) Задание уровней логических сигналов. Установите переключатель B в нижнее положение. Измерьте вольтметром напряжение на входе B и определите с помощью логического пробника уровень логического сигнала. Установите переключатель B в верхнее положение. Определите уровень логического сигнала и запишите показания вольтметра; укажите, какой логический сигнал формируется на выходе Y. Результаты занесите в Экспериментальные данные. Подайте на входы схемы все возможные комбинации уровней сигналов A и B и для каждой комбинации зафиксируйте уровень выходного сигнала Y. Заполните таблицу Экспериментальные данные
Таблица 1. Теоретическая таблица истинности
| i | Значения переменных | функции | ||||||
| А | В | И | ИЛИ | И-НЕ | ИЛИ-НЕ | 2И-НЕ | 2ИЛИ-НЕ | |
| 0 | 0 | 0 | 0 | 0 | 1 | 1 | 1 | 1 |
| 1 | 0 | 1 | 0 | 1 | 1 | 0 | 1 | 0 |
| 2 | 1 | 0 | 0 | 1 | 1 | 0 | 1 | 0 |
| 3 | 1 | 1 | 1 | 1 | 0 | 0 | 0 | 0 |
Таблица 2. Экспериментальные данные
| i | Значения переменных | функции | ||||||
| А | В | И | ИЛИ | И-НЕ | ИЛИ-НЕ | 2И-НЕ | 2ИЛИ-НЕ | |
| 0 | 0 | 0 | 0 | 0 | 1 | 1 | 1 | 1 |
| 1 | 0 | 1 | 0 | 1 | 1 | 0 | 1 | 0 |
| 2 | 1 | 0 | 0 | 1 | 1 | 0 | 1 | 0 |
| 3 | 1 | 1 | 1 | 1 | 0 | 0 | 0 | 0 |
5. ЗАДАНИЕ. Исследовать логическую схему с помощью генератора слов
а) Сведения об исследуемой микросхеме. Укажите, к каким выводам микросхемы 7400 подключается источник питания, сколько элементов 2И-НЕ содержит микросхема, сколько элементов используется в данном эксперименте и как обозначены на схеме используемые входы и выходы. Заполните таблицу сведений о микросхеме
б) Экспериментальное получение таблицы истинности логического элемента 2И-НЕ. Запрограммируйте генератор слов так, чтобы на выходе генератора получать последовательно следующие комбинации:00, 01, 10, 11. Переведите генератор в режим пошаговой работы нажатием кнопки "Step" на увеличенном изображении генератора. Каждое нажатие кнопки "Step" вызывает переход к очередному слову заданной последовательности, которое подается на выход генератора. Последовательно подавая на микросхему слова из заданной последовательности, заполните таблицу истинности элемента 2И-НЕ.
|
| Рис. 3. Исследование микросхемы 7400 |
Таблица 3. Сведения об исследуемой микросхеме
| Число элементов И-НЕ в микросхеме | 4 |
| Число исследуемых элементов 2И-НЕ | 1 |
| Обозначение выводов для подключения источника питания | VCC |
| Обозначения используемых входов | 1A, 1B |
| Обозначение используемого выхода | 1Y |
Получение таблицы истинности логического элемента 2И-НЕ микросхемы 7400.
Таблица 4. Экспериментальные данные
| Bходы | Выход | |
| А | В | Y |
| 0 | 0 | 1 |
| 0 | 1 | 1 |
| 1 | 0 | 1 |
| 1 | 1 | 0 |
Выводы
В проведенной лабораторной работе ознакомились с моделирование цифровых устройств, смоделировали и исследовали логические схемы, выполняющие логические функции И, И-НЕ, 2И-НЕ, ИЛИ, ИЛИ-НЕ, 2ИЛИ-НЕ. Для этого мы использовали логические элементы, ключи, пробники. Также, используя генератор слов, мы исследовали микросхему 7400, содержащую 4 2И-НЕ элемента.
