Лабораторная работа № 5. Моделирование усилителей
Цели и задачи работы
Цель работы: исследовать операционный усилитель, исследовать применение операционного усилителя к созданию различных электронных схем.
Задачи работы:
1.смоделировать схему усилителя;
2. смоделировать схему сумматора;
3. смоделировать схему интегратора;
4. смоделировать схему дифференциатора;
1 Модель схемы

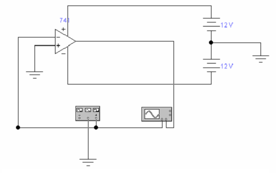
Операционный усилитель.

Усилитель.

Сумматор.

Интегратор

Дифференциатор.
2 Получение экспериментальных данных
Таблица 1. Экспериментальные данные для усилителя
| f, Гц | T, мс | Авых, В | Кус |
| 100 | 10 | 11,12 | 104 |
| 500 | 2 | 11,12 | 2·103 |
| 1000 | 1 | 11,12 | 103 |
| 2000 | 0,5 | 11,12 | 500 |
| 5000 | 0,2 | 11,13 | 200 |
| 10000 | 0,1 | 11,12 | 100 |
| 20000 | 0,05 | 11,12 | 50 |
|
| Рис. 1. График амплитудно-частотной характеристики операционного усилителя |
Таблица 2. Экспериментальные данные для сумматора
| ____ U1, В U2, В ___ | -3 | -2 | -1 | 0 | 1 | 2 | 3 |
| -3 | -6 | -5 | -4 | -3 | -2 | -1 | 0 |
| -2 | -5 | -4 | -3 | -2 | -1 | 0 | 1 |
| -1 | -4 | -3 | -2 | -1 | 0 | 1 | 2 |
| 0 | -3 | -2 | -1 | 0 | 1 | 2 | 3 |
| 1 | -2 | -1 | 0 | 1 | 2 | 3 | 4 |
| 2 | -1 | 0 | 1 | 2 | 3 | 4 | 5 |
| 3 | 0 | 1 | 2 | 3 | 4 | 5 | 6 |
|
| Рис. 2. Зависимость выходного напряжения сумматора от величин входных напряжений |
Таблица 3. Экспериментальные данные для интегратора
| f, кГц | Uвх, мВ | Uвых, мВ | Kус |
| 5 | 7,072 | 222,1 | 31,8 |
| 100 | 7,071 | 11,11 | 1,59 |
| 500 | 7,072 | 2,221 | 0,318 |
| 1000 | 7,071 | 1,111 | 0,159 |
| 5000 | 7,071 | 0,222 | 0,0318 |
|
| Рис. 3. График амплитудно-частотной характеристики интегратора |
Выводы
В процессе выполнения лабораторной работы мы исследовали применение операционного усилителя, с помощью которого мы смоделировали схемы:
1. усилителя, коэффициент усиления которого обратно пропорционален частоте входного сигнала;
2. сумматора;
3. интегратора в качестве фильтра низких частот.
Лабораторная работа № 6. Моделирование генератора колебаний
