Измерения при высоких напряжениях
В установках высокого напряжения с помощью различных измерительных приборов и устройств определяются величины постоянных, переменных и импульсных напряжений, импульсных токов, а также распределения напряженности электрического поля и др.
В приборах, предназначенных для измерений при высоких напряжениях, используются различные физические принципы. Широко применяются электростатические и генерирующие вольтметры, шаровые разрядники, электронные осциллографы. Приборы могут присоединяться к объекту измерения непосредственно или через вспомогательные устройства — делители напряжения. Основное требование ко всем измерительным приборам и устройствам — малая погрешность измерения.
|
Шаровые разрядники. Пробой воздушных промежутков при атмосферном давлении может быть использован для измерения постоянных, переменных, импульсных и высокочастотных высоких напряжений. Наибольшее распространение среди устройств, использующих пробой при таких условиях, получил искровой шаровой разрядник, в котором электродами являются два шара одинакового диаметра (рис. 5.10). Измерение высокого напряжения с его помощью основано на том, что пробивное напряжение между шарами при прочих равных условиях зависит от расстояния между шарами, их диаметра и способа включения. Применяя разрядники, шары которых имеют диаметры начиная с 20 мм до 3,5 м, можно измерить напряжения от десятков до нескольких тысяч киловольт. Например, два шара диаметром 20 мм позволяют с достаточной точностью измерить максимальные напряжения до 40 кВ, а диаметром 2 м — 2700 кВ.
Напряжение, необходимое для пробоя искрового промежутка между двумя шарами, может быть определено теоретически при известных значениях электрической прочности воздуха, диаметров шаров и расстояниях между ними.
При измерении шаровым разрядником существенное значение имеет картина распределения электрического поля между его шарами, которая в значительной степени зависит от конструкции разрядника.
Конструктивно шаровые разрядники изготавливаются с вертикальным (см. рис. 5.10, а) и горизонтальным (см. рис. 5.10, б) расположением оси шаров, при этом напряжение может быть подключено к шарам симметрично или несимметрично — с заземлением одного из шаров.
В зависимости от расположения оси шаров разрядника и включения их изменяется картина электрического поля (см. рис. 5.10, в), и вследствие этого при одних и тех же расстояниях между одинаковыми шарами получаются разные значения пробивных напряжений. Вертикальное расположение оси шаров разрядника с заземлением нижнего шара обеспечивает экранирование промежутка и получения более высоких пробивных напряжений, чем при других включениях, когда заземлен один из шаров. Однако симметричное включение шаров по сравнению с другими возможными схемами включений при прочих равных условиях обеспечивает более равномерное распределение электрического поля и более высокие пробивные напряжения.
При заземлении одного из шаров разрядника величина пробивного напряжения зависит также от полярности незаземленного шара. Если расстояние между шарами S значительно превосходит диаметр шара D, то начиная с некоторого значения 5 пробивное напряжение при положительной полярности (на незаземленном шаре) становится меньше пробивного напряжения при отрицательной полярности. Влияние полярности необходимо учитывать при измерении напряжений, особенно импульсных.
С ростом измеряемого напряжения в разрядниках применяют шары большого диаметра. Чтобы точность измерения находилась в пределах ± 3 %, максимально допустимое значение отношения SID не должно превышать 0,75.
Для обеспечения практически надежного измерения импульсных напряжений шаровыми разрядниками часто искусственно ионизируют разрядный промежуток, например, используя ультрафиолетовое излучение. Таким образом, увеличивается число свободных электронов в промежутке, и тем самым уменьшается время запаздывания пробоя, т.е. ускоряется возникновение разряда.
С целью выравнивания напряженности электрического поля между шарами и уменьшения влияния посторонних объектов используют, например, экранирующие кольца, связанные с заземленным шаром.
Так как измерения шаровым разрядником связаны с пробоем промежутка, то для защиты источника высокого напряжения при пробое от короткого замыкания и перенапряжений последовательно с разрядником включают в цепь защитное сопротивление, которое ограничивает ток в цепи и предохраняет шары разрядника от обгорания. Сопротивление должно быть безындукционным и линейным. При измерении импульсных напряжений защитные сопротивления не применяются, так как они искажают результаты.
Управление разрядником может быть ручным или дистанционным. Расстояние между шарами отсчитывают при помощи миллиметровой шкалы. Разрядники с малым диаметром шаров (2 мм) обычно снабжаются микрометрическим винтом со шкалой, а с большим диаметром — круглым циферблатом со стрелкой, приводимой во вращение механизмом, сцепленным с ножкой подвижного шара.
Измерение напряжения производится в следующей последовательности. Сначала проверяется правильность нулевого положения шкалы. Для этой цели шары сближают до соприкосновения. потом разводят на такое расстояние, при котором не сможет произойти разряд в момент увеличения измеряемого напряжения. Доведя напряжение до требуемой величины, медленно приближают подвижный шар к неподвижному, пока не возникнет разряд между ними. В этот момент напряжение снимают и по расстоянию между шарами определяют его величину. Сделав четыре-пять повторных измерений, определяют их среднее значение.
Шаровые разрядники, получившие широкое применение при измерении амплитуды статических и импульсных высоких напряжений, отличаются простотой устройства и приемов измерения, обеспечивающих практически достаточную точность в пределах ± 3 %. К недостаткам измерений с их помощью следует отнести: а) возможность измерения только амплитудных значений напряжений, б) возможность измерения амплитудных значений напряжений только повторяющихся импульсов, в) возможность измерения импульсов с τ > 2—3 мкс, г) наличие искрового разряда (возможность возникновения перенапряжений и других последствий в установке), д) заметный разброс значений при ряде последующих измерений (необходимость нескольких повторных измерений с интервалами и получение результата как среднего арифметического значений этих величин).
Делители напряжения. Делитель напряжения представляет собой цепочку из ряда последовательно соединенных активных сопротивлений или емкостей (иногда их комбинации), на один конец которой подается высокое напряжение, а другой конец заземляется. Делители напряжения нашли широкое применение при измерении высоких напряжений, так как приборы для непосредственного их измерения (порядка сотен киловольт) громоздкие и дорогостоящие. К ним предъявляются следующие основные требования:
включенный делитель не должен оказывать влияния на амплитуду и форму измеряемого напряжения;
форма напряжения, снимаемого с плеча низкого напряжения делителя должна совпадать с формой измеряемого напряжения, для чего необходимо обеспечить независимость коэффициента деления у делителя от частоты и амплитуды измеряемого напряжения.
Из каких бы однородных сопротивлений делитель ни состоял, в нем всегда имеются индуктивности и емкости между отдельными элементами и емкости последних по отношению к земле и другим элементам установки. За последние десятилетия в создании делителей напряжения достигнут существенный прогресс.
Во всех делителях общей проблемой является размещение рабочих элементов в цилиндре, изготовленном из качественного изоляционного материала при сравнительно небольшом диаметре. Часто используемое заполнение цилиндра маслом обеспечивает изоляцию между элементами (например, между секциями бумажно-масляных конденсаторов), теплоотвод и препятствует возникновению разрядов по поверхности элементов, возникающих на стороне высокого потенциала при большой напряженности поля. Масло в некоторых случаях можно заменить газом с высокой электрической прочностью, например элегазом под давлением. При воздушной изоляции входной электрод высокого напряжения делителя, как правило, должен быть выполнен так, чтобы на нем не возникало частичных разрядов. Общая высота делителя определяется необходимой внешней изоляцией.
Обычно удельные высоты делителей выбираются следующими: 2,5—3 м/МВ при постоянном напряжении; 2—2,5 м/МВ при грозовых импульсах; 4—6 м/МВ при коммутационных импульсах; 4—5 м/МВ (эффективное значение) при переменном напряжении. Если напряжение составляет несколько сотен киловольт, проблема выбора размеров делителя обычно не возникает, так как требуемая площадь еще невелика. В области ультравысоких напряжений сильная нелинейная зависимость разрядного напряжения от расстояния между электродами приводит к существенному возрастанию размеров делителей.
Делитель напряжения не обязательно представляет собой специальное устройство. В установках постоянного напряжения, если это возможно, делитель встраивается непосредственно в генератор. Его также можно объединить с объектом испытаний, например вводом высокого напряжения с конденсаторными обкладками.
Если рассматривать делители, то для них можно составить общую схему замещения (рис. 5.11, а). Она состоит из большого числа n последовательно включенных элементов — продольных сопротивлений Z1’, представляющих собой прежде всего наиболее важные детали делителя (резисторы, конденсаторы), к которым приложено высокое напряжение U. В схеме учтены также паразитные параметры продольных элементов. По цепочке «продольных» сопротивлений равномерно распределены «поперечные» сопротивления Z'q, учитывающие влияние электрического поля продольных элементов, находящихся под разными потенциалами. Выходное напряжение U2, много меньшее входного, снимается с последнего элемента этой цепочечной схемы. Следовательно, число элементов одновременно определяет и коэффициент деления N. Однако если рассматривать измерительную систему в целом, то и n N могут различаться, так как в схеме возможно присутствие и других элементов.
Омический делитель. Схема замещения такого делителя для измерений любых видов напряжения при очень высоких частотах приведена на рис. 5.11, б. Поперечное сопротивление Z'q, как и в других делителях, представляет собой сопротивление однородно распределенной емкости участков делителя относительно земли С'е, значение которой определяется в результате расчета электростатического поля, возникающего в результате приложения к делителю напряжения.

Таким образом, С'е отображает силовые линии электрического поля, идущие к земле с единицы длины резисторов делителя. С помощью среднего значения С'е можно получить хорошее приближение для реального делителя, даже если эта емкость не равна емкости, отнесенной к сопротивлению, приходящемуся на единицу длины R'. Индуктивность L'влияет лишь при очень высоких частотах.
Омический делитель с R - 500 МОм высотой 1 м (Се= 15 пФ), пригодный для измерения напряжений 250 кВ, имеет полосу пропускания 200 Гц или время реакции 1,25 мс. Полоса пропускания этого делителя недостаточна для измерения напряжений промышленной частоты, если требуется обеспечить его высокую точность. Это является причиной того, что переменное напряжение выше 100 кВ нельзя измерять с помощью омических делителей. Для измерения импульсных напряжений омические делители с высоким сопротивлением совершенно непригодны.
Таким образом, омические делители с высоким сопротивлением применимы для измерений высоких постоянных напряжений, а также для точного измерения умеренных (до 150 кВ) переменных напряжений, если в них предусмотрено выравнивание распределения напряжения и улучшение частотной характеристики делителя. При стандартных грозовых импульсах использование омических делителей при напряжениях более 1 MB нецелесообразно.
Электростатические вольтметры. Электростатические вольтметры — приборы для измерения действующей величины напряжения, основанные на использовании силы взаимодействия между двумя электродами в электрическом поле измеряемого напряжения. Эта сила, будучи пропорциональна квадрату напряжения между электродами, действует на подвижную систему прибора и уравновешивается механическим противодействующим моментом (сопротивлением закручиваемых металлических нитей, подвешиваемых грузов, пружин и др.).
Вольтметр (рис. 5.12) состоит из воздушного конденсатора с подвижной / и неподвижной 2 пластинами, при этом подвижная пластина связана с пружиной 3 и стрелкой 4 прибора. Под действием силы F, возникающей между пластинами конденсатора, имеющего емкость С, подвижная пластина 1 приближается к неподвижной на расстояние da, при этом сила притяжения заряженных пластин уравновешивается упругой силой пружины 3.
В электростатических приборах сила, необходимая для возврата подвижной пластины в первоначальное состояние, обычно мала, поэтому для ее создания используется тонкая металлическая нить. Вращающий момент силы притяжения заряженных пластин уравновешивается моментом, создаваемым металлической нитью при закручивании.
Измерения высокого напряжения с помощью электростатических вольтметров разделяют на абсолютные и относительные. Электростатические измерительные приборы при измерении напряжения отличает незначительное потребление энергии.
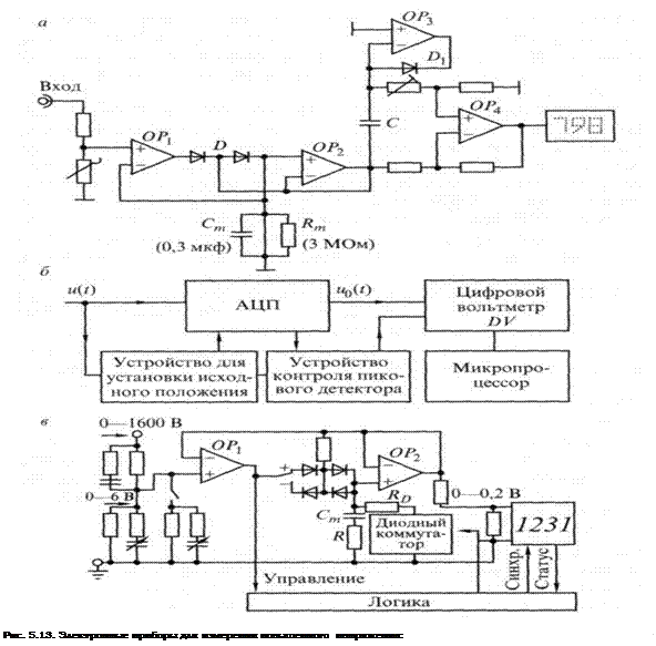
Электронный амплитудный вольтметр. Этот вольтметр (рис. 5.13, а) с компенсацией погрешности, вызванной разрядом измерительной емкости, работает следующим образом. Заряд накопительной емкости Сm осуществляется через операционный усилитель ОР1, включенный как повторитель напряжения, высокоомный аттенюатор которого практически не нагружает делитель (аттенюатор — входной делитель, предназначенный для регулировки напряжения входного сигнала). Погрешность fе, обусловленная спадом напряжения на выходе операционного усилителя ОР2 из-за того, что RmCm ~ 1 с, сохраняется.
Изменение этого напряжения выделяется и усиливается с помощью элементов ОР3, D1, и С, после чего подводится к ОР4 и при соответствующей настройке системы устраняется погрешностьfe. Таким образом, на выходе ОР4 получается сигнал, пропорциональный Обратная связь осуществляется с выхода ОР2 на оба диода выпрямителя и существенно замедляет процесс разряда Ст, обусловленный обратными токами диодов.
Кратковременное запоминание максимального значения напряжения и сравнение его с максимальными значениями при последующих изменениях напряжения может осуществляться стандартными электронными схемами. Такие приборы (рис. 5.13, б) состоят в основном из аналого-цифрового преобразователя, задающего сигнал постоянного напряжения, пропорциональный максимальному значению, 7Т/_,-логики и цифрового вольтметра, управляемого микропроцессором. Преобразователь представляет собой специальный усилитель, в котором накопительный конденсатор через диод постоянно подзаряжается до максимального значения входного напряжения и0 и разряжается FEГ-коммутатором с регулируемой задержкой. После усиления по мощности напряжение подводится к цифровому вольтметру DV. Через контуры установки исходного состояния и детекторного контроля осуществляется управление работой коммутатора и вольтметра.

а — принципиальная схема электронного амплитудного вольтметра с компенсацией погрешности; б — принципиальная схема электронного амплитудного вольтметра для измерения с предельной точностью; в — амплитудный импульсный вольтметр
нальный максимальному значению входного напряжения, который измеряется цифровым вольтметром.
Микропроцессор служит для корректировки систематической ошибки, а также используется для представления в удобной форме результатов измерений выходного прибора.
При практическом использовании электронных приборов следует обращать внимание на их чувствительность к посторонним полям и помехам, проникающим через сеть питания и возникающим в заземляющих проводах между делителем напряжения и входом измерительного устройства.
Амплитудный импульсный вольтметр. При известной форме импульса можно ограничиться лишь регистрацией максимального значения напряжения и измерение производить с помощью пассивных и активных схем выпрямления. При наличии мощных и широкополосных операционных усилителей можно использовать прибор (рис. 5.13, в), запоминающий максимальное значение однократного импульса. Элементы такого прибора должны быть правильно выбраны. С помощью частотно-компенсированного аттенюатора устранено запаздывание зарядки накопительного конденсатора за счет последовательно включенного сопротивления R, а также заряд емкости Ст выше максимального значения вследствие запаздывания влияния обратной связи операционного усилителя. С помощью такой логической системы компенсируется стекание заряда с емкости Ст и измеряемое напряжение подводится к цифровому прибору.
Приборами этого типа можно измерять с относительно малыми погрешностями максимальное значение срезанных на фронте импульсов. При полных импульсах измеряются и выбросы за счет высокочастотных колебаний.
