16. Синхронный JK-триггер с динамическим управлением записью
Из D-триггера получаем JK.
J=0, K=1 – режим хранения
J=0, K=0 – режим записи 0
J=1, K=1 – режим записи 1
J=1, K=0 – счетный режим
Если объединить входы J и K, то получится D-триггер
17. Синхронный JK-триггер со статическим управлением (двухступенчатый)
Двухступенчатые триггеры. При С=1 разрешается запись в 1ю ступень и запрещается перепись из 1й во 2ю. При С=0 происходит перепись информации из 1й ступени во 2ю, и перевод 1й ступени в режим хранения.



| C | J | K | Qn | Qn+1 | S* | R* |
В базисе И-НЕ: В базисе ИЛИ-НЕ:
| ||||||||||||||||||||||||||||||||||||||||||||||||||
| 0 | 0 | 0 | 0 | 0 | 0 |
| |||||||||||||||||||||||||||||||||||||||||||||||||||
| 0 | 0 | 0 | 1 | 1 |
| 0 | |||||||||||||||||||||||||||||||||||||||||||||||||||
| 0 | 0 | 1 | 0 | 0 | 0 |
| |||||||||||||||||||||||||||||||||||||||||||||||||||
| 0 | 0 | 1 | 1 | 1 |
| 0 | |||||||||||||||||||||||||||||||||||||||||||||||||||
| 0 | 1 | 0 | 0 | 0 | 0 |
| |||||||||||||||||||||||||||||||||||||||||||||||||||
| 0 | 1 | 0 | 1 | 1 |
| 0 | |||||||||||||||||||||||||||||||||||||||||||||||||||
| 0 | 1 | 1 | 0 | 0 | 0 |
| |||||||||||||||||||||||||||||||||||||||||||||||||||
| 0 | 1 | 1 | 1 | 1 |
| 0 | |||||||||||||||||||||||||||||||||||||||||||||||||||
| 1 | 0 | 0 | 0 | 0 | 0 |
| |||||||||||||||||||||||||||||||||||||||||||||||||||
| 1 | 0 | 0 | 1 | 1 |
| 0 | |||||||||||||||||||||||||||||||||||||||||||||||||||
| 1 | 0 | 1 | 0 | 0 | 0 |
| |||||||||||||||||||||||||||||||||||||||||||||||||||
| 1 | 0 | 1 | 1 | 0 | 0 | 1 | |||||||||||||||||||||||||||||||||||||||||||||||||||
| 1 | 1 | 0 | 0 | 1 | 1 | 0 | |||||||||||||||||||||||||||||||||||||||||||||||||||
| 1 | 1 | 0 | 1 | 1 |
| 0 | |||||||||||||||||||||||||||||||||||||||||||||||||||
| 1 | 1 | 1 | 0 | 1 | 1 | 0 | |||||||||||||||||||||||||||||||||||||||||||||||||||
| 1 | 1 | 1 | 1 | 0 | 0 | 1 |
Применение двухступенчатых статических триггеров: во всех регистрах и счетчиках.
18. Регистры. Классификация, применение. Параллельные регистры
Регистр – это операционный узел, выполняющий функции записи, хранения, считывания информации, а также преобразования последовательного кода слова в параллельный и обратно, и выполняющий поразрядные логические операции (логическое сложение, умножение, исключающее или, инверсию).
Регистр представляет собой набор элементов памяти (триггеров), число которых равно или кратно числу разрядов преобразуемого слова, и комбинационных схем.
Регистры имеют независимые информационные входы для каждого разряда и общие входы управления.
Основной признак классификации: способ ввода/вывода:
1) Параллельный. Все разряды слова передаются одновременно, за 1 такт T (простым или парафазным кодом:
-простой,
-парафазный).
2) Последовательный. Все разряды слова передаются последовательно во времени, каждый за 1 такт T. Время передачи nT.
3) Параллельно-последовательный способ. Слово разбивается на группы разрядов. Группы передаются параллельно, разряды в группах последовательно.
В зависимости от выполняемых функций и способа ввода/выводы:
1) регистры памяти (параллельные)
2) регистры сдвига (последовательные)
3) в интегральной схемотехнике имеются универсальные регистры (ввод, хранение, сдвиг). Они могут быть программно управляемы.
В регистрах используются D, DV, RS триггеры (JK не применяется, т.к. его функция избыточна для регистра). Чаще всего D.
Регистры могут иметь сложности цепей ввода и вывода: на входе может осуществляться мультиплексирование. Вывод может выполняться простым/обратным/парафазным кодом. Выход может иметь или три состояния или открытый коллектор.
Регистры памяти (параллельные регистры). Запись, хранение, выдача информации. Для временного хранения информации в течении 1 или нескольких циклов работы устройства. Чаще всего с однофазным вводом на основе D-триггеров (как со статическим, так и с динамическим управлением записью).
Со статическим входом – прозрачный триггер. Обычно 4х или 8ми разрядные.

С динамическим управлением записью. Данные триггера непрозрачны. Вход R установки в начальное нулевое состояние – асинхронный. Это расширяет возможности регистра –возможна очистка регистра.

19. Регистры сдвига. Синтез, реализация ,временные диаграммы
Регистры сдвига строятся, как правило, или на триггерах с динамическим управлением записью (одноступенчатые), или на триггерах с двухступенчатым запоминанием информации. Регистры сдвига состоят из элементов памяти и комбинационных схем (для передачи информации из разряда в разряд). Как правило, схема однородная, кроме первого и последнего разрядов.
Регистры сдвига обычно строятся на D-триггерах. Сдвиг информации осуществляется тактовыми сигналами, поступающими на входы С всех триггеров регистра.
Таблица переходов i-го разряда.
| M |
|
|
|
|
M (Mode) – управляющий сигнал, задает режим сдвига М=0 – сдвиг вправо M=1 – сдвиг влево |
| 0 | 0 | X | X | 0 | |
| 0 | 1 | X | X | 1 | |
| 1 | X | X | 0 | 0 | |
| 1 | X | X | 1 | 1 |
при
- вправо
Синхроимпульсы (С.и.) поступают на входы С. Они обеспечивают сдвиг (в данном случае вправо).
(right)
За один такт – сдвиг на один разряд (за счет динамического управления записью)
Вход последовательный - 
Выход параллельный - 
Т.о. возможно преобразование последовательного кода в параллельный. Также код может сниматься последовательно с
за счет последовательного сдвига. Т.е. возможно преобразование параллельного кода в последовательный.
Оценка быстродействия:
. Все разряды переключаются одновременно.
- влево

(left)
20. Реверсивные регистры сдвига. Синтез, реализация ,временные диаграммы.
Сдвиг информации осуществляется тактовыми сигналами, поступающими на входы С всех триггеров регистра.
Таблица переходов i-го разряда.
| M |
|
|
|
|
M (Mode) – управляющий сигнал, задает режим сдвига М=0 – сдвиг вправо M=1 – сдвиг влево |
| 0 | 0 | X | X | 0 | |
| 0 | 1 | X | X | 1 | |
| 1 | X | X | 0 | 0 | |
| 1 | X | X | 1 | 1 |

Со входом M
в обе стороны.

Временная диаграмма для сдвига вправо:

Быстродействие падает из-за использования элементов И-ИЛИ:

21. Универсальные регистры. Синтез, временные диаграммы
Основные микрооперации: 1) сдвиг влево, 2) сдвиг вправо, 3) загрузка начального слова, 4) хранение, 5) установка начального состояния.
Чтобы задать микрооперацию надо ввести управляющее слово. Это программируемый регистр M(mode). Два входа M1, M0 – управляющие слова.
| M1 | M0 | Dвх | Qi-1 | Qi | Qi+1 | Qi* |
| 0 | 0 | x | x | 0 | x | 0 |
| 0 | 0 | x | x | 1 | x | 1 |
| 0 | 1 | x | 0 | x | x | 0 |
| 0 | 1 | x | 1 | x | x | 1 |
| 1 | 0 | x | x | x | 0 | 0 |
| 1 | 0 | x | x | x | 1 | 1 |
| 1 | 1 | 0 | x | x | x | 0 |
| 1 | 1 | 1 | x | x | x | 1 |
| M1 | M0 | Микрооперация |
| 0 | 0 | Хранение |
| 0 | 1 | Сдвиг вправо |
| 1 | 0 | Сдвиг влево |
| 1 | 1 | Загрузка нач. слова |
Все микрооперации выполняются тактов. сигналом С
Таблица переходов универсального регистра сдвига (i-й разряд)



(1),(2),(3) – функции демультиплексирования
Установка в 0 может быть выполнена асинхронно (через R).
Входы DR и DL используются для наращивания разрядности.

P. S. В новых лекциях микрооперации были реализованы по другому. В принципе большой разницы нету, кто хочет, может переделать ответ под 11 – хранение, 00 – загрузка начального слова.
22. Наращивание //-ных регистров.
Регистры памяти (параллельные регистры). Запись, хранение, выдача информации. Для временного хранения информации в течении 1 или нескольких циклов работы устройства. Чаще всего с однофазным вводом на основе D-триггеров (как со статическим, так и с динамическим управлением записью).
Со статическим входом – прозрачный триггер. Обычно 4х или 8ми разрядные.

С динамическим управлением записью. Данные триггера непрозрачны. Вход R установки в начальное нулевое состояние – асинхронный. Это расширяет возможности регистра –возможна очистка регистра.

В секции параллельных регистров запараллеливают по С, по линии сброса в 0, и по другим управляющим сигналам.

23. Наращивание регистров сдвига
Регистры сдвига строятся, как правило, или на триггерах с динамическим управлением записью (одноступенчатые), или на триггерах с двухступенчатым запоминанием информации. Регистры сдвига состоят из элементов памяти и комбинационных схем (для передачи информации из разряда в разряд). Как правило, схема однородная, кроме первого и последнего разрядов.
Регистры сдвига обычно строятся на D-триггерах. Сдвиг информации осуществляется тактовыми сигналами, поступающими на входы С всех триггеров регистра.
Таблица переходов i-го разряда.
| M |
|
|
|
|
M (Mode) – управляющий сигнал, задает режим сдвига М=0 – сдвиг вправо M=1 – сдвиг влево
|
| 0 | 0 | X | X | 0 | |
| 0 | 1 | X | X | 1 | |
| 1 | X | X | 0 | 0 | |
| 1 | X | X | 1 | 1 |

Синхроимпульсы (С.и.) поступают на входы С. Они обеспечивают сдвиг (в данном случае вправо).
(right)
За один такт – сдвиг на один разряд (за счет динамического управления записью)
Вход последовательный - 
Выход параллельный - 
Т.о. возможно преобразование последовательного кода в параллельный. Также код может сниматься последовательно с
за счет последовательного сдвига. Т.е. возможно преобразование параллельного кода в последовательный.
Оценка быстродействия:
. Все разряды переключаются одновременно.

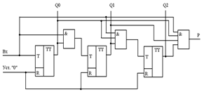
24. Асинхронный двоичный счетчик. Синтез, вр.диаграммы, параметры быстродействия. (на Т-триггерах)
Сам счет выполняется с помощью триггеров. Трехразрядный n=3.
| № | Q2 | Q1 | Q0 | Вх. | Q2* | Q1* | Q0* | T2 | T1 | T0 |
|
| Q2 | Q1 | Q0 | 0 | Q2 | Q1 | Q0 | 0 | 0 | 0 |
| 0 | 0 | 0 | 0 | 1 | 0 | 0 | 1 | 0 | 0 | 1 |
| 1 | 0 | 0 | 1 | 1 | 0 | 1 | 0 | 0 | 1 | 1 |
| 2 | 0 | 1 | 0 | 1 | 0 | 1 | 1 | 0 | 0 | 1 |
| 3 | 0 | 1 | 1 | 1 | 1 | 0 | 0 | 1 | 1 | 1 |
| 4 | 1 | 0 | 0 | 1 | 1 | 0 | 1 | 0 | 0 | 1 |
| 5 | 1 | 0 | 1 | 1 | 1 | 1 | 0 | 0 | 1 | 1 |
| 6 | 1 | 1 | 0 | 1 | 1 | 1 | 1 | 0 | 0 | 1 |
| 7 | 1 | 1 | 1 | 1 | 0 | 0 | 0 | 1 | 1 | 1 |
Функции возбуждения триггеров счетчика – зависимости информационного (счетного) сигнала от входных сигналов счетчика и выходных сигналов разрядов счетчика.

, 
| Q2,Q1
Q0,Вх |
00 |
01 |
11 |
10 |
| 00 |
|
|
|
|
| 01 |
|
|
|
|
| 11 | 1 | 1 | 1 | 1 |
| 10 |
|
|
|
|
, 

Схема с параллельным переносом (быстрая) Временные диаграммы счетчика
Триггеры переключаются не одновременно. Время задержки распространения счета растет с ростом числа разрядов.
. Все разряды переключаются практически одновременно (
, то они почти равны).
Счетчики выпускаются секциями ограниченной разрядности (4 шт. обычно), т.к. ЛЭ «И» не могут иметь неограниченное число входов. Такой счетчик является делителем частоты (
)
Счетчик со сквозным переносом: 

Счетчик с последовательным переносом:


Если показания снимать с инверсных выходов, то получим вычитающий счетчик. Еще вычитающий счетчик можно получить, подавая сигнал на вход следующего разряда с инверсного выхода, снимать сигнал надо с прямого выхода.

25. Асинхронный двоично-десятичный счетчик. Синтез, вр.диаграммы, параметры быстродействия. (на Т-триггерах)
Двоично-десятичный счетчик – счетчик по mod 10.
| № | Q3 | Q2 | Q1 | Q0 | Q3* | Q2* | Q1* | Q0* | T3 | T2 | T1 | T0 |
|
| Q3 | Q2 | Q1 | Q0 | Q3 | Q2 | Q1 | Q0 | 0 | 0 | 0 | 0 |
| 0 | 0 | 0 | 0 | 0 | 0 | 0 | 0 | 1 | 0 | 0 | 0 | 1 |
| 1 | 0 | 0 | 0 | 1 | 0 | 0 | 1 | 0 | 0 | 0 | 1 | 1 |
| 2 | 0 | 0 | 1 | 0 | 0 | 0 | 1 | 1 | 0 | 0 | 0 | 1 |
| 3 | 0 | 0 | 1 | 1 | 0 | 1 | 0 | 0 | 0 | 1 | 1 | 1 |
| 4 | 0 | 1 | 0 | 0 | 0 | 1 | 0 | 1 | 0 | 0 | 0 | 1 |
| 5 | 0 | 1 | 0 | 1 | 0 | 1 | 1 | 0 | 0 | 0 | 1 | 1 |
| 6 | 0 | 1 | 1 | 0 | 0 | 1 | 1 | 1 | 0 | 0 | 0 | 1 |
| 7 | 0 | 1 | 1 | 1 | 1 | 0 | 0 | 0 | 1 | 1 | 1 | 1 |
| 8 | 1 | 0 | 0 | 0 | 1 | 0 | 0 | 1 | 0 | 0 | 0 | 1 |
| 9 | 1 | 0 | 0 | 1 | 0 | 0 | 0 | 0 | 1 | 0 | 0 | 1 |
,
,
,
, 
| Q3,Q2
Q1,Q0 |
00 |
01 |
11 |
10 | 00 | 01 | 11 | 10 | 00 | 01 | 11 | 10 | 00 | 01 | 11 | 10 |
| 00 |
|
| * |
| * | * | * | |||||||||
| 01 | 1 | 1 | * |
| * | * | 1 | * | 1 | |||||||
| 11 | 1 | 1 | * | * | 1 | 1 | * | * | 1 | * | * | * | * | |||
| 10 |
|
| * | * | * | * | * | * | * | * |
Схема с параллельным переносом (быстрая)

Триггеры переключаются не одновременно. Время задержки распространения счета растет с ростом числа разрядов.
. Все разряды переключаются практически одновременно (
, то они почти равны).
УГО
Может использоваться как счетчик по модулю 2 или 5. Чтобы получить по модулю 10 необходимо входы включить последовательно (пунктир).

CU – вход сложения CU
+1. CD – вход вычитания CD
-1.
CU, CD – на одном из них импульс, на другом 1.
CPU, CPD – перенос при сложении/вычитании.
Асинхронная загрузка по L по входам 1, 2, 4, 8.
Наращивание данного счетчика производят подключением выходов CPU, CPD ко входам CU, CD следующего счетчика соответственно.
26. Синхронные счетчики по произвольному модулю (М=5,6,7,8,10,12 и т.д) . Синтез, временные диаграммы. (на JK- и D- триггерах как отдельный вариант), оценка быстродействия.
При синтезе счетчика задаются: 1) модуль счета; 2) может быть задан порядок изменения состояния; 3) может быть задан тип триггера. Если 2) не задается то по усмотрению разработчика (естественный). Требуется построить схему.
Основные положения методики:
- Определяется количество триггеров n.
Если модуль счета M и порядок счета естественный, то
, если порядок счета неестественный, то
, где M1 – наибольший номер состояния.
Например 0,1,10,15,31,16,9,8,6,5,0, значит 
- Составляется таблица переходов и функция возбуждения.
Пример: M=5 суммирующий с естественным порядком изм. сост., 
| N | Q2 | Q1 | Q0 | Q2* | Q1* | Q0* | J2 | K2 | J1 | K1 | J0 | K0 | D2 | D1 | D0 |
| 0 | 0 | 0 | 0 | 0 | 0 | 1 | 0 | a | 0 | a | 1 | a | 0 | 0 | 1 |
| 1 | 0 | 0 | 1 | 0 | 1 | 0 | 0 | a | 1 | a | a | 1 | 0 | 1 | 0 |
| 2 | 0 | 1 | 0 | 0 | 1 | 1 | 0 | a | a | 0 | 1 | a | 0 | 1 | 1 |
| 3 | 0 | 1 | 1 | 1 | 0 | 0 | 1 | a | a | 1 | a | 1 | 1 | 0 | 0 |
| 4 | 1 | 0 | 0 | 0 | 0 | 0 | a | 1 | 0 | a | 0 | a | 0 | 0 | 0 |
K0=1,
,
,
, K2=1, 
| Q2,Q1
Q0 |
00 |
01 |
11 |
10 | 00 | 01 | 11 | 10 | 00 | 01 | 11 | 10 | 00 | 01 | 11 | 10 |
| 0 | 1 | 1 | b | 0 | a | 0 | b | a | 0 | a | b | 0 | 0 | 0 | b | a |
| 1 | a | a | b | b | a | 1 | b | b | 1 | a | b | b | 0 | 1 | b | b |
,
, 
| Q2,Q1
Q0 |
00 |
01 |
11 |
10 | 00 | 01 | 11 | 10 | 00 | 01 | 11 | 10 |
| 0 | 0 | 0 | b | 0 | 0 | 1 | b | 0 | 1 | 1 | b | 0 |
| 1 | 0 | 1 | b | b | 1 | 0 | b | b | 0 | 0 | b | b |

Параметры быстродействия:



Обычно
в справочных данных.
27. Синхронные вычитающие счетчики по произвольному модулю(на JK- и D- триггерах). Синтез, вр. диаграммы, оценка быстродействия.
При синтезе счетчика задаются: 1) модуль счета; 2) может быть задан порядок изменения состояния; 3) может быть задан тип триггера. Если 2) не задается то по усмотрению разработчика (естественный). Требуется построить схему.
Основные положения методики: 1) Определяется количество триггеров n. Если модуль счета M и порядок счета естественный, то
, если порядок счета неестественный, то
, где M1 – наибольший номер состояния. Например 0,1,10,15,31,16,9,8,6,5,0, значит
. 2) Составляется таблица переходов и функция возбуждения. Пример: M=10 вычит. с ест. порядком изм. сост., 
| N | Q3 | Q2 | Q1 | Q0 | Q3* | Q2* | Q1* | Q0* | J3 | K3 | J2 | K2 | J1 | K1 | J0 | K0 | D3 | D2 | D1 | D0 |
| 0 | 1 | 0 | 0 | 1 | 1 | 0 | 0 | 0 | a | 0 | 0 | a | 0 | a | a | 1 | 1 | 0 | 0 | 0 |
| 1 | 1 | 0 | 0 | 0 | 0 | 1 | 1 | 1 | a | 1 | 1 | a | 1 | a | 1 | a | 0 | 1 | 1 | 1 |
| 2 | 0 | 1 | 1 | 1 | 0 | 1 | 1 | 0 | 0 | a | a | 0 | a | 0 | a | 1 | 0 | 1 | 1 | 0 |
| 3 | 0 | 1 | 1 | 0 | 0 | 1 | 0 | 1 | 0 | a | a | 0 | a | 1 | 1 | a | 0 | 1 | 0 | 1 |
| 4 | 0 | 1 | 0 | 1 | 0 | 1 | 0 | 0 | 0 | a | a | 0 | 0 | a | a | 1 | 0 | 1 | 0 | 0 |
| 5 | 0 | 1 | 0 | 0 | 0 | 0 | 1 | 1 | 0 | a | a | 1 | 1 | a | 1 | a | 0 | 0 | 1 | 1 |
| 6 | 0 | 0 | 1 | 1 | 0 | 0 | 1 | 0 | 0 | a | 0 | a | a | 0 | a | 1 | 0 | 0 | 1 | 0 |
| 7 | 0 | 0 | 1 | 0 | 0 | 0 | 0 | 1 | 0 | a | 0 | a | a | 1 | 1 | a | 0 | 0 | 0 | 1 |
| 8 | 0 | 0 | 0 | 1 | 0 | 0 | 0 | 0 | 0 | a | 0 | a | 0 | a | a | 1 | 0 | 0 | 0 | 0 |
| 9 | 0 | 0 | 0 | 0 | 1 | 0 | 0 | 1 | 1 | a | 0 | a | 0 | a | 1 | a | 1 | 0 | 0 | 1 |
J0=1, K0=1, т.к. на картах Карно только 1,a(альфа),*(бета, не используемые состояния).
,
,
, 
| Q3,Q2
Q1,Q0 |
00 |
01 |
11 |
10 | 00 | 01 | 11 | 10 | 00 | 01 | 11 | 10 | 00 | 01 | 11 | 10 |
| 00 |
| 1 | * | 1 | a | a | * | a | a | * | 1 | a | 1 | * | a | |
| 01 |
|
| * |
| a | a | * | a | a | * | a | * | a | |||
| 11 | a | a | * | * | * | * | a | * | * | a | * | * | ||||
| 10 | a | a | * | * | 1 | 1 | * | * | a | * | * | a | * | * |
, 
| Q3,Q2
Q1,Q0 |
00 |
01 |
11 |
10 | 00 | 01 | 11 | 10 |
| 00 | 1 |
| * | a | a | a | * | 1 |
| 01 |
|
| * | a | a | a | * | |
| 11 |
|
| * | * | a | a | * | * |
| 10 |
|
| * | * | a | a | * | * |
,
,
, 
| Q3,Q2
Q1,Q0 |
00 |
01 |
11 |
10 | 00 | 01 | 11 | 10 | 00 | 01 | 11 | 10 | 00 | 01 | 11 | 10 |
| 00 | 1 |
| * |
| * | 1 | 1 | * | 1 | 1 | 1 | * | 1 | |||
| 01 |
|
| * | 1 | 1 | * | * | * | ||||||||
| 11 |
|
| * | * | 1 | * | * | 1 | 1 | * | * | * | * | |||
| 10 |
|
| * | * | 1 | * | * | * | * | 1 | 1 | * | * |

При начальном состоянии как на схеме
- это 9.


К.С. – комбинационная схема (все ЛЭ)
28. Наращивание асинхронных счетчиков. Параметры быстродействия.
Сам счет выполняется с помощью триггеров. Трехразрядный n=3.
Таблица переходов и функций возбуждения.
| № | Q2 | Q1 | Q0 | Вх. | Q2* | Q1* | Q0* | T2 | T1 | T0 |
Функции возбуждения триггеров счетчика – зависимости информационного (счетного) сигнала от входных сигналов счетчика и выходных сигналов разрядов счетчика. |
|
| Q2 | Q1 | Q0 | 0 | Q2 | Q1 | Q0 | 0 | 0 | 0 | |
| 0 | 0 | 0 | 0 | 1 | 0 | 0 | 1 | 0 | 0 | 1 | |
| 1 | 0 | 0 | 1 | 1 | 0 | 1 | 0 | 0 | 1 | 1 | |
| 2 | 0 | 1 | 0 | 1 | 0 | 1 | 1 | 0 | 0 | 1 | |
| 3 | 0 | 1 | 1 | 1 | 1 | 0 | 0 | 1 | 1 | 1 | |
| 4 | 1 | 0 | 0 | 1 | 1 | 0 | 1 | 0 | 0 | 1 | |
| 5 | 1 | 0 | 1 | 1 | 1 | 1 | 0 | 0 | 1 | 1 | |
| 6 | 1 | 1 | 0 | 1 | 1 | 1 | 1 | 0 | 0 | 1 | |
| 7 | 1 | 1 | 1 | 1 | 0 | 0 | 0 | 1 | 1 | 1 |
По таблице строим карты Карно, например для T1:
| Q2,Q1
Q0,Вх |
00 |
01 |
11 | 10 | По картам Карно получаем функции возбуждения триггеров счетчика:
|
| 00 |
|
|
| ||
| 01 |
|
|
| ||
| 11 | 1 | 1 | 1 | 1 | |
| 10 |
|
|
|
Параллельный перенос:
Схема с параллельным переносом (быстрая) Временные диаграммы счетчика
Триггеры переключаются не одновременно. Время задержки распространения счета растет с ростом числа разрядов.
. Все разряды переключаются практически одновременно (
, то они почти равны).
Счетчики выпускаются секциями ограниченной разрядности (4 шт. обычно), т.к. ЛЭ «И» не могут иметь неограниченное число входов.
Сквозной перенос: 

Последовательный перенос:

Далее наращивание - подачей P на вх. T младш. триггера.



