Этапы расчета задачи № 5.2.1 (по указанию преподавателя)
55. Задание по расчету программы по WORKBENCH ( EWB ).
(Литература: [14]. В.И. Карлащук. Электронная лаборатория на IBM PC. − М : Солон-Пресс, 2006).
56. Выбрать транзисторы и схему включения в соответствии с вариантом.
57. Из примеров схем, представленных в литературе (EWB: common-e.ewb; bootdtra.ewb), выбрать схему в качестве прототипа.
58. Сформировать исследуемую схему ОЭ. Допускается произвести подбором выбор значений напряжений источников питания, резисторов, емкостей для получения устойчивого сигнала.
59. Получить устойчивое изображение сигнала на выходе, считая, что усилитель работает в режиме класса усиления А.
60. Подавая на схему фиксированную частоту, меняя различные входные напряжения, получить данные для амплитудной характеристики
61. Подавая на схему фиксированное входное напряжение, меняя частоту, получить данные для амплитудно-частотной характеристики.
62. Получить амплитудную характеристику, используя элемент EWB ²Боде – плоттер² [13], [14].
63. Получить фазочастотную характеристику, используя элемент ²Боде – плоттер².
64. Представить файл схемы (название файла: Иванов.ewb). Желательно представить распечатку схемы и осциллограммы.
65. Представить исследуемые характеристики.
66. Дать ссылки на используемую литературу и схему, выбранную в качестве прототипа.
67. Рекомендации по использованию EWB .
После того, как сформирована схема, кликните правой кнопкой мышки, выберите опцию ²Sch . options² и в режиме ²Show / hide² отметьте маркером режим ²Show nodes² (установка номеров узлов).
Для того, чтобы использовать транзистор, включенный в библиотеку Е W В, необходимо знать его примерные входные и выходные характеристики. Для этого следует из справочников (самостоятельно) выявить соответствие между российскими и импортными приборами. Целесообразно уметь использовать экспресс анализ ВАХ приборов с помощью средств EWB, если это позволяет используемая версия EWB, например, режим ²DC Sweep². Сформируйте схемы, идентичные [14] для дальнейшего анализа и научитесь оценивать ВАХ.
Задача № 5.2.2 ² Расчет параметров каскада по схеме ОИ ²
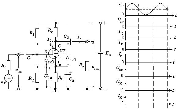
Полевой МОП-транзистор с встроенным каналом n-типа (ПТИЗ) имеет максимальную мощность Рmах и включен в усилительный каскад по схеме с общим истоком (рис. 5.4, а) при ЭДС источника питания равной Ес. Сопротивление резистора нагрузки Rн. Амплитудное значение переменной составляющей напряжения затвор-исток равно Uвх = Uзи.

а) б)
Рис. 5.4. Схема с ОИ (а) и временные диаграммы (б) к задаче № 5.2.2
Характеристики схемы и транзистора приведены в таблице 5.3 и на рис. 5.5. Известны нижняя fпн и верхняя fпв частоты полосы пропускания усиливаемых сигналов.

Рис. 5.5. Стоковые и стоко-затворная характеристики ПТИЗ с n-каналом
Определить:
- параметры элементов схемы ОИ, необходимые для работы в режиме класса усиления А в выбранном диапазоне частот;
- параметры линии нагрузки по постоянному и переменному току;
- характеристики схемы: коэффициент усиления напряжения, мощность, КПД;
- параметры стоко-затворной характеристики; значение крутизны и напряжения отсечки. Принять, что каскад работает в нормальных стационарных условиях, поэтому влиянием температуры на режим транзистора можно пренебречь.
Для исследуемой схемы необходимо нарисовать временные диаграммы параметров, приведенных на рис. 5.4, а.
Допускается проводить линии характеристик между линиями, представленными на рис. 5.5.
Для электрической схемы, соответствующей номеру варианта и изображенной на рис. 5.4, выполнить следующие этапы расчета.
1. Зарисовать схему усилительного каскада, входные и выходные статические характеристики транзистора и записать задание, соответствующее номеру варианта (рис. 5.5, табл. 5.3). Описать назначение элементов схемы и принцип ее работы.
Таблица 5.3
Задание к задаче № 5.2.2
| Параме- тры | Последняя цифра номера зачетки | Пример | |||||||||
| 0 | 1 | 2 | 3 | 4 | 5 | 6 | 7 | 8 | 9 | ||
| Е к , В | 12 | 13 | 14 | 15 | 16 | 13 | 14 | 12 | 13 | 14 | 14 |
| r с , кОм | 0,9 | 0,95 | 1 | 1,05 | 1,1 | 1,05 | 1,0 | 0,95 | 0,9 | 1,0 | 1,03 |
| R н , кОм | 5 | 4 | 6 | 8 | 7 | 8 | 9 | 10 | 9 | 7 | 65 |
| Предпоследняя цифра номера зачетки | |||||||||||
| 0 | 1 | 2 | 3 | 4 | 5 | 6 | 7 | 8 | 9 | ||
| U вх = U зи , В | 0,5 | 0,25 | 0,5 | 0,25 | 0,5 | 0,25 | 0,5 | 0,25 | 0,5 | 0,25 | 0,25 |
| P max , Вт | 120 | 130 | 140 | 120 | 130 | 140 | 150 | 160 | 170 | 150 | 150 |
| f пн , Гц | 90 | 100 | 150 | 200 | 150 | 100 | 90 | 70 | 90 | 110 | 80 |
| f пв , кГц | 3 | 4 | 5 | 6 | 7 | 6 | 5 | 4 | 3 | 4 | 5 |
2. Определить (рассчитать) следующие параметры.
3. Оценить, соответствует ли выбранный тип транзистора по его предельным рабочим параметрам Uси доп и Iс доп (Uси доп - наибольшее допустимое напряжение между коллектором и эмиттером транзистора) руководствуясь тем, что должно быть выполнено условие Uси доп » (1,1...1,3)Ес. Из рис. 5.5 имеем : Uси доп = 14×1,2 = 16,8 В.
6. Построение линии нагрузки по постоянному току производится с учетом уравнения Uси = Eс - Iс(Rс + Rи) по двум точкам: (Iсмах; 0) и (0; Ес).
7. Определение сопротивления Rи: Rи = 0,2Rс; Rи = 206 Ом.
8. Определяем общее сопротивление в цепи сток-исток транзистора:
R = Rи + Rс; R = 1236 Ом.
9. Определяем максимальный ток в цепи сток-исток:
Iс max = Eс/R; Iс max = 11,32 мА.
10. Проводим линию нагрузки АБ по постоянному току через точки: (11,3 мА; 0) и (0 мА; 14 В) (рис. 5.5).
11. Выбор положения точки покоя П производится с учетом с учетом того, что в режиме классе усиления А рабочая точка П должна быть примерно посередине линии нагрузки. Поэтому выбираем, например, точку П с координатами (6 мА; 6,6 В) при напряжении затвор-исток
Uзи = −0,75 В.
12. С учетом положения точки П определяем значение постоянной составляющей тока Iси0: при Uзи = -0,75 В имеем Iси0 = 6 мА.
13. С учетом положения точки П определяем значения постоянной составляющей напряжения Uси0 коллектора:
при Uзи = -0,75 В значение Uси0 = 6,3 В.
