3.3 Лабораторная работа №1. Токовая отсечка
1 Цель работы
Изучить принцип действия и схемы простейшей токовой защиты -токовой отсечки, выполненной на базе электромагнитных реле, изучить методы расчета уставок и провести испытания защиты.
2 Общие сведения
Токовая отсечка – одна из самых распространенных и простых защит. Принцип действия защиты основан на сравнении токов фаз с током срабатывания защиты. При превышении тока в любой из фаз тока уставки защита подает сигнал на отключение выключателя защищаемой линии мгновенно (токовая отсечка без выдержки времени) или с выдержкой времени (0,3…0,6 с). Селективность действия защиты достигается ограничением зоны ее работы. Зона охватывает только часть длины защищаемой линии. Это обеспечивается отстройкой пусковых органов защиты от максимально возможного тока короткого замыкания на шинах противоположной подстанции, получающей питание по защищаемой линии, если отходящие присоединения этих шин также имеют токовые защиты. Токовые отсечки применяются как в радиальных сетях с односторонним питанием, так и в сети, имеющей двустороннее питание. В сети с глухозаземленной нейтралью применяют трехфазные схемы измерительной части, реагирующие на короткие замыкания всех видов. В сети с изолированной нейтралью или заземленной через большое сопротивление применяются двухфазные двухрелейные схемы измерительной части токовых защит. Основными достоинствами токовой отсечки являются ее простота и высокое быстродействие. Основной недостаток – зона действия отсечки охватывает лишь часть защищаемой линии, что требует применения совместно с токовой отсечкой других видов защит, например –максимальной токовой защиты.
3 Подготовка к работе
3.1 Ознакомиться с принципом действия, схемами и методами расчета уставок токовой отсечки без.
3.2 Подготовить ответы на контрольные вопросы.
3.3 Оформить и предъявить предварительный отчет.
4 Порядок выполнения работы (однорелейная схема)
4.1 Собрать однорелейную схему испытания защиты, показанную на рисунке 27.

Рисунок 27 – Однорелейная схема токовой отсечки
Схема представляет собой трехфазный источник питания, подающий напряжение на защищаемый электродвигатель. Имитация короткого замыкания создается с помощью изменения выходного напряжения лабораторных автотрансформаторов поворотными рукоятками из позиции 1 в позицию 2 (рисунок 28).

Рисунок 28 – Панель регулировки выходного напряжения на ЛАТРах
Схема защиты содержит пусковое реле тока КА1, включенное на ток вторичной обмотки измерительных трансформаторов ТА1 и ТА2, соединенных в «неполный треугольник». В качестве источника оперативного постоянного тока используется блок питания с выведенными клемами «+» и «–», к которым подключаются светодиод, соответствующей отрабатываемой защиты и замыкающий контакт КА1.1 (реле тока КА1), при замыкании которого на панели сигнализации получает питание светодиод, сигнализирующий о срабатывании защиты.
4.2 Рукоятки регулирования выходного напряжения лабораторных автотрансформаторов необходимо установить в положение 100В. Так как используется промышленное оборудование, где все вторичные цепи напряжения выполнены на 100В.
4.3 Рассчитать ток срабатывания реле.
Рассчитаем ток срабатывания отсечки по упрощенной формуле, принимая коэффициент трансформации равным 1, в связи с применением трансформатора тока (5/5).
,
где Iпуск – пусковой ток двигателя;
kсх –коэффициент схемы;
kн – коэффициент надежности.
Коэффициент надежности для реле РТ-40 равен 1,8
Коэффициентом схемы называют отношение тока, протекающего через обмотку реле и тока, протекающего через трансформатор тока. Для однорелейной схемы коэффициент схемы принимают равным
. Для двухрелейной, а также трехрелейной схем коэффициент схемы принимают равным 1.
Пусковой ток определяют по справочным или заводским данным.
Исходя из полученного тока срабатывания отсечки определяем уставку срабатывания пускового реле тока КА1, выбрав ближайшее большее значение из диапазона возможных уставок реле.
Уставку реле выбираем исходя из технических характеристик установленного на стенде реле РТ-40/10 (таблица 16).
Таблица 16 –Технические данные реле РТ-40/10
| Исполнение реле | Пределы уставки на ток срабатывания реле, А | Номинальный ток, А | Потребляемая мощьность при токе минимальной уставки, VA | ||
| соединение катушек | соединение катушек | ||||
| 1 диапазон послед. | 2 диапазон парал. | 1 диапазон послед. | 2 диапазон парал. | ||
| РТ-40/10 | 2,5-5,0 | 5,0-10,0 | 16 | 16 | 0,5 |
4.4 На лицевой панели реле тока КА1 установить выбранный ток срабатывания реле с помощью контактных перемычек, выбрав нужный диапазон. Диапазон уставок и схему подключения контактных перемычек можно выбрать исходя из таблицы на лицевой панели стенда, имеющей следующий вид (рисунок 29).

Рисунок 29 – Схема подключения контактных перемычек
4.5 Включить питание стенда автоматическим выключателем. Повернуть по часовой стрелке рукоятки лабораторных автотрансформаторов при этом увеличивая напряжение на выходе для создания режима трехфазного короткого замыкания. Для снятия вольтамперных характеристик переключаем галетные переключатели СMA и CMV в те положения, фазы которых необходимо измерить.
По индикатору на панели сигнализации убедиться в срабатывании токовой отсечки именно по достижению заданной величины срабатывания защиты и несрабатывании при величине не достигшей заданную.
Определить ток срабатывания реле (
), ток возврата реле (
), напряжение на обмотке при срабатывании реле (
), коэффициент реле (
), погрешность реле (
), мощность срабатывания (
). Внести данные в таблицу 17.
;
.
Таблица 17
| Реле | , А
| , А
|
| , В
| , В*А
|
| КА1 |
Отключить питание стенда автоматическим выключателем.
После отключения рубильника подачи напряжения к стенду преподавателем разобрать схему.
5 Порядок выполнения работы (двухрелейная схема)
5.1 Собрать двухрелейную схему испытания защиты, показанную на рисунке 30.

Рисунок 30 – Двухрелейная схема токовой отсечки
Схема представляет собой трехфазный источник питания, подающий напряжение на защищаемый электродвигатель. Имитация короткого замыкания создается с помощью изменения выходного напряжения лабораторных автотрансформаторов поворотными рукоятками из позиции 1 в позицию 2 (рисунок 28).
Схема защиты содержит пусковые реле тока КА1и КА2 , включенные на ток вторичной обмотки измерительных трансформаторов ТА1 и ТА2, соединенных в «неполную звезду». В качестве источника оперативного постоянного тока используется блок питания с выведенными клемами «+» и «–», к которым подключаются светодиод, соответствующей отрабатываемой защиты и замыкающие контакты КА1.1 (реле тока КА1) и КА2.1 (реле тока КА2), при замыкании одного из которых на панели сигнализации получает питание светодиод, сигнализирующий о срабатывании защиты.
5.2 Рукоятки регулирования выходного напряжения лабораторных автотрансформаторов необходимо установить в положение 100В. Так как используется промышленное оборудование, где все вторичные цепи напряжения выполнены на 100В.
5.3 Рассчитать ток срабатывания реле.
Рассчитаем ток срабатывания отсечки по упрощенной формуле, принимая коэффициент трансформации равным 1, в связи с применением трансформатора тока (5/5).
,
где Iпуск – пусковой ток двигателя;
kсх –коэффициент схемы;
kн – коэффициент надежности.
Коэффициент надежности для реле РТ-40 равен 1,8
Коэффициентом схемы называют отношение тока, протекающего через обмотку реле и тока, протекающего через трансформатор тока. Для однорелейной схемы коэффициент схемы принимают равным
. Для двухрелейной, а также трехрелейной схем коэффициент схемы принимают равным 1.
Пусковой ток определяют по справочным или заводским данным.
Исходя из полученного тока срабатывания отсечки определяем уставки срабатывания пусковых реле тока КА1 и КА2, выбрав ближайшее большее значение из диапазона возможных уставок реле.
Уставку реле выбираем исходя из технических характеристик установленного на стенде реле РТ-40/10 (таблица 16).
5.4 На лицевой панели реле тока КА1 установить выбранный ток срабатывания реле с помощью контактных перемычек, выбрав нужный диапазон. Диапазон уставок и схему подключения контактных перемычек можно выбрать исходя из таблицы на лицевой панели стенда, имеющей следующий вид (рисунок 29).
5.5 Включить питание стенда автоматическим выключателем. Повернуть по часовой стрелке рукоятки лабораторных автотрансформаторов при этом увеличивая напряжение на выходе для создания режима трехфазного короткого замыкания. Для снятия вольтамперных характеристик переключаем галетные переключатели СMA и CMV в те положения, фазы которых необходимо измерить.
По индикатору на панели сигнализации убедиться в срабатывании токовой отсечки именно по достижению заданной величины срабатывания защиты и несрабатывании при величине не достигшей заданную.
Определить ток срабатывания реле (
), ток возврата реле (
), напряжение на обмотке при срабатывании реле (
), коэффициент реле (
), погрешность реле (
), мощность срабатывания (
). Внести данные в таблицу 18.
Таблица 18
| Реле | , А
| , А
|
| , В
| , В*А
|
| КА1 | |||||
| КА2 |
;
.
Отключить питание стенда автоматическим выключателем.
После отключения рубильника подачи напряжения к стенду преподавателем разобрать схему.
6 Порядок выполнения работы (трехрелейная схема)
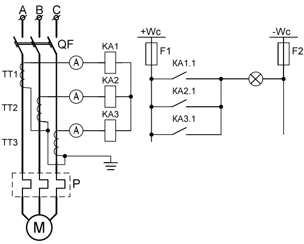
6.1 Собрать трехрелейную схему испытания защиты, показанную на рисунке 31.

Рисунок 31 – Схема токовой отсечки на трех реле
Схема представляет собой трехфазный источник питания, подающий напряжение на защищаемый электродвигатель. Имитация короткого замыкания создается с помощью изменения выходного напряжения лабораторных автотрансформаторов поворотными рукоятками из позиции 1 в позицию 2 (рисунок 28).
Схема защиты содержит 3 пусковые реле тока КА1, КА2 и КА3, включенные на ток вторичной обмотки измерительных трансформаторов ТА1 и ТА2, соединенных в «полный треугольник». В качестве источника оперативного постоянного тока используется блок питания с выведенными клемами «+» и «–», к которым подключаются светодиод, соответствующей отрабатываемой защиты и замыкающие контакты КА1.1 (реле тока КА1), КА2.1 (реле тока КА2) и КА3.1 (реле тока КА3), при замыкании одного из которых на панели сигнализации получает питание светодиод, сигнализирующий о срабатывании защиты.
6.2 Рукоятки регулирования выходного напряжения лабораторных автотрансформаторов необходимо установить в положение 100В. Так как используется промышленное оборудование, где все вторичные цепи напряжения выполнены на 100В.
6.3 Рассчитать ток срабатывания реле.
Рассчитаем ток срабатывания отсечки по упрощенной формуле, принимая коэффициент трансформации равным 1, в связи с применением трансформатора тока (5/5).
,
где Iпуск – пусковой ток двигателя;
kсх –коэффициент схемы;
kн – коэффициент надежности.
Коэффициент надежности для реле РТ-40 равен 1,8
Коэффициентом схемы называют отношение тока, протекающего через обмотку реле и тока, протекающего через трансформатор тока. Для однорелейной схемы коэффициент схемы принимают равным
. Для двухрелейной, а также трехрелейной схем коэффициент схемы принимают равным 1.
Пусковой ток определяют по справочным или заводским данным.
Исходя из полученного тока срабатывания отсечки определяем уставки срабатывания пусковых реле тока КА1 и КА2, выбрав ближайшее большее значение из диапазона возможных уставок реле.
Уставку реле выбираем исходя из технических характеристик установленного на стенде реле РТ-40/10 (таблица 16).
6.4 На лицевой панели реле тока КА1 установить выбранный ток срабатывания реле с помощью контактных перемычек, выбрав нужный диапазон. Диапазон уставок и схему подключения контактных перемычек можно выбрать исходя из таблицы на лицевой панели стенда, имеющей следующий вид (рисунок 29).
6.5 Включить питание стенда автоматическим выключателем. Повернуть по часовой стрелке рукоятки лабораторных автотрансформаторов при этом увеличивая напряжение на выходе для создания режима трехфазного короткого замыкания. Для снятия вольтамперных характеристик переключаем галетные переключатели СMA и CMV в те положения, фазы которых необходимо измерить.
По индикатору на панели сигнализации убедиться в срабатывании токовой отсечки именно по достижению заданной величины срабатывания защиты и несрабатывании при величине не достигшей заданную.
Определить ток срабатывания реле (
), ток возврата реле (
), напряжение на обмотке при срабатывании реле (
), коэффициент реле (
), погрешность реле (
), мощность срабатывания (
). Внести данные в таблицу 19.
Таблица 19
| Реле | , А
| , А
|
| , В
| , В*А
|
| КА1 | |||||
| КА2 | |||||
| КА3 |
;
.
Отключить питание стенда автоматическим выключателем.
После отключения рубильника подачи напряжения к стенду преподавателем разобрать схему.
6.6 Оформить отчет по лабораторной работе. Объяснить в нем полученные результаты и сделать соответствующие выводы.
7 Контрольные вопросы
