2. Действия машиниста: Проверить положение ВУД 1. ( Рис. 3 )
Преподаватель УПЦ Юдин В.А.
Действия машиниста
при
возникновении
неисправностей.
Причины: 1. отсутствие контакта в ВУД 2,
2. отключённый ВУД 1,
| Не закрываются двери в поезде. |
3. нет напряжения на 10-м проводе,
4. отключён (выбит) А-21,
5. неисправный ВУД 2 или кулачёк Д.
| Отключить и вновь включить ВУД 2 (переиграть) |
| Работаем от ВУД-1 Вызываем п/м. |
| Двери закрылись |
1.
| Двери не закрылись |
| 1. Отключаем ВУД-2, 2. Включаем ВУД-1, 3. Предупреждаем пасс-ров о закрытии дверей, 4. Включаем ВУД-2. |
| ВУД-1 Отключён. |
| Проверить положение ВУД-1 |
2.
| 1. Отключаем ВУД-2, 2. Высаживаем пассажиров, 3. Докладываем ДЦХ, 4. Переходим на КРУ, 5. По сигналу ДСП, закрываем двери. Уезжаем от КРУ. |
| V – НЕТ. |
| ВУД-1 включён. |
| Проверяем V на 10 проводе. |
3.
| V – Есть. |
5.
| А-21 Включён |
| Проверяем положение А-21 |
4.
| А-21 Отключён. |
| 1. Высаживаем пассажиров, 2. Докладываем ДЦХ, 3. Закрываем двери от КРЗД . |
| 1. Отключаем ВУД-2 2. Включаем А-21 |
| А-21 Не отключился ( К.З. на проводе Д1 ) |
| От КРЗД двери не закрылись |
| 1. Отключаем ВУД-2, 2. Переходим на КРУ , 3. Закрываем двери от ВУД-2 |
| А-21 не отключился. |
| К.З. на 16 поездном проводе: либо кратковременное либо глухое. |
| А-21 не включается (выбивает ) |
| К.З. на проводах: Д или Д1 Высаживаем пассажиров |
| Включаем ВУД-2 |
| Двери не закрылись А-21 вновь отключился. ( Глухое К.З. на 16 поезд. пров.) |
| Двери закрылись (Кратковременное) |
| 1. Отключаем ВУД-2, 2. Восстанавливаем А-21, 3. Высаживаем пассажиров, 4. Докладываем ДЦХ, 5. По сигналу ДСП, закрываем двери от КРЗД. |
| Продолжаем работу. |
| Реверсивную ручку в ,,0’’ . |
| Включаем А-21. |
| А-21 Отключился ( К.З. на проводе Д.) |
| Закрываем двери от КРУ |
| Закрываем двери из хвостовой кабины. |

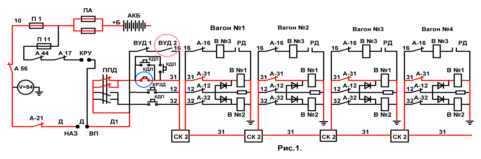
После включения ВУД 2 замыкается эл.цепь катушки вентиля №3 ДВР по цепи:
+Б, ПА, П1, 10-й провод, А-21, провод ,,Д’’, КЭ реверсора ,,Д’’, провод ,,Д1’’,
ВУД 1, ВУД 2, 16-й поездной провод, СК 2 и в каждом вагоне, А-16, 16-й вагонный
провод катушка В №3, замкнутый контакт РД, ,,земля’’(Рис.1).
Двери закрываются.
I .
После включения ВУД 2, двери в поезде не закрылись по причине:
а) отсутствия контакта в ВУД 2,
б) наличие воздушного зазора, из-за нечёткой работы вкл. пружины ВУД 2.
Действия машиниста: Несколько раз отключить и включить ВУД 2 ( Рис.2 ).
1. Если контакт появился и двери закрылись ( Рис.1 ), ВУД 2 больше не
отключаем, вызываем пом.машиниста на состав для работы от ВУД 1 и
продолжаем работу.
2. После переключения ВУД 2, двери не закрылись, по причине:
Отключённого положения ВУД 1.(Рис.3)
Такое положение может возникнуть, если маневровый машинист
по выводу из тупиков не включил ВУД 1 после захода в кабину.
Данная ситуация может возникнуть на начальной станции.

2. Действия машиниста: Проверить положение ВУД 1. ( Рис. 3 )
1. ВУД 1 – отключён:
а) отключить ВУД 2,
б) включить ВУД 1,
в) по микрофону объявить пасс-рам о закрытии дверей,
г) включает ВУД 2 и закрывает двери в поезде (Рис.1)
2. Вуд 1 – включён.(Рис.4) или при его отсутствии.
3.
Действие машиниста: Проверить напряжение на 10-м проводе.(Рис.4)
Отсутствие напряжения на 10-м проводе, по причине: К.З. на 10-м проводе
в следствии чего, отключаются А-56 или перегорают П 1 на всём поезде.(Рис.4)
1. Напряжения нет: а) отключает ВУД 2,(Рис.4а)
б) высаживает пассажиров из поезда,
в) докладывает ДЦХ.
ВУД 2 отключаем для того, что при включённом ВУД 2 и переходе на КРУ произойдёт закрытие дверей при высадке пассажиров из вагонов, что может привести к травмированию пассажиров. (Рис.5)
г) переходим на КРУ, с отключённым ВУД 2 (Рис.4а),
д) по сигналу деж. по станции, после высадки пассажиров,
закрывает двери ВУД 2 и уезжает от КРУ (Рис.5).
2. Напряжение есть .
Действия машиниста: Проверить положение А-21.
4.
I . А-21 — Отключён (выбит) Рис.5а.
Отключение ( промежуточное положение ) А-21 происходит по причине:
К.З. на а) 16-м поездном проводе ( Рис.5а ).
б) проводе ,, д 1 ‘’
в) проводе ,, д ‘’.
1. Действия машиниста:
1.1. Отключает ВУД 2, (Рис.6)
1.2. Восстанавливает ( отключает, а затем включает ) А-21 .
I . I . А-21 не отключается :
Вывод: – К.З. на 16 поездном проводе ( Рис.6 ).
( К.З. бывает кратковременное или глухое).
2. Действия машиниста:
2.1. Включает ВУД 2. (Рис.1) I . I . I . Двери закрылись – продолжаем работу (К.З. кратковременное ).
I . I . II . Двери не закрылись – Вновь отключился А-21.
(Глухое К.З. на 16 поездном проводе) Рис.5а
3. Действия машиниста:
1. Отключает ВУД 2,
2. Восстанавливает А-21, ( Рис.6 )
3. Высаживает пассажиров из поезда,
4. Докладывает ДЦХ о характере неисправности и дальнейших
действиях.
5. Закрывает двери от КРЗД. (Рис.7 ) по цепи:
+Б, П11, П1, 10-й провод, А 56, А-21, провод ,,Д’’, кулачёк ,,Д’’, провод ,,Д1’’,
КРЗД, 12-й поездной провод, СК 2, и в каждом вагоне А-12, вагонный 12-й
провод, диодная развязка, катушки ДВР ,,В №1’’ и ,,В №2’’, земля.
Следуем в депо.

I . II . А-21 при его включении, вновь отключается (выбивает) в руках,
при отключённом ВУД 2.
Причина: Глухое К.З. на проводах, либо ,,Д’’ (Рис.8), либо ,,Д1’’(Рис.9).
1. Действия машиниста:
а) затормозить состав 1-ой ступенью торможения,
б) перекрыть кран ЭПК, отключает тумблер АРС,
Для определения на каком из двух проводов ,,Д’’ или ,,Д1’’ К.З.
в) машинист переводит реверсивную ручку в ,,0’’ (Рис.10)
г) включает (восстанавливает) А-21.(Рис.11)
I . II . I . А-21 вновь отключился ( выбит ).
Причина: К.З. на проводе ,, Д ’’(Рис.10)
1. Действия машиниста:
а) высаживает пассажиров из поезда,
б) докладывает ДЦХ,
в) переходит на КРУ, (Рис.4а, стр.5.)
г) закрывает двери по сигналу деж. по станции от ВУД 2 (Рис.5 стр.5)
д) переходит на основной КВ.
Следует в депо.
I . II . II . А-21 при его включении не отключился (не выбивает).
Причина: глухое К.З. на проводе ,, Д1’’. (Рис.11)
Действия машиниста:
а) высаживает пассажиров из поезда,
б) докладывает ДЦХ о К.З. на проводе ,, Д1’’ и
в) о закрытии дверей из хвостовой кабины.
г) приводит кабину в нерабочее положение,
д) берёт головной вагон на стояночный тормоз,
е) проверяет отключённое положение ВУД 2 ,
ж) закрывает кабину головного вагона на 3-х гранку и направляется
в кабину управления хвостового вагона,
Если в головной кабине будет включён ВУД 2, то из хвостовой кабины
двери в поезде не закроются, из-за отключения (cработки) А-21 при
включении ВУД 2 в хвостовой кабине по цепи:
+Б, ПА, П1,10-й поездной провод, А-21, ВУД 1, ВУД 2, 16-й поездной
провод хвостового вагона, СК 1, 16-й поездной провод головного вагона,
включённые ВУД 1, ВУД 2, провод ,,Д1’’, и К.З.
На проводе ,,Д1’’головного вагона К.З., отсюда, в хвостовой кабине
будет отключаться А-21. ( Рис.11 )
В хвостовом вагоне заходит в салон, открывает дверь кабины и заходит в неё.
В кабине хвостового вагона:
а) реверсивную ручку по ходу ,,НАЗАД’’,
б) после высадки пассажиров по сигналу дежурной по станции
закрывает двери в поезде от ВУД 2, (Рис. 12 )
Уходя из хвостового вагона, открывает кран ,,выключения дверей’’ раздвигает
двери, встаёт в дверном проёме, правую ногу устанавливает в упор открытой
дверной створки, закрывает кран ,,выключения дверей’’ и выходит из вагона.
В головной кабине:
и) снимает состав со стояночного тормоза,
к) приводит кабину в рабочее положение,
л) по разрешающему сигналу выходного светофора приводит
поезд в движение.

C ледует в депо.
II . А-21 – Не отключён (не выбит).
Причина: Неисправность:
а) ВУД 2 ( в большей степени ) рис.13.
б) кулачка ,,Д’’ ( в меньшей степени ) рис.14.
Отказ в работе ВУД 2 может произойти из-за нечёткой работы включающей
пружины, в следствии чего, появляется воздушный зазор, т.е. отсутствие
электрического контакта.
Отказ в работе кулачка ,,Д’’ может произойти из-за излома включающей
пружины.
Действия машиниста:
а) Высаживает пассажиров,
б) Докладывает ДЦХ,
в) После высадки пассажиров по сигналу дежурной по станции
I . Закрывает двери от КРЗД – если двери закрылись, следует в депо.
( Неисправность ВУД 2 )
II . Двери от КРЗД не закрылись.

Причина: неисправность кулачка ,,Д’’ (Рис.14)
Действия машиниста:
а) Переходит на КРУ, (См. Стр.5, 1-й обзац),
б) Включает ВУД 2, закрывает двери (рис.15).
в) Переходит на управление от основного контроллера
Следует в депо
| Двери не открываются в поезде. |
Причины:
1. Неисправность кнопки,
2. ППД в ненадлежащем положении,
3. Нет напряжения на 10-м проводе, 
| Открывает двери от второй импульсной кнопки. |
4. Отключён (выбит) А-21,
5. Неисправность кулачка Д.
| Двери открылись. |
| Неисправную первую кнопку закрываем флажком |
| Работаем от 2-й кнопки до планового отстоя. |
| Двери не открылись. |
| Первая кнопка исправна. |
| Проверить положение ППД ( переключателя положения дверей.) |
| Откр. двери в ручную |
| А-21 не выбивает, (К.З. на Д1) |
| А-21 вновь выбило. К.З. глухое на 31 пр. |
| Открываем двери |
| А-21 не выбивает ( на проводах Д и Д1 К.З. нет ) |
| а) открываем двери, б) высаживаем пасс-ров, в) докладываем ДЦХ, г) закрываем двери, д) уезжаем от КРУ. |
| Переходим на КРУ |
| ППД ,,двери слева ’’ |
| ППД ,,двери справа ’’ |
| Переключить на ,,двери слева’’ и открыть двери. |
| Двери не открылись |
| Открываем двери из хвостовой кабины. |
| Продолжаем работу. |
| Кратковременное К.З. на 31 поездном проводе. |
| Двери открылись |
| а) Переходим на КРУ, б) открываем двери, в) докладываем ДЦХ, г) высаживаем пасс-ров, д) закрываем двери, е) уезжаем от осн. КВ. |
| А-21 вновь выбивает К.З. либо на проводе Д, либо на проводе Д1. |
| Проверить положение А-21 |
| Напряжения нет |
| Проверить норму напряжения на 10-м проводе. проводе. |
| Включаем А-21 |
| Неисправность кулачка Д |
| А-21 отключён ( выбит ) |
| А-21 включён (не выбит) |
| Напряжение есть |
| Реверсивную ручку в 0 |
| Включаем А-21 |
| А-21 вновь выбивает ( К.З. на проводе ,,Д’’) Открываем двери от КРУ. |

| А-21 вновь выбивает ( К.З. на Д ) открываем двери от КРУ. |
После отключения ВУД 2 и нажатии импульсной кнопки ,, открытия левых дверей ’’ КДЛ, двери открываются по цепи: (Рис.1)
+Б, ПА, П1, 10-й поездной провод, А 21, провод ,,Д’’, кулачёк реверсора Д, провод ,,Д1’’, ППД, импульсная кнопка КДЛ, 31-й поездной провод, СК 2, и в каждом вагоне А-31, В №1 ,,земля ‘’.
I .
После нажатия импульсной кнопки КДЛ, двери в поезде не открылись по
причине: неисправности импульсной кнопки КДЛ. (Рис. 2)
Действия машиниста:
Нажимает вторую импульсную кнопку КДЛ.(Рис.3)
Двери в поезде:
а) Открылись – Неисправную кнопку закрывает на флажок.
Продолжает работу от второй кнопки КДЛ. (Рис. 3)
б) Не открылись -- Следовательно, первая кнопка исправна.
II .
Действия машиниста: Проверяет положение ,, переключателя
положения дверей ’’ (ППД).
а) ППД – в положении ,, двери справа ’’. ( Рис.4)
Переключатель в положении ,, двери справа ’’ может остаться после пред-
шествующей станции с платформой справой стороны или при самообороте на
промежуточной или конечной станции, где переходной мостик был справа.
Переключает ППД в положение ,, двери слева ’’и открывает двери.(Рис.1)
б) ППД – в положении ,, двери слева ’’.
III .
Действия машиниста : Проверяет норму напряжения на 10 проводе.
а) Напряжение – Нет. (Рис.5)
Отсутствие напряжения на 10-м проводе по причине: К.З. на 10-м проводе,
в следствии этого, отключаются А-56 или перегорают П1 на всём поезде.
Действия машиниста:
1) Переходит на КРУ, (Рис.6)
2) Открывает двери,
3) Высаживает пассажиров,
4) Закрывает двери, по сигналу дежурной по станции,
5) Уезжает от КРУ.
б) Напряжение – Есть.
Действие машиниста:
Проверить положение А-21.
а) А-21 – отключён (выбит) (Рис.8)

Причина отключения А-21 – К.З. на проводах:
а) либо на Д,
б) либо на Д1,
в) либо на 31-м поездном проводе.

В момент нажатия импульсной кнопки (КДЛ), при наличии К.З. на
31-м поездном проводе (Рис.7), отключился А-21 (Рис.8)

В электрических цепях К.З. бывает: а) кратковременное или
б) глухое (постоянное).
Действие машиниста: Включает (восстанавливает) А-21.
I . А-21 -- не отключается, т.е. на проводах Д и Д1 К.З. нет.
Следовательно, К.З. на 31-м поездном проводе. (Рис.7 и 8),
