② Лампа предупреждения о слишком высокой температуре воды(-H2)
(3) Электроприборы в кабине управления

а. Описание электроприборов в кабине управления (см. карту 4-1)
A)- дисплей (карта 4-2):систематично показывает обстановки работы и безопасности.
B)- правое устройство управления (карта 4-3): контроль за состояние работы
C) –левое устройство управления (карта 4-4): контроль за состояние безопасности
D)-панель управления(карта 4-5): логический управляющий элемент
E)-плавкий предохранитель: 15-ый
a)-стеклоочиститель
b)-потолочная лампа
c)-вентилятор
d)-главный мотор ограничителя момента
e)-выборочный выключатель вспомогательной лебедки (по желанию)
b, Описание дисплея

(1)дисплей ограничителя момента (см. «Инструкция по эксплуатацию ограничителя момента»)
(2)указательная лампа питания
(3) лампа предупреждения о слишком низком давлении машинного масла
(4) лампа предупреждения о слишком высокой температуре воды
(5) лампа предупреждения о перегрузке передней выносной опоры
(6) лампа предупреждения о затворе гидравлического маслофильтра
(7) указательная лампа передней области
(8) лампа предупреждения о том, что стальные кабели свернуты скоро до конца
(9) лампа предупреждения о том, что стальные кабели развернуты скоро до конца
(10) лампа указание давления системы
(11) лампа указание выдвижения 4-ого и 5-ого сегмента стрелы
(12) лампа указание свободного вращения
(13) лампа указание изменения амплитуды
(14) лампа указание телескопического состояния
(15) лампа указание применения пятой выносной опоры
c. Описание правого устройства управления
17

S17- выключатель свободного разбега оборот
S16-выключатель давления системы
S18、S19- переключатель телескопического состояния и изменения амплитуды
S5- выключатель лампы предупреждения (по желанию) S9- выключатель охлаждающего вентилятора
S6- выключатель стеклоочистителя
S1- выключатель лампы указания высоты
S3- выключатель лампы работы
S7-выключатель вентилятора
S4- выключатель освещения (приборов)
S0- замок зажигания
R0-закуриватель
S22-выключатель применения пятой выносной опоры (по желанию)
S27-стеклоочититель для потолочного окна (по желанию)
d, Описание левого устройства управления
18

S11-выключатель устранения ограничения поворота
S14, S15-выключатель давления системы
S13-выключатель свободного разбега оборот
S12-выключатель устранения ограничения поворота
S21- выключатель устранение предупреждения о том, что стальные кабели развернуты до конца
S20- выключатель устранения перегрузки
S23- выключатель подогрева (по желанию, для тепляка)
S24-выключатель зажигания (по желанию, для тепляка)
S25-выключатель подачи масла (по желанию, для тепляка)
S26- выключатель гудка
19
e. Описание реле

Реле К0 (тип JQ201S-PL0): контроль за электросистему
Реле К2 (тип JQ202S-КL0): контроль за ограничение поворота
Реле К3 (тип JQ202S-КL0): контроль за гудок
Реле К5 (тип JQ202S-КL0): контроль за перегрузку
Реле К10,К9 (тип JQ202S-КL0): контроль за переднюю область
Реле К6 (тип JS157): контроль за предупреждение о том, что стальные кабели свернуты до конца
Реле К7 (тип JS157): контроль за предупреждение о том, что стальные кабели развернуты до конца
Реле К8 (тип JS157): контроль за предупреждение о передней области
Реле К1 (тип 67147):контроль за свободный поворот
Реле К4 (тип 67147):контроль за замену стрелы
Зуммер В2 (тип FM-24V): предупреждение о том, что стальные кабели свернуты или развернуты до конца
Зуммер В3 (тип FM-24V): предупреждение о передней области
(4) Инструкция по эксплуатацию
a. необходимо поставить рукоятки всех устройств управления на среднее положение перед включением главного питания
b, к автокрану укомплектован выключатель устранения перегрузки(S20). Осторожно пользоваться этим выключателем при перегрузке. В общем нет необходимости пользоваться этим выключателем
c. Необходимо тщательно прочитать «инструкцию по эксплуатацию ограничителя момента» перед работой.
20
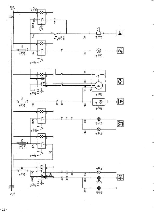
(5) Схема электроаппаратов

21

22

23

24

25
26

27
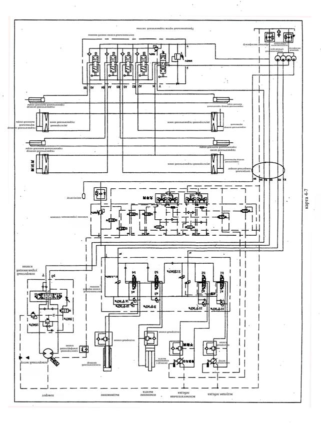
4.2 Описание гидравлической системы
Гидравлическая система автокрана типа QY 25К применяет систему переменного аксиально-поршневого мотора с открытым дозаторным насосом, в состав которого входят четырехсекционный зубчатый насос и аксиально-поршневой мотор с наклонным цилиндровым блоком. Распределена на 2 части: гидравлическая система верхней машины и гидравлическая система нижней машины
(1) Гидравлическая система нижней машины
Зубчатый насос с литражом 32 ml/r дает давление маслоканала нижней машины. Давление переливного клапана 20 МРа. Применяется ручной многоканальный переводный клапан для контроля направления движения горизонтальной и вертикальной выносных опор. Можно осуществить работу в обеих сторонах рамы. Клиент может сделать выбор по конкретной обстановке. 4 горизонтальных или вертикальных выносных опор могут отдельно или одновременно выдвигаться. Многоканальный переводный клапан нового типа с клапаном ограничения давления способен эффективно предохранить поршневой стержень горизонтального цилиндра от изгиба. При цилиндрах у 4 вертикальных выносных опор установлены двухсторонние гидравлические замки для предохранения того, что поршневой стержень вертикального цилиндра может свернуть при подъемной работе или самостоятельно выдвигаться при движении автокрана.
(2) Гидравлическая система верхней машины
Контрольная система гидравлического многоканального переводного клапана, главный управляющий клапан которого является чувствительным пропорциональным нагрузочным многоканальным переводным клапаном. К каждому переводному клапану укомплектован вибростойкий клапан, в то же время ведущий и вспомогательный механизмы с противогазовым клапаном. Клапан с гидроусилителем применяет импортный пропорциональный редукционный клапан. Величина углов перемены рукоятки клапана с гидроусилителем прямо пропорционально выходному давлению, а величина перемещения золотника тоже прямо пропорционально выходному давлению клапана с гидроусилителем, так что целая машина обладает лучшим свойством по медленному перемещению. В то же время при действии чувствительного нагрузочного клапана скорость движения исполнительных элементов не имеет отношение к нагрузке, что уменьшает трудность операции и облегчает интенсивность труда. Применение переменного мотора как подъемный механизм дает целой машине такое достоинство: легкая нагрузка с высокой скоростью и тяжелая нагрузка с нижней скоростью.
а. Описание подъемного маслоканала
Максимальный литраж насоса: 82ml/r, литраж переменного мотора: 55 ml/r.
Подъемный маслоканал применяет нормально-замкнутный подъемный тормоз. Когда работает клапан с гидроусилителем, управляющий ведущим механизмом, управляющее масло выходит из клапана с гидроусилителем и делает гидравлический переводный клапан изменить направление через челночный клапан, в то же время выводное из насоса с гидроусилителем напорное масло(3МРа) включает подъемный тормоз через гидравлический переводный клапан, таким образом, осуществляется нормальная подъемная работа.
Когда управляющий клапан с гидроусилителем возвращается на среднее положение, напорное масло управляющего маслоканала втекает из управляющего клапана с гидроусилителем в бак, гидравлический переводный клапан возвращается на начальное положение под действием возвратной пружины, а напорное масло в подъемном тормозе утекает в бак через гидравлический переводный клапан, тормоз действует с помощью пружины.
b, Описание возвратного маслоканала
Максимальный литраж насоса: 32ml/r, литраж дозаторного аксиально-поршневого мотора: 55 ml/r.
28
Электромагнитный клапан контролирует включением поворотным тормозом. Когда у электромагнитного клапана нет электричества, тормоз выключается, в противном случае тормоз включается под действием
напорного масла. Поэтому при поворотной работе, оператор обязан нажить кнопку выключателяS11(всего 3) в русле управляющего клапана с гидроусилителем, управляющего поворотным движением.
Главный возвратный маслоканал обладает функцией свободного разбега оборот. Когда стрела подвергает боковой тяге при подъемной работе, нажмите любую кнопку выключателя из S13 и S17, и поворотная плита сама урегулирует, чтобы плоскость, на которой осевой провод, находилась над центром тяжести нагрузки. Таким образом, предохраняет изгиб и излом стрелы из-за боковой тяги.
c, Описание маслоканала с изменяемым вылетом
Максимальный литраж насоса: 50 ml/r.
Максимальное давление системы установлено в 8МРа при спускании с изменением вылета. В таком положении для плавной или надежной остановки установлен подпорный клапан в маслоканале. Проектирован специальный декомпрессионный маслоканал переводного клапана для подачи устойчивого сигнала давления ограничителю момента.
d. Описание телескопического маслоканала
Максимальный литраж насоса: 50 ml/r.
Имеются 4 сегментов основных стрел. Один телескопический цилиндр вместе со вторым, третьим и четвертым сегментами стрел одновременно выдвигаются. Для предохранения изгиба поршневого дышла из-за слишком высокого давления установлено давление клапана ограничения давления в размере 14МРа. Для плавной или надежной остановки установлен подпорный клапан в маслоканале.
e. Описание управляющего маслоканала
Зубчатый насос с литражом 8 ml/r дает давление управляющего маслоканала с гидроусилителем, давление переливного клапана 3 МРа.
Установлен электромагнитный клапан для контроля маслоснабжением. Только при наличии электричества у этого клапана, все исполнительные механизмы могут действовать, в противном случае не действовать.
Установлен разгрузочный электромагнитный клапан, контролированный ограничителем момента. Когда величина нагрузочного момента ровна или больше номинальной величины, у электромагнитного клапана возникает электричество, все действия, которые могут усилить момент, не могут выполниться
Установлен троекруговой предохранительный электромагнитный клапан, у которого будет возникать электричество, когда у ведущего и вспомогательного подъемных барабанов осталось 3 круга стального кабеля. В это время стальные кабели не могут дальше спуститься.
Поворотный механизм и вспомогательный механизм вместе пользуются одним управляющим клапаном с гидроусилителем(на левом подлокотнике сидения). Толкать рукоятку вперед, вспомогательный подъемный крюк спускается; Толкать рукоятку назад, вспомогательный подъемный крюк поднимается; Толкать рукоятку налево, поворотная плита поворачивается налево; Толкать рукоятку направо, поворотная плита поворачивается направо.
Телескопический механизм и ведущий механизм вместе пользуются одним управляющим клапаном с гидроусилителем(на правом подлокотнике сидения). Толкать рукоятку вперед, ведущий подъемный крюк спускается; Толкать рукоятку назад, ведущий подъемный крюк поднимается; Толкать рукоятку налево, собирается; Толкать рукоятку направо, расширяется.
(3) Технические параметры
Рабочее давление главного маслоканала: 21МРа (установленное давление переливных клапанов см. ориентированные величины в принципиальном чертеже)
29
Емкость бака: 397 л.
Точность приемного маслофильтра: 180 µ
Точность обратного маслофильтра: 20 µ
Точность маслофильтра управляющего маслоканала: 10 µ
Марка гидравлического масла:
Окружающая температура ≥5℃ , L-HM46
Окружающая температура -15℃ --- 5℃ , L-HM32
Окружающая температура -15℃ --- -30℃ , L-HV 22
Окружающая температура < -30℃, авиационное гидравлическое масло №10
30

31
4.3 Включение двигателя и операция по механизму отбора мощности
(1) Пункты, требующие особого внимания при операции
Перед включением механизма отбора мощности обратите внимание на то, что все рукоятки управления в кабине управления находятся на среднем положении.
(2) Порядок операции по включению механизма отбора мощности в следующей таблице:
| п/п | Графемика | Порядок операции |
| 1 | Дать тормоз остановки в тормозное состояние | |
| 2 | Утвердить, что выключатели переводного рычага и механизма отбора мощности находятся в среднем положении (положении выключения) | |
| 3 | Вертеть выключатель шасси и включить двигатель, в холодные дни перед включением необходимо подогревать двигатель. | |
| 4 | Нажать на педаль конуса до конца | |
| 5 | Включить механизм отбора мощности | |
| 6 | Медленно опустить педаль конуса |
Вот и конец подготовки к работе автокрана. Зимой после включения двигателя необходимо сначала работать холостым ходом примерно 15-20 минут для удобного повышения температуры.
(3) Порядок операции по выключению механизма отбора мощности в следующей таблице:
| п/п | Графемика | Порядок операции |
| 1 | Нажать на педаль конуса до конца | |
| 2 | Выключить механизм отбора мощности | |
| 3 | Опустить педаль конуса | |
| 4 | Выключить двигатель | |
| 5 | Вертеть выключатель шасси на положение «выключение». |
Вот и автокран находится в нерабочем состоянии.
Внимание: после включения механизма отбора мощности можно включить двигатель в кабине управления верхней машины с помощью замки зажигания и выключить с помощью выключателя погасания.
32
4.4 Операция выносной опоры 10.3

| Особые замечание: 1. Перед выдвижение опоры надо снять штырь замок. 2. поставить грузоподъемную машину на твердого и ровного поверхности земли. 3. Колеса должны поднятся от земли. 4. Кран должен установить горизонтально к твердому площадку , если грунт мягкий , рыхлый то надо подставки деревянные , чтобы кран был горизонтально установлен. 5. Когда кран установлен , обязательно каждая опора должно закрепиться так чтобы не было уклон во излежание опоссности. 6. если опора полностью не выдвинута то кран нельзя эксплатировать. 7. Когда опору надо обратно поставить на место , то штырь замоок должно вставляется свободно. 8. Растояние опоров 4.8Х6.0m |
(1) Наименование частей выносной опоры

33
(2) Рычаг управления выносной опоры

Внимание:
а. Применить выборочный рычаг управления для выбора маслоканала телескопического цилиндра выносной опоры или маслоканала подъемного цилиндра выносной опоры.
* После выполнения операции необходимо сразу толкать выборочный рычаг управления на среднее положение. Кроме того, обязательно необходимо до начала работы утвердить, что выборочный рычаг управления действительно находится на среднем положении.
b, Толкать рычаг управления №1 маслоканала телескопического цилиндра выносной опоры или маслоканала подъемного цилиндра выносной опоры, можно осуществить выдвижение маслоканала телескопического цилиндра выносной опоры или маслоканала подъемного цилиндра выносной опоры.

34
(3) Расширить и собрать горизонтальные выносные опоры
Дать рычаг управления №2,3,4, 5 на положение телескопического цилиндра выносной опоры, потом толкать рычаг управления №1 на положение расширения, то 4 горизонтальных выносных опор одновременно расширяются. После полного расширения толкать все рычаги управления на среднее положение. При собирании горизонтальных выносных опор порядок работы подготовки одинаковый, только еще нужно толкать рычаг управления №1 на положение собирания.
(4)Расширить и собрать вертикальные выносные опоры
Дать рычаг управления №2,3,4, 5 на положение подъемного цилиндра выносной опоры, потом толкать рычаг управления №1 на положение расширения, то 4 вертикальных выносных опор одновременно расширяются. После того, как поднялся корпус машины и все шины покидают землю, толкать все рычаги управления на среднее положение. При собирании вертикальных выносных опор порядок работы подготовки одинаковый, только еще нужно толкать рычаг управления №1 на положение собирания.
(5) Урегулировать автокран в горизонтальное состояние
В случае, если после расширения выносных опор автокран еще не горизонтальный, урегулировать его в горизонтальное состояние последующему порядку:
Например: когда правая часть автокрана высоковата,

а. Толкать передний левый рычаг№2 и задний левый рычаг №4 из выборочных рычагов управления на среднее положение.

Внимание: не толкать рычаг управления на положение «подъемный цилиндр выносной опоры» по неосторожности.
b. Медленно толкать рычаг управления №1 «телескопический цилиндр выносной опоры или подъемный цилиндр выносной опоры» на сторону «собирание», одновременно тщательно наблюдать ватерпас

c. Когда будет горизонтальным ватерпас, сразу толкать все выборочные рычаги управления на среднее положение.
Внимание: необходимо обеспечить, что все шины автокрана покинули землю, а каждое шасси выносной опоры действительно держит контакт с землей. 35
4.5 Операция газа
С помощью статического масляного давления осуществить ускорение или замедление. При нажатии на педаль газа верхней машины можно ускорить движение поворотного механизма, выдвижения стрелы и подъемного механизма.
Данная педаль находится на правой стороне пола кабины управления (см. карту 4-10).

4.6 Операция по подъемному механизму
| Прииечание при управление: 1. Только вертикальный подъем , нельзя подтаскивать по зеиле. 2. Нельзя рывками управлять рукояткой. 3. Перед подьемои , убедиться , что подъемный механизм исправный и работают исправно. |
(1) Рукоятка управления ведущего механизма(2):
Толкать рукоятку вперед, крюк спускается; Толкать рукоятку назад, крюк поднимается. Рукоятка управления(2) и газ урегулируют скорость движения.
(2) Рукоятка управления вспомогательного механизма(3):
Толкать рукоятку вперед, крюк спускается; Толкать рукоятку назад, крюк поднимается. Рукоятка управления(2) и газ урегулируют скорость движения.
Внимание: Для предохранения боковой тяги при подъеме, при управлении рычагом управления ведущего подъемного механизма нажмите мгновенный выключатель свободного поворота(S17), чтобы ведущая подъемная стрела мог свободно поворачивать и урегулировать в соответствие с центром тяжести нагрузки. После отрыва нагрузки от земли можно опустить выключатель(S17).
36
4.7 Операция по выдвижению ведущей подъемной стрелы

| Примечание: Во время выхода и захода стрелы , возможно незначительная изменение , стрелы. По этому на , определенной высоте , через некоторое время происходит изменеиие температуры в гидросистеме появляются незначительное изменение стрелы. Например: 1. во время выхода стрелы на 5 м , при температуры ниже 10℃ , задерживается выход на чо мм. 2. Так как влияние естественных условий изменяя температуры масла , происходит незначительные изменение стрелы , что приносит незначительные неудобства , при управление:позтому (1) Не допускать превышение температуры масла . (2) Еели случилось произвольное сокращение , надо привсти стрелу к в норму. 3. Нельзя подтягиватьгруз , поднимать только вертикально. |
Рукоятка управления выдвижением(2)
Толкать рукоятку управления налево, стрела расширяется, толкать направо—собирается. Рукоятка управления(2) и газ урегулируют скорость.
| Примеча: 1. Только вертикальный подъем , запрещается подтягивать по земле груз стрелой. 2. Нельзя поднимать стрелу выше ограиичнтеля угла. (нарушение) 3. При начале и конце и другие изменение действия нужю медленым движеиием управлять рукоядкой. |
37
Рукоятка управления амплитудой ведущей стрелы(2)
Нажать выключатель S18, толкать рукоятку(2) направо, стрела спускается, налево—поднимается. Рукоятка управления и газ урегулируют скорость.
2) Связь между тяжести груза и укол наклона основной стрелы при опускание стрелы увеличивается радиус , то уменшается грузоподъемность , при подъема стрелы уменшается радиус , то увеличивается грузоподъемность.
| При мечание:1. Только можно вертикальньий подъем нельзя подтаскивать груз. 2. Перед управлеиие , убедиться что опоры установлены на растояние соотвествующий требованию. 3. Необходимо иметь свободное движеиие. 4. При начале , конце и другие действия , нугжо медленно двигать рукоять управления. 5. Когда не поварачиваем , надо поставить на тормозное устройство. 6. Перед начало поворота , отпустить тормозное устройство. |
Рукоятка управления поворотного механизма(3)
Перед выполнением поворотной работы необходимо сначала опустить механический замок(4) и нажать выключатель (S11) . Толкать рукоятку(3) направо, поворотная плита поворачивается направо, налево—поворачивается налево.
4.10 Описание бирки
(1) Шильдик
Шильдик находится на внешней стороне двери кабины управления (см. карту 4-11)
В содержание шильдика входят наименование, тип, номинальная грузоподъемность автокрана, дата выпуска, наименование завода и т.д.
(2) Бирка подъемного свойства
Бирка подъемного свойства находится в кабине управления (см. карту 4-11)
В содержание бирки подъемного свойства входят таблица номинальной грузоподъемности автокрана QY25K, гарможка подъемной высоты автокрана QY25K и чертеж распределения рабочего диапазона автокрана QY25K.
Для каждой рабочей амплитуды имеется соответствующая грузоподъемность и подъемная высота в таблице подъемного свойства. Перед подъемной работой оператор обязан ознакомиться с весом и рабочей областью и выбирать соответственное рабочее состояние. Строго воспрещается работать не по таблице.
38

(3)Бирка показателя амплитуды (карта 4-12)
Бирка показателя амплитуды находится на боковой стороне стрелы. При подъемной работе показатель амплитуды способен показать величины амплитуды при разной длине стрелы и разном угле возвышения. Можно определить допущенные весы подъемной нагрузки и подъемную высоту с учетом бирки подъемного свойства.

39
5.1 Вспомогательная стрела

| 1. Обязательно поставить совершенно вытянувшие отпорные ноги твёрдо. 2.Не следует стоять на направления высовывания вспомогательного плеча. 3.Перед началом сборки и хранения вспомогательного плеча, следует обеспечить достаточное операционное время. 4.Кроме того, следующие пункты строго запрещаются, а то вспомогательное плечо может испортиться. Надо собрать и хранить вспомагательное плечо по данного руководству : a. Провести операцию спуск плеца при касании вспомогательного крюка к вершине вспомогательного плеча. b. После вытаскивания чеки для крепления вспомогательного плеча с бока ведущего плеча, не следует эксплуатировать и водить кран. с. При монтаже и собрании вспомогательной стрелы слишком быстро расширить стрелу вперед и собрать стрелу назад. 5. Во время необходимой работы на большой высотепри сборки и хранении вспомогательного плеча, следует использовать лестницу для обеспечения безопасности. |
Описание монтажа и применения вспомогательной стрелы:
У вспомогательной стрелы конструкция треугольной фермы, которая обладает такими достоинствами, как простая конструкция, легкость, удобность при монтаже и т.д. Теперь объясним по монтажу и применению в следующем:
(1) Необходимо применить настоящую вспомогательную стрелу при полном расширении выносных опор стрелы.
(2) Монтаж вспомогательной стрелы
a, Полно собрать ведущую стрелу и спустить ее на заднюю боковую сторону автокрана.
b, Удалить бурсок от вспомогательной стрелы ряда 1, крутить вокруг бурсока ряда 2 для того, чтобы навести отверстие для нагеля вспомогательной стрелы на отверстие для нагеля ведущей стрелы, вставить бурсок А.
c, Удалить бурсок ряда 2, крутить целую вспомогательную стрелу вокруг бурсока А для того, чтобы навести отверстие для соединения вспомогательной стрелы на отверстие для соединения ведущей стрелы, вставить другой бурсок А. В это время длина вспомогательной стрелы 8.15 м.
d, Раскинуть обойму блока и вынуть стальные кабели из блока в головной части вспомогательной стрелы.
e, Продеть стальные кабели через обойму блока и блок в головной части вспомогательной стрелы
f, Включить питание для выключателя подъемного ограничения вспомогательной стрелы, вставить штепсель вспомогательной стрелы и установить присоединительную коробку в головной части телескопической стрелы в порядок, установить деталь задевания выключателя подъемного ограничения
g, Вынуть крюк из обоймы вспомогательного крюка и установить его.
(3) Угол 15° и 30°
Сначала установить вспомогательную стрелу с углом 0°по (1), потом спустить стрелу до того, что голова вспомогательной стрелы тронула землю. Удалить бурсок В, вставить его в отверстие угла 15° или 30°и укрепить (см. карту 5-4, 5-5).
Вот и вспомогательная стрела в порядке, Теперь можно пользоваться им.
(4)Демонтаж вспомогательной стрелы.
После пользования можно демонтировать вспомогательную стрелу по противному порядку и
укрепить ее направо ведущей стрелы (см. карту 5-6).
Вот и вспомогательная стрела находится в полном собранном состоянии.
42




46

7

48
5.2. Вращательная опора
(1) Основная конструкция
Конструкция вращательной опоры показана на рис.4-5.
Вращательная опора является не только опорным аппаратом всей вращательной части крана, но и узлом, соединяющим верхним кузовом крана к шасси. Внутреннее кольцо вращательной опоры посредством 60 болтов2(M27), находящихся на одной окружности, фиксируется к нижней части вращающего диска верхнего кузова крана. Внешнее кольцо посредством 60 болтов1(M27), находящихся на одной окружности, фиксируется к нижнему кузову крана.
(2) Пункты, требующие особого внимания при эксплуатации
. Вращательных болтов изготовятся с применением материалы 42CrMo, не следует заменить простыми болтами.
. Крутильный момент болта—1172N.m. Нужно всесторонно проверять силу кручения болта, после работы вращательной опоры на 100 часов, затем всесторонне проверять их через каждые 500 часов.
В обычном состоянии, надо смазывать через каждые 100 часов. Вливать тавот кальциевого радикала(ZG-3) в заливную дыру, каждый раз следует долить до того, чтобы тавот просочился через герметическую закупорку.
d. Следует наблюдать изменения шума и гироскопического момента сопротивления при эксплуатации. Надо демонтировать и проверять немедленно во время появления необыкновенного состояния.
е. Следует очистить от пыли и грязи зубцы через каждые 10 дней работы. Нужно снова намазать смазкой.

49
5.3 Ведущий и вспомогательный крюк
(1) Основная конструкция
Конструкция ведущего крюка см. карту 5-8, конструкция вспомогательного крюка см. карту 5-9.
(2) Проверка перед применением
Крюк забракован при любом из следующих случаев:
, На поверхности крюка появилась трещина и пролом.
, Величина ширины зева крюка выше 10% номинального размера (см. в бирке ведущего и вспомогательного крюка)
с. Величина износа опасного сечения выше 10% номинального размера.
d, Величина износа сечения вешание каната выше 5% номинальной высоты
e, Формоизменяемость и закрученность крюка выше 10°
f, С опасными сечениями хвоста крюка, резьбовой части крюка и жилой крюка возникает необратимая деформация.

50

51
52
Перемена коэффициента кратности стального троса
Условия операции: твёрдо поставить опорные ноги, вобрать плечо и повернуть на боковую сторону или заднюю сторону.
. Заставлять крюк на землю после спуска плеча.
. Демонтировать шибер троса на головке плеча и на крюке.
с. Демонтировать тяжёлый молот остановки хода троса со стального троса.
d. Демонтировать чехол троса.

(во время чётного числа) (во время нечётного числа)
е. При перемене коэффициента кратности стального троса, следует проводить операцию спуска крюка, одновременно вытащить стальной трос.

53
Примечание:
(1) Положение сборки тяжёлого молота остановки хода троса неодинаковы по чётному и нечётному числу коэффициента кратности.
(во время чётного числа) (во время нечётного числа)

смонтировать тяжёлый молот на ветку с чехлом троса
смонтировать тяжёлый молот на ветку в соседстве с веткой с чехлом троса
(2) Следует обратить внимание, чтобы тросы не намотались беспорядочно.
(3) Метод сборки чехла троса и держателя троса показывается в нижнем рис.
|
54
7.1 моментный выключатель положения
(1) принцип работы
Электронная вычислительная машина вычисляет радиус работы по длительности кабанчика, сигналу величины углов введенному разными генераторами. Именно по введенным генератором давления сигналу вычисляет ЭВМ силы вариоскопического цилиндра, вслед за ним вычисляет момент подъема. В конце концов, ЭВМ сравнивает его с максимальными силами, сохраняющимися в базе данных, потом манипулятор диктует соответствующие информации.
(2) функция безопасности
В том случае, когда момент подъема перегружает, силовой выключатель отрезает все маршруты, способствующие увеличению момента (протяжение、колебание внизу、подъем);сохраняются только маршруты, способствующие сокращению момента (втягивание、колебание вверх、спускание крюка).
(3) функция ограничения высоты (7-1)
Когда грузовой крюк подходит к блоку стрелы подъема(750mm), он будет заставить генератор длительности, электронная сопротивление которого составляет 4.7k,заземлять. После работы"корпуса"тот же постановляет протяжение и восхождение стрелка подъема. Вместе с тем силовой выключатель демонстрирует свет предупреждения.
(4) события внимания
а. Перед работой подъема надо тщательно прочитать реферат и полностью овладеть.
Несмотря на то, что у последовательного присоединения данной грузоподъемной машины есть силовой выключатель, существует и ответственность безопасного управления. Перед работой водитель должен более или менее узнавать вес висящих вещей, потом определить могут ли их поднимать в соответствии с графическими характеристиками. Силовой выключатель----очень важная установка данной машины, ни в коем случае не разрешают его выключать, уже не говоря о запрещенных движениях(например: протяжение с нагрузками).Силовой выключатель может эффективно действовать только в случае, когда положение нагрузки поставляют в соответствии с характеристическими графемиками перед работой.
7.2 Трое круговой предохранитель(7-1)
Когда рабочая поверхность автокрана немножко высокая, стальная кабель на барабанах может быть недостаточна для развертки до конца. Когда у барабанов осталось 3 круга стального кабеля, предохранитель действует, работа по спусканию автоматически перестала, в то же время зуммер прозвучит и загорается лампа предупреждения о том, что стальные кабели развернуты скоро до конца (см. карту 4-2) .

55
7.3 выключатель давления системы (см. карту 4-1)
Настоящее устройство безопасности предназначено для предохранения толкания рукояток управления по неосторожности при входе или выходе. Перед работой необходимо нажать выключатель (-S15,-S16) для создания давления, а то система не может работать.
7.4 Гидравлический предохранительный клапан
Предназначен для предохранения слишком высокого давления перегрузки. После пуска данного клапана остановлены все действия, дальше увеличивающие момент (расширение стрелы, изменения амплитуды вниз, подъем). Могут дальше продолжать те действия, которые уменьшают подъемный момент (собрание стрелы, изменения амплитуды вверх, спускание крюка).
7.5 Лампа предупреждения о затворе гидравлического маслофильтра
Когда с гидравлическим маслофильтром возникает затор, лампа предупреждения загорается. В это время необходимо перестать работу и продолжать ее после замены.
7.6 Показатель амплитуды
Показатель амплитуды способен показать величины амплитуды при разной длине стрелы и разном угле возвышения. Необходимо определить допущенные весы подъемной нагрузки с учетом «Таблицы подъемного свойства» и «Гармошка подъемного свойства» для предохранения перегрузки и повреждения.
56
8.1 Пункты, требующие особого внимания
Нижеследующие как основные пункты, требующие особого внимания при операции автокрана. Клиенты обязаны тщательно прочитать и понимать их для обеспечения безопасности работы.
| Номер | Графемика | События внимания | примечание |
| 1 | Удобно прочитайте раздел насчет запуска и прекращения двигателя данного пояснения | Проверка перед управлением | |
| 2 | В подготовительный этап проверяйте гидравлическое нефтяное положение, утверждая количество гидравлического масла, достигнут требуемого уровня. | ||
| 3 | Проверяйте каждые детали, утверждая все в порядке, если появляются ненормальные явления, надо вовремя, их устранять. | ||
| 4 | При рабочем состоянии автокрана воспрещается осуществить ремонт и проверки. | ||
| 5 | После запуска двигателя, медленно газуйте, пусть двигатель поднимает температуру полностью. | ||
| 6 | Перед тем как включить установку, нужно убедиться, что все рычаги управления находятся в нейтральном положении. | ||
| 7 | Для того, чтобы проверять каждые рычаги управления и актуаторы находятся ли в порядке.Будет неисправность ,надо вовремя его ремонтировать. | ||
| 8 | Надо провести предупрежденную проверку над функцией автоматического моментного выключителя по указанным положениям. | ||
| 9 | Проверяйте все остальные аппараты (например манометр),утверждая могут ли нормально поработать. | ||
| 10 | Включайте ключ источника тока и актуатор запуска в операторной перед использованием |
57
| Номер | графемика | События внимания | примечание |
| 11 | Обязательно необходимо осуществить подъемные работы при условии номинальной грузоподъемности. Строго воспрещается возникать такие явления, как перегрузки, боковая тяга, подъем нагрузки не по порядку, подъем грузы, закопанные или замерзнутые в земле. | во время подъемной работы | |
| 12 | Обычно не допускается пользоваться 2 или больше 2 автокранами для подъема одной грузы. При необходимости обратите внимание на то, что держать стальные кабели вертикальными, все автокраны должны синхронно осуществить подъемные работы. Нагрузка каждого автокрана не должна быть выше 80% своей номинальной грузоподъемности. | ||
| 13 | Во время рассчитывать употребряемые подъемные амплитуды,надо считаться с таким фактором,что в случае нагрузки,рабочая амплитуда увеличивается из-за изгиба основной стрелы. | ||
| 14 | Надо медленно управлять грузоподъемной машиной в начальном этапе. | ||
| 15 | При подъемной работе следует сосредоточить внимание, воспрещается озираться кругом и болтать с другими. Только действовать по сигналам указанного командира, но в любое время подчиниться всем сигналам стопа, выданным кем-нибудь. | ||
| 16 | При подъемной работе следует внимание наблюдать окружающее положение для предохранения аварии. При нахождении нагрузки в висячем состоянии оператору не следует покидать рабочий пост. |
58
| Номер | графемика | событиявнимания | примечание |
| 17 | Надо обратить внимание на температуру гидравлической нефти.Когда температура превышает 80 ℃,надо прекратить операцию.Емкость гидравлической нефти в нефтяном цилиндре и танке изменяется со температурой нефти.Если высокотемпературная гидравлическая нефть совершает протяжение,ненадолго после этого,кабанчик стихийно втягивает из-за спускания температуры.Для того ,чтобы возобновить прежную длительность,надо вовремя провести управление безопорной балки. | во время подъемной работы | |
| 18 | Надо обратить внимание на прогноз погоды: 1 Когда темп ветера превышает 10метр/cекунда,надо прекратить работу 2 Надо прекратить подъемную работу и собрать сохранить кабанчик в случае грозового электричества | ||
| 19 | Нельзя вытащивать нагрузку,которая еще не отрывает с земли,избегая боговой нагрузки | ||
| 20 | Лучше поставить грузоподъемную машину на упорном и ровном месте.(надо перекладывать прочные дрова под выносную опору на мягкой земле). | Управление выносной опоры | |
| 21 | После окончания урегулирования автокрана шины автокрана должны быть оторваны от земли. При урегулировании следует внимание наблюдать ватерпас. | ||
| 22 | Надо поставить выносную опору на определенные места,в то же время немного замкнута. |
| Номер | Графемика | событиевнимания | примечание |
| 23 | Нельзя провертывать управляемый рычаг подъемной структуры интенсивно. | Управление подъемными структурами | |
| 24 | При подъемной работе сначала поднять нагрузку так, чтобы расстояние нагрузки до земли было 150-200 мм, держать такое состояние 10 минут, проверять тормоз. Снова начинать подъемную работу после утверждения нормальности. Перед отрывом нагрузки от земли для подъема нагрузки только можно пользоваться крюком, а запрещается поднять или расширить стрелу. | ||
| 25 | Надо выбрать подходящее увеличение ваера по длительности кабанчика. | ||
| 26 | В случае,когда ваер виется или грузовой крюк вертит,надо сначала полностью его развертывать,только после того могут продолжать поднимать нагрузки. | ||
| 27 | Строго воспрещается спускать нагрузки с подъемной силой. Кроме того, запрещается резко управлять тормозом подъемного механизма. | ||
| 28 | В процессе опускания крюка,надо оставлять в крайней мере 3 круга ваера в барабане. | ||
| 29 | Надо полностью спускать грузовой крюк перед протяжением стрелы | управление протяжением и втягиванием кабанчика | |
| 30 | Пусть основная стрела полностью втягивает,утверждайте длительность основной стрелы действительно не выходит за рамки требуемого объема по значению предствленному длительностью основной стрелы автоматического моментного выключателя,после всех этих начинай протяжение стрелы. | ||
| 31 | Нельзя провертывать вариоскопический управляемый рычаг кабанчика интенсивно |
59
| Номер | Графемика | событиявнимания | примечание |
| 32 | В процессе провести поворотое управление,надо обратить внимание на то,что в поворотном регионе нет ничего препятствии. | Управление поворотной структурой | |
| 33 | Перед поворотным управлением,надо проверять предварительное положение обменного актуатора,который употребряется для свободной пробуксовки и замка в поворотной структуре. Нельзя сдвинуть актуатор в процессе поворотного управления. | ||
| 34 | Когда поворотая структура находится в положении свободной пробуксовки,надо обратить внимание на наклон поверхности、ветровой、инерцию и другие факторы действующие на свободную пробуксовку. | ||
| 35 | Нельзя провертывать рычаг поворотой управляемой структуры интенсивно. | ||
| 36 | Когда не провести поворотное управление,то пусть арретир находится в арретирном положении. | ||
| 37 | Выносная опора необходимо находиться в положении поностью протяжении. | Установка и настраивание вспомонательной стрелы | |
| 38 | Когда вертить вспомонательную стрелу,надо растягивать ее вспомогательным ваером или подобным средством и медленно вертить. | ||
| 39 | После установки вспомогательной стрелы,надо анастомозировать булавку выключателя высоты вспомогательной стрелы в боковой ботинок основной стрелы. | ||
| 40 | После отгивания палца крепления вспомонательной стрелы,нельзя двигать грузоподъемную машину,иначе вспомогательная стрела выпадет. | ||
| 41 | В процессе убирания вспомогательной стрелы,нельзя чрезвычайно вить вспомогательный подъемный ваер |
60
| Номер | Графемика | События внимания | примечание | ||
| 42 | Нельзя тот час провести управление спусканием стрелы только после настраивания наклона вспомонательной стрелы в30-0 градусов. | Установка и настраивание вспомонательной стрелы | |||
| 43 | Надо поднимать стрелу предварительно перед обментным управлением наклона вспомонательной стрелы,утверждая необходимую высоту от земли. | ||||
| 44 |
| Надо провести очередной осмотр над грузоподъемной машиной каждый месяц и каждый год. | Очередная защита и техническое обслуживание | ||
| 45 | Надо провести очередое отфильтровывать или обменять гидравлическое масло,сохранить оно все время находится в числом положении. | ||||
| 46 | Надо провести очередной обмен нигроха и других антизаедающих смазок. | ||||
| 47 |
| Надо прибавить периотически антизаедающую смазку для требуемого смазываемой точки и других поворотных,оползненных деталей. | |||
| 48 | Надо провести очередной обмен фильтроэлемента жироотстойников. | ||||
| 49 |
| Надо проверять гидралическое масло、нигрох и другие антизаедающие смазки и утверждать достигнут ли должного значения,если необходимо,то прибавить относительно. | |||
| 50 | Надо настраивать все детали в нормальное положение,не допускай появления поломки или взрыхления. | ||||
| 51 | Надо убирать грузовой крюк в должном месте. | движение | |||
| 52 | Надо поставить арретир поворотной структуры в положение прретирное. | ||||
| 53 | Выключайте установку отбора мощности. |
61
а. Обратите внимание на то,что не вейтесь в процессе поворачивания нового
ваера в барабан.
b. После монтажа новых стальных кабелей следует осуществить несколько раз пусковой операции автокрана с примерно 10% номинальной нагрузки.
c. Проверка и забраковывание стальных кабелей осуществляются по стандартам ГОСТ5972-1986
d. Если ваеры спутываются вместе,исправьте по нижесказанной мерой:
(1) Обращайте внимание на направление спутывания,отмечайте число витков с путывания.
(2) Спускайте грузовой крюк на землю (если грузовой крюк может спускаться,то спускайте кабанчик)
(3) Доставайте струбец с грузового крюка,по направлению спутывания ваера вейте его несколько кругов равный п разу спутывания(зависит от первой меры),потом зафиксируйте редьку в грузовом крюке.
Каждый раз его число не превысит пять кругов(включая пять кругов) п:увеличение
(4) Пусть кабанчик преставляет собой найбольший возвышенный угол,повторяйте подъем и выкатку несколько раз.
(5) Повторяйте вышесказанные меры до тех пор,когда появления спутывания ичезнут.
Если после принятия вышесказанной меры все еще появляют спутывания,по надо обменивать новые ваеры.
e. Надо приложить подходящие силы ваеру,когда вить первый круг на барабан.
f. Надо очередно менять кончину грузового крюка и барабана,чтобы длить длиетльность эксплуации.
g, Каждый рабочий день необходимо наблюдать и проверить все видные части стальных кабелей для своевременно обнаружения возможных повреждения и деформации. Особое внимание обратите на места укрепления стальных кабелей. Места, которые должны быть периодично проверены ведущим лицом, в следующем:
(1) Обычные места
Обычно следует проверить все места стальных кабелей, но особое внимание обратите на следующие места:
Два конца укрепления и движения стального кабеля
Часть стального кабеля, прошедшая через блок полиспаста и шкив.
(2) Место концов стального кабеля
Проверить внутренние части клинового соединения и концы стальных кабелей, обеспечить устойчивую закрепляемость соединения и петли кабели.
8.3 Внимание при урегулировании тягового троса
При пользовании клиента настоящей продукцией длина стального кабеля может изменяться из-за подвержения силам тяга при подъемной работе. Каждый месяц необходимо осуществить проверку и урегулирование по состоянию выдвижения стрелы. При обнаружении явления несинхронности или трясения необходимо немедленно урегулировать и можно дальше работать только после устранения данного явления. В противном случае будут случиться серьезные аварии из-за возможного излома или отрыв от рельса. Для нормальной работы продукции просим вас обязательно осуществить регулярное урегулирование! Метод урегулирования как в следующем: 62

При угле возвышения стрелы в 60°полно расширить все сегменты стрелы, потом полно собрать их, повторить такую операцию несколько раз. Полно собрать стрелы и спустить их, отдельно урегулировать гайки тонкого тягового тросаⅡ 4 сегментов стрелы и гайки тонкого тягового тросаⅠосновной стрелы, повторить такую операцию несколько раз до тех пор, пока не устранить несинхронности или трясения 2, 3, 4 сегментов стрелы. После этого завинтить гайки тонких тяговых тросов. При полном собрании стрелы, если промежуток между сегментами стрела на головной части стрелы больше 1-2 мм, напаивать подставку на головную часть стрелы. В противном случае может влиять тяговую силу, подверженную цилиндром и тяговым тросом.
Внимание: Во время урегулирования при трясении стрелы мазать смазкой контактную поверхность блоков между двумя сегментами стрелы.
63
|
9.1 гидравлическое масло
a отфильтровывание гидравлического масла или обмен периодической системы
|
|
|
Дата давания машин отфильтровывание или обмен маслами
Внимание:
(1) В любое время при обнаружении серьезного загрязнения гидравлического масла необходимо своевременно очистить или заменить его по стандартам JB/T9737.3-2000.
(2) Выбрать подходящее гидравлическое масло по температуре окружающей среды.
b.температура гидравлического масла
максимальная температура гидравлического масла---- 80 градусов

c.емкость гидравлического масла
Нужная емкость составляет примерно 370 шзн.
Провести осмотр над емкомтью масла:надо провести осмотр над емкомтью масла когда грузоподъемная машина находится в подготовительном состоянии движения.У таблицы масляного положения есть шкала,демонстрируя объем распухания в разных температурах.При осмотре масла,надо гарантировать,чтобы положение масла находился между шкалами 0℃ и достающей температуры.
64

Штрих 0℃ означает минимальное положение,поэтому,когда положение масла спускается ниже 0℃,надо вовремя пополнить гидравличекое масло.
9.2 нигрох
a. периодическая система
| ||||||
|
| |||||
дата сдавания машин обмен масла
(1) Если обнаруживают серьезное загрязнение нигроха,надо обменивать даже еще не до цикла.
(2) Надо часто провести осмотр над гидравлическим давлением,в случае,когда положение масла представляет ниже требуемого,надо вовремя пополнить.
b. подъемная структура
| Среда применения > 0℃ >-40℃ или район с большой температурной разностью | Марка смазки L-CKD220 или L-CKD320 Mobil SHC220 или «Великая китайская стена»L-CKT220 |
Объем заливания около 2.0 л. При заправке смазки можно сначала устранить стальные кабели, потом свинтить пробку заливания и всё.
c. Поворотный механизм
Объем заливания около 1.5 л. При заправке смазки можно смотреть описание бирки поворотного механизма и маслоуказатель.
| Среда применения > 0℃ >-40℃ или район с большой температурной разностью | Марка смазки L-CKD220 или L-CKD320 Mobil SHC220 или «Великая китайская стена»L-CKT220 |
65
9.3 Смазка
| п/п | Наименование места смазки | Периодичность смазки | Способ смазки |
| 1 | Блок полиспаста ведущего крюка | Каждая неделя | Заливание Масляным шприцом |
| 2 | Подъемный блок полиспаста стрелы | Каждая неделя | Заливание Масляным шприцом |
| 3 | Блок 2,3,4 сегментов стрелы | Каждая неделя | Мазанье, заливание Масляным шприцом |
| 4 | Поверхности, через которые проходят блоки 2,3,4 сегментов стрелы | Каждая неделя | Мазанье |
| 5 | Верхний и нижний шарнирный подшипник цилиндр изменения вылета | Каждая неделя | Заливание Масляным шприцом |
| 6 | Шкив вспомогательной стрелы | Перед пользованием | Заливание Масляным шприцом |
| 7 | Задний шарнирный подшипник подъемной стрелы | Каждая неделя | Мазанье, заливание Масляным шприцом |
| 8 | Поворотная опора | По требованию 5.2 | Заливание Масляным шприцом |
| 9 | Шестеренка поворотного механизма | Каждая неделя | Мазанье |
| 10 | Вспомогательный подъемный крюк | Перед пользованием | Мазанье |
| 11 | Стальной кабель | Каждая неделя | Мазанье |
| 12 | Стальной кабель (для выдвижения стрелы) | Каждая неделя | Мазанье |
| 13 | Шина выносной опоры | Каждая неделя | Заливание Масляным шприцом |
| 14 | Гнездо подшипника подъема | Каждая неделя | Заливание Масляным шприцом |
Внимание:
(1) Перед заправкой очистить масленку и поверхность мазанья.
(2) Периодически заправить смазку на поверхности, не перечисленные в таблице.
(3) После собрания стрелы к стрелодержателю, если часть поршневого дышла цилиндра с изменением вылета стрелы обнажена, то следует мазать обнаженную часть смазкой 1 раз в каждый месяц.
9.4 Статическое масло
Объем заливания около 2.5 кг.
Необходимое для газа верхней машины статическое масло заправлено при выпуске с завода. При необходимости дополнения можно заправить тормозную жидкость типа KF-01(производство Сюйчжоуского завода авто-химических продукций).
Внимание:
(1) Запрещается смешанно пользоваться тормозной жидкостью разного типа.
(2) Тормозная жидкость, заправленная в газ продукции нашего завода, является специальной жидкостью, поэтому запрещается заменить её тормозной жидкостью другого производства. В противном случае повредит выносной насос и маслоотражатель поворотного аппарата.
66
10.1 Неисправности и их способы устранения
| часть | неисправность | причина | Способ устранения |
| Гидравлический насос | Шумы | 1. недостаточность объема масла 2. Вход воздуха в заборную трубу 3. ослабление монтажного болта 4. Загрязнение гидравлического масла 5. Трясение передаточного вала 6. Износ кардана 7. неисправность гидравлического насоса | 1.Заправка 2.Удаление воздуха 3.Взвинчивание 4.Замен или очищение 5. Ремонт 6. Замен 7. Ремонт или замен |
| Выносная опора | Не действовать | 1.регулирование давления переливного клапанов в блоке с нижним ходом клапанов 2.переливный клапан с гидроусилителем задевается грязями. 3.контрольный клапан не действует | Регулирование Вынимание и чистка ремон |
| Медленно действовать | 1.мазка вытекает внутри контрольного клапанов 2.чрезвычайное ниже давления в переливном клапане | ремон регулирование | |
| Авиоматическое расширенин и сокращение вертикального цилиндра в положении грузоподъема или движения | 1.двусторонный гидравлический замок не работает. 2.смазка вытекает внутри маслянного цилиндра 3. смазка вытекает вне маслянного цилиндра | Ремон Ремон ремон | |
| Повороная структура | Арретир не Нормальн работает | 1.фрикцион арретира износится или у флинпер есть масло. 2.вход воздуха в маслоканал арретира 3.у маслянного цилиндра арретира неисправность | Ремон и выделение Выкачивание воздуха Ремон |
| Не провести поворотное движение | 1.регулированное давление переливного клапана в поворотном основном клапане чрезвычайно низкое и постоянное задевание константного перелива 2.поворотный клапан не работает 3.гидравлический мотор не работает 4.грушитель поворотной структуры подвергается неисправности 5.управляемый клапан с гидроусилителем подвергается несиправности 6.вентитель перепада давлений предводительного маслоканал подвергается несиправности. 7.переливной клапанов предводительного Маслоканала 8.задевание предводительного Маслоканала | Ремон и регулирование Ремон Ремон или обмен Ремон Ремон Ремон и регулирование Ремон и регулирование Проверка маслоканала |
67
| часть | неисправность | причина | Способ устранения |
| Поворотная структура | Медленно действует поворот | 1.регулированное давлнние чрезвычайно низкое переливного клапанов в поворотном клапане 2.утечка гидравлического мотора серьезная 3.недостаточно давления контрольного клапана или клапан с гидроусилителем подвергается неисправности 4.серьезная утеска внутри клапана с гидроусилителем или поворачивание не полно | Регулирование Ремон или обмен Осмотр ремон Осмотр обмен герметизацией |
| Большойштурм поворотного запуска | 1.клапан подвергается неисправности 2.аккумулятор чрезвычайно насыщен | Ремон и проверка Регулирование | |
| Неплавность поворотного торможения | 1.неисправность поворотного тормоза 2.неисправность ножного клапана | Ремон и проверка Ремон и проверка | |
| Никак не может осуществлять свободную пробуксовку и обмен пробуксову замком поворотной структуры | 1.соленоидный клапан свободной пробуксовки задевывается или электрическая цепь подвергается неисправности. 2.внутрений маслоканал педального клапана задевывается или поварачивание не полно 3.давлений входа масла не хватает арретиру | Осмотр ремон Осмотр ремон Регулирование вентиля перепада давлений и переливного клапана | |
| Выриоскопическая структура кабанчика | Маслянный цилиндр не выходит | 1.давление переливного клапана в блоке клапан с верхним ходом чрезвычайно низко 2.внутренняя усечка контрольного цилиндра очень серьезная 3. внутренняя усечка маслянного цилиндра очень серьезная 4.давление основного насоса не доступно 5.без давления предводительного канала 6.клапан с гидраусилиителем подвергается неисправности 7.соленоидный клапан сбросного нагрузки подвергается неисправности 8.моментный выключатель подвергается несправности,сигнал сброса нагрузки не расрешен. | Ремон и проверка Ремон и проверка Ремон и проверка Ремон и проверка Ремон и проверка Ремон и проверка Ремон и проверка Ремон и проверка |
68
| часть | неисправность | причина | Способ устранения |
| Вариоскопическая структура кабанчика | Не может сокращаться маслянный цилиндр | 1.как и причины5、6、7、8,которые уже вышесказаны о несокращении маслянном цилиндре. 2.вариоскопический сбалансированный клапан не закроет. 3.противодавление основного поворотного маслоканала чрезвычайно высоко 4.контрольный маслоканал сбалансированного клапана задевывается. | Осмотр и ремонт Осмотр и ремонт Осмотр и ремонт Осмотр и ремонт |
| Автоматическое сокращение маслянного цилиндра в течении работы. | 1.утечка масла внутри маслянного цилиндра 2.сбалансированный клапан подвергается неисправности,не могут замкнуть. | Ремон или обмен Ремон или обмен | |
| Структура расширения и сокращения кабанчика | Кабанчик не может протянуть | 1.регулированное давление переливного клапана в контрольном клапане блока калапанов чрезвычайно низко 2.причины как и вышеказанные 2 3 4 5 6 7 8 о непротяжении вариоскопического цилиндра | Регулирование Осмотр. ремонт и регулирование |
| Стрела не может сокращаться | 1.регулированное давление переливного клапана в блоке клапанов с верхним ходом. 2.сбалансированый клапан подвергается неиспраности,не откроется. 3.как и 2 4 5 6 вышеказанные о непротяжении вариоскопического маслянного цилиндра. | Регулирование Ремон или обмен Ремон и регулирование | |
| Самостоятельное сокращение кабанчика в работе | 1. сбалансированный клапан подвергается неисправности,не могут замкнуть. 2. утечка масла внутри маслянного цилиндра 3.усечка масла в маслянном цилиндре.клапанке и соединении. | Ремон Ремон ремон | |
| Подъемная структура | Не могут поднимать крюк | 1.регурираванное давление переливного клапана в блоке клапана чрезвычайно низко. 2.гидравлический мотор подвергается неисправности. 3.утечка внутри контрольном клапане очень серьезная 4.давление главного насоса не достигнет требуемого. 5.у главного маслоканала не существует давление 6.клапан с гидроусилителем подвергается неисправности. 7.соленоидный клапан,который употребряется для сброса негрузки,подвергается неисправности,часто находится в состоянии сброса нагрузки. 8.моментый выключатель подвергается неиспрвности,сигнал сброса нагрузки все еще не зажигает. 9.подъемный арретир не могут закрыть. | Осмотр и ремон Осмотр и ремон Осмотр и ремон Осмотр и ремон Осмотр и ремон Осмотр и ремон Осмотр и ремон Осмотр и ремон Осмотр и ремон |
69
| часть | неисправность | причина | Способ устранения |
| Механизм подъема | Без выкатки крюка | 1. Имеет неисправности подъемного подпорного клапана 2. Контрольный маслоканал подъемного подпорного клапана заделает 3. У подъемного арретора неисправности 4. Входный маслоканал без давления 5. Маслоканал с гидроусилителем без давления 6. У пилитов неисправности 7. Подъемный мотор выльет | Проверка и ремонт Проверка и ремонт Проверка и ремонт арретора Проверить контрольный блок клапанов Проверка и ремонт управляемый обменяемый клапан в контрольном блоке клапанов Проверка и ремонт Ремонтировать или переменить |
| Арретор не работает | 1. У фрикционов арретора лишние масла 2. Износа фрикционов 3. Воздух в тормзном маслоканале 4. Неисправности в главном цилиндре | Очистить Регулировать или переменить Устранять Ремонтировать | |
| Исполнительеый мехнизм | Компьютерское 、контрольное、пропорциональное свойствва плохие | 1. У контрольного маслоканала низкое давление 2. Неисправности в детандере с гидроусилителем 3. Неисправности в главном клапане | Регулировать Проверка и ремонт Проверка и ремонт |
| Гидросистема | Перегревание гидровлического масла,у исполнительного мехнизма медленное движение | 1. Сильно выльет в главном нососе 2. Неисправности в переливном клапане блока клапанов 3. Высшее начальное давление в подпорном клапане 4. Сильно выльет в подъемном моторе 5.Низкое настроенное давление в переливном клапане главного нососа | Проверка и ремонт Проверка и ремонт Проверка и ремонт Проверка и ремонт Проверка и ремонт |
| Электросистема | 1. Рабочие лампы не светают 2. Лампы основных стрел не светают 3. Комнатные лампы не светают | 1.Лампы исполнены 2.Предохранитель исполнен 3.Плохое заземление 4.Бланкирование проводов 5.Актуаторы не работают | Переменить Переменить Ремонтировать Ремонтировать Ремонтировать или переменить |
70
| Электросистема | Неисправности | Причина неисправности | Устранение неисправности |
| Скребок стеклоочистителя не работает | 1. Предохранитель исполнен 2. Актуаторы не работают 3. Электромотор исполнен 4. Плохое заземление 5.Бланкирование проводов | Переменить Переменить Переменить Ремонтировать Ремонтировать | |
| Вибратор не звучается | 1. Плохое заземление 2. Актуаторы не работают 3. Неисправности в реле 4. Бланкирование проводов 5. Неисправности в вибраторе 6. Силовой выключатель плохой | Ремонтировать Переменить Переменить Ремонтировать Ремонтировать и переменить Связывать с служебнами оделами компаний | |
| Не может управлять грузоподъемной машиной в операторной | 1. Предохранитель исполнен или ослабленен 2. Бланкирование проводов,Актуаторы не работают | Ремонтировать и переменить Ремонтировать и переменить | |
| Автомный силовой выключатель плохо работает | 1.Предохранитель исполнен 2.Реле не работает 3.Соленоидный клапан не работает 4.Плохое заземление соленоидных клапанов 5 .прочие | Переменить Переменить Ремонтировать и переменить Ремонтировать Связывать с служебнами оделами компаний | |
| Выключатель высоты не работает | 1.Предохранитель исполнен 2.неисправности в обмоточной коробке 3.Бланкирование проводов 4.клапан-конечный выключатель не работает 5.гиревой ваер отрез 6.Соленоидный клапан не работает 7.Плохое заземление соленоидных клапанов 8.Плохое заземление клапана-конечного выключатели 9.выключатель момента плохой | Переменить Ремонтировать и переменить Ремонтировать Переменить Переменить Ремонтировать и переменить Ремонтировать Ремонтировать Связывать с служебнами оделами компаний |
71
10.2 Перемена ваеров
По мере повышения рабочих времени,ваеры будят устать.Если не принимают во внимание на это и продолжают работать,это очень опасное дело.Надо контрировать и переменить ваеры по GB5872-86《Норму контроли и браковки ваеров подъемеых механизма》.Здесь мы поставим следующие условия для перемени:
(1) Количество разрывной стальной проволоки одной длины шага ≥10% общего количества стальных проволок.(за исключением присадочные стальные проволоки)
(2) Счетчик уменьшения диаметра превышает 7%общего диаметра.
(3) Жук .
(4) Замечательные видоизменения или вытравки.
(5) Безпорядки редьки.
a. Ново установленные стальные кабели должны быть одинаковы с прежними стальными кабелями по типу и норме. В противном случае клиент обязан обеспечить, что качество ново установленных стальных кабелей лучше качества прежних, в то же время новые стальные кабели совпадают с коробчатостью барабана и шкива.
Необходимо отработать разрез двух концов новых стальных кабелей для предохранения распускания.
b. Условия рабочих перемен для главных подъемных ваеров:
(1) поставить грузоподъемную машину на твердого и ровного поверхности земли.
(2) Отдернуть кабанчик полностью.
| Номер по порядку | Графемика | Событие внимания | Исполнительные инструменты | |||
| 1 | Снизить основную стрелу на поверхности
| Не поставить ваеры безпорядки на барабане. | ||||
| 2 | Снимать мочку с апекса основной стрели и с главного крюка
| Принимать во внимание на сохранение аксессуаров,не потеряют. | Ключ-защелка |
72
| 3 | Снимать ваер с мочки.
| Принимать во внимание на сохранение аксессуаров,не потеряют. | Прудковая сталь、молоток-ручник、ключ-защелка | ||||||
| 4 | Снизить крюк,снимать ваер с барабана | Одновремнно снимать ваер руками | |||||||
| 5 |
Снимать ваер с барабана
| Сохранить клинышки | Прудковая сталь、молоток-ручник | ||||||
| 6 |
Мотать новый ваер через всяких блоков | Не ошибочно моиать,тесно обетывать редьку арматурнами проволоками или винилитами。
| Арматурные проволоки или винилиты | ||||||
| 7 | Закрепить редьку на барабане
| 1.Установить клинышки правильно。 2.Редьке нельзя пропускать из поверхности барабана | Молоток-ручник |
73
| 8 | Метать ваеры
| 1.Не поставить ваеры безпорядки на барабане
2. тесно обетывать редьку арматурнами проволоками или винилитами。
| Арматурные проволоки или винилиты | ||||||
| 9 | Метать ваер через блока апекса основной стрелы и блока главного крюка по соответствующему кратному.
| Не спутать порядок блока | Прудковая сталь、молоток-ручник | ||||||
| 10 | Установить мочки и зажими на ваере
| Установить клинышки правильно。 | Молоток-ручник、ключ-защелка |
74
| 11 | Установить мочку в апексе основной стрелы или в главном крюке
| Ключ-защелка | ||||
| 12 | Поднимается кабанчик до контрастирования и его протянуют до тех пор,что ваер в барабане полностью протянулся.
| Не снизить крюк сверх меры,иначе ваер исполнен | Прудковая сталь、молоток-ручник | |||
| 13 |
Поднимать какую-то нагрузку,чтобы растяжение ваера достигнует 30%максимально-допустимых счетчика одной ветвей.и потом мотать ваер наМотать новый ваер на барабане
| Нельзя превышать проектный счетчика нагрузки, максимально-допустимых счетчика одной ветвей----73260N. | Молоток-ручник、ключ-защелка | |||
| 14 | Снижать нагрузку с главного крюка |
75
10.3 Перепускный маслофилотр
(1) операционные события внимания
a. Внимательно сохранить кабанчик
b.Гитравлический насос в застой положений

число сдачи переменить фильтроэлемент переменить фильтроэлемент
c. Переменный цикл сов как ниже следует:
(2) Гидробак
| Номер по порядку | Графемика | Событие внимания | Исполнительные инструменты | |||
| 1 | Разобрать балдахин
|
| Ключ-защелка | |||
| 2 |
Отбирать блоки-контакты маслофилотра
| |||||
| 3 | Разобрать шплинты,отвинтить гайку и отбирать фильтроэлемент
| Ключ-защелка |
76
| Номер по порядку | Графемика | Событие внимания | Исполнительные инструменты | |||
| 4 |
Мотировать маслофилотра после перемени фильтроэлемент
| Завинтить постепенно,чтобы поверхность уплотнения ровно соприкается фильтроэлемент.еще раз-то завинтить,потом вставлять шплинты | Ключ-защелка | |||
| 5 | Установить блоки-контакты маслофилотра
| |||||
| 6 | Установить балдахин
| Ключ-защелка |
10.4линейный маслофилотр( перемена фильтроэлемент)
операционные события внимания
(1) Внимательно сохранить кабанчик
(2) Гитравлический насос в застой положений
(3) Переменный цикл сов как ниже следует:
число сдачи переменить фильтроэлемент
77
Надо поставить всякие механизми грузоподъемной машиной в хорошом состояений,чтобы обеспечить лучшие эффекты и рабочую безопасности。
Мы написал предметы проверки в следующем ведомости。Если замечают неисправности в очередном осмотре,надо быстро ремонтировать。Перед каждого работы замечайте следующие части:
(1) Механизм опорного домкрата
(2) Механизм подъема:верчение、корригирование кабанчика、выдвигание кабанчика и другие механизми подъема
(3) Механизм выключатели
(4) Электросистема
(5) Автомат-безопосность
| Осмотр предметов | |
| Привод | Выключатеющая штанга и актуаторы: 1.Оперативное состаяние |
| Механизм отбора мощности : 1. Есть ли взрыхление и вытекание смазки или нет 2. Есть ли трески и грение или нет | |
| Гидросистема
| Гидробак: 1. Есть ли взрыхление и поломки или нет 2. Есть ли изломи и вытекание смазки или нет 3. Емкость масла、загрязненность и вязкость |
| Гитравлический насос: 1. Есть ли взрыхление и поломки или нет 2. Есть ли трески、,биение и грение или нет 3. Есть ли вытекание смазки или нет 4. Есть ли воздух вошел в откачивающем канале 5. Нормольно ли давление питания 6. Есть ли взрыхление и вытекание смазки в соединений каналов или нет | |
| Арретор: 1. Тормозное свойство 2. Есть ли анаморфоз и абразия у соединенной штанги или нет 3.вымасливание | |
| Вращающееся соединение: 1. Есть ли вытекание смазки или нет 2. Есть ли трески、,биение и грение или нет в вращающемся состаяний 3.электропроводное условие между угольными ежами и кулисами | |
| Грушитель и мехнизм вращения; 1. Загрязненность масла 2. Есть ли изломи、анаморфоз и вытекание смазки у коробки зубчатой передачи или нет 3. Есть ли трески и биение или нет 4. Есть ли взрыхление у монтажных аксессуаров или нет 5. Нормольно ли рабочее давление гитравлического мотора 6.Есть ли взрыхление и вытекание смазки или нет у сосединения маслопроводов | |
78
| Осмотр предметов | |
| Механизм корригирования кабанчика | Цилиндр корригирования кабанчика 1. Есть ли анаморфоз и абразия у опорных валиков или нет 2. Есть ли взрыхление у замыкающих болтов опорных валиков или нет 3. Есть ли вытекание смазки или нет 4. Есть ли трески и биение или нет 5. М ожло ли подскакивать нормольно цилиндр в перегруженной работе 6. Есть ли взрыхление и вылеживание у береранов или нет |
| Подпорный клапан: 1. Есть ли вытекание смазки или нет 2. Есть ли биение или нет 3. Есть ли взрыхление и вытекание смазки или нет у сосединения маслопроводов | |
| Механизм раздвижного кабанчика | Основная стрела: 1. Есть ли изломи、верпование и поломки или нет 2. Есть ли взрыхление у замыкающих болтов опорных валиков в дне кабанчика или нет 3. Есть ли поломки в поверхности скольжения или нет 4. Есть ли анаморфоз и абразия у букси опорных валиков 5. Вымасливанное условие поверхности скольжения 6. Есть ли изломи и верпование у боканеца кабанчика или нет |
| Телескопический цилиндр стрелы: 1. Состояние движение(наличие шумы и пульсации или нет) 2. Нормальный ли порядок действия 3. Вытекание смазки или нет 4. Функция подпорного клапана 5. Наличие взрыхления у соединения маслопроводов или нет | |
| Вспомогательная стрела;Есть ли изломи、верпование и поломки или нет 1.Вымасливание соединительных штифтов и букос | |
| Ваер: 1. диаметр 2. разобщение 3. жук 4. анаморфоз 5. состояние вытравки 6. Состояние вымасливание 7. состояние затяжки | |
79
| Осмотр предметов | |
|
Механизм
подъема | Грушитель: 1. Есть ли взрыхление у монтажных аксессуаров или нет 2. Есть ли трески или нет 3. Есть ли изломи、анаморфоз и вытекание смазки у коробки зубчатой передачи или нет 4. Состояние абразий 5. Состояние вымасливание 6. Есть ли вытекание смазки или нет |
| Тормоз 1. Состояние износа тормозного диска и подушки 2. Наличие взрыхления и вытекания масла у соединения маслопроводов или нет 3. Возникла ли деформация с пружинами | |
| Подпорный клапан: 1.Есть ли вытекание смазки или нет 2.Есть ли биение или нет 3. Есть ли взрыхление и вытекание смазки или нет у сосединения маслопроводов | |
| Барабан: 1. Есть ли измоми или нет 2. Есть ли неправильные мотки ваеров или нет | |
| Вспомогательная стрела;Есть ли изломи、верпование и поломки или нет 1.Вымасливание соединительных штифтов и букос | |
| Крюки и блоки: 1. Вращающееся состаяние крюки 2. Есть ли анаморфоз или нет 3. Нормольно ли биение биндюг 4. Соединенное состояние между биндигами и крюками 5. Есть ли анаморфоз у антиабляциотора или нет 6. Поворотное состояние шкива( наличие необыкновенного шума или нет) 7. Возникли ли трещины и износы со шкивом. 8. Возникло ли перекашивание и повреждение с каткой опорой и оградителем 9.Смазочное Состояние | |
| Ваер: 1. диаметр 2.разобщение 3.жук 4.анаморфоз 5.Состояние вытравки 6.Правильно ли места мочков и клинышков 7.Соединенное состояние между ваерами и мочками 8.Есть ли изломи и анаморфоз у валиков мочки и бужев или нет 9.Нормольно ли мотки ваеров под блоками | |
80
| Осмотр предметов | |
| Гидросистема | Переливный клапан: 1.Регулированное давление |
| Контрольный клапан: 1. Состояние действия 2. Есть ли вытекание смазки или нет 3. Есть ли взрыхление у болков или нет | |
| Главный цилиндр: 1. Состояние действия 2. Есть ли вытекание смазки или нет 3. Тормозное количество масла 4. Есть ли вылеживание、жук и изломи у береранов или нет | |
| Исполнительный механизм | Актуатор пуска: 1. Способность актуатора пуска 2. Мотажное состояние 3. Состояние действия индикаторной лампы |
| Скребок стеклоочистителя: 1. Состояние действия 2. Есть ли анаморфоз и абразия у мазки | |
| Комнатные лампы: 1.Можно ли светать | |
| Вибратор: 1.Способность вибратора | |
| Автомный силовой выключатель: 1.Состояние действия 2.достоверность | |
| Выключатель высоты: 1.Состояние действия 2.Есть ли анаморфоз и абразия у гиревых подвесок 3.Мотажное состояние 4.Состояние действия соленоидных клапанов | |
| Операторная с верхным ходом: 1.Есть ли взрыхление у болтов и чайк или нет 2.Включательный способность двери и окна | |
| Приборы в панеле: 1.Есть ли ровное движение у игол прбора 2.Есть ли взрыхление в соединенной части или нет | |
| Ручки и лежки: 1.Способность 2.Есть ли зазоры или нет | |
| Рабочие лампы: 1.Можно ли светать 2.Есть ли анаморфоз и абразия 3.Мотажное состояние | |
81
| Осмотр предметов | |
| Лампы основных стрел: 1.Можно ли светать 2.Мотажное состояние | |
| Мехнизм опорного домкрата | Подъемно-опускающийся цилиндр опорного домкрата: 1. Можло ли подскакивать нормольно цилиндр в работе 2. Можло ли затонуть в ходе 3. Есть ли вытекание смазки или нет 4. Способность гитровлического обратного клапана 5. Есть ли взрыхление или нет у сосединения маслопроводов 6. Есть ли взрыхление и треск или нет 7. Есть ли изломи и верпование у опорного тарелки или нет |
| Постоянный опорный домкрат、подвижный ящик опорного домкрата、аклинальный цилиндр опорного домкрата: 1. Есть ли анаморфоз и абразия или нет 2. Есть ли взрыхление у валиков мочки в подвижном ящике опорного домкратаи бужев или нет 3. Есть ли изломи и анаморфоз у подноса или нет 4. Есть ли трески и биение или нет 5. Есть ли взрыхление или нет между маслопроводами и беребранами 6. Есть ли вытекание смазки или нет | |
| Переливный клапан: 1.Состояние действия 2.Есть ли взрыхление или нет у сосединения маслопроводов 3.Есть ли взрыхление у болков или нет 4.Есть ли вытекание смазки или нет | |
| Ватерпас: 1. Есть ли поломки и анаморфозили нет 2. Мотажное состояние 3. Состояние альвеоли | |
| Переливный клапан: 1.Состояние действия 2.Есть ли вытекание смазки или нет 3.Есть ли взрыхление у болков или нет | |
| Главный цилиндр 1. состояние движения 2. Вытекание смазки или нет 3. Расход тормозного масла 4. Возникло ли старение, перекашивание или повреждение с гибкой трубкой. | |
| Другие | Приспособления: 1. Есть ли поломки и потер или нет |
| Гидросистема | Каналы: 1. Есть ли взрыхление у соединения или нет 2. Есть ли вытекание смазки или нет 3. Есть ли взрыхление и изломи у вилки или нет 4. Есть ли вылеживание、верповагие и поломки у беребрана или нет |
| Внимание | Анкерование вращательных анкерных монтажных болтов: Если заметили взрыхления вращательных анкерных монтажных болтов в очередном осмотре,надо проводить работу анкерования в эксплоатационно-рементном отдеде。 Советовать проводить каждый год и опередить официальный момент анкерования монтажных болтов。 Момент анкерования монтажных болтов-----784N.m |
82
Необходимо определить период текущего контроля по объему работы и обстановке окружающей среды, но в крайней мере не реже 1 раз в месяц.
Необходимо определить период периодического контроля по объему работы и обстановке окружающей среды, но в крайней мере не реже 1 раз в год.
Необходимо проверить автокран по соответствующим стандартам при следующих случаях:
Для автокрана в нормальном рабочем состоянии, осуществлять проверку через каждые 2 года.
Для автокрана, прошедшего капитальный ремонт, ново монтированного или реконструированного, осуществлять проверку перед сдачей в эксплуатацию.
Для автокрана, не работающего выше года, осуществлять проверку перед снова пользованием.
Для автокрана, прошедшего шторм, землетрясение, или серьезные аварии, которые могут повредить важные части и устойчивость автокрана.
83
(1) При железнотранспорте можно применять автоплатформу для перевозки автокрана.
(2) Необходимо поставить болван или бетон под колесами автокрана для укрепления
(3) Необходимо тесно привязать автокран в автоплатформе.
(4) Погрузочный центр тяжести находится в 902 мм переднее центра заднего моста (направление головы машины), см. следующую карту.
(5) Все рукоятки управления и выключатели автокрана должны находиться на положении ноли и выключи тельном положении.
(6) После окончания погрузки необходимо замкнуть все двери и окна автокрана, а то может
открыться при транспорте.

84
13.1 Основные комплекты
