10. Подключите генератор синусоидального напряжения к осциллографу (рис.5).
11. Измерьте амплитудное напряжение сигнала. Рассчитайте значение действующего напряжения Uд. Определите период и частоту сигнала. Назовите форму сигнала.
12. Подключите генератор прямоугольных импульсов на вход «X» осциллографа, а генератор синусоидального напряжения на вход «Y» осциллографа (рис.6). (Используйте выходы одного прибора, чтобы сигналы были синфазны. В таком случае на экране осциллографа будет устойчивая картина.) Переключите управляющие кнопки так, чтобы наблюдать одновременно оба сигнала друг под другом (см. приложение).
13. Зарисуйте эти сигналы.
Контрольные вопросы
1. Какие способы измерения сопротивления вам известны?
2. Сформулировать закон Ома для участка цепи в интегральной и дифференциальной форме.
3. Сформулировать закон Ома для неоднородного участка цепи.
4. В чем состоит метод измерения сопротивления с помощью моста постоянного тока?
5. Как измерить частоту сигнала с помощью осциллографа?
6. Как измерить амплитуду сигнала?
7. Как происходит управление электронным пучком в осциллографе?
8. Какова связь между смещением сигнала по оси х на экране осциллографа и длительностью временного интервала?
9. Как подключить осциллограф по двухканальной схеме?
Список литературы
1. Калашников С.Г. Электричество. - М.: Наука, 1977
2. Савельев И.В. Курс общей физики. - М.: Наука, 1982.- Т.2
3.. Электрические измерения: Учебник для вузов/Под ред. Фремис А.В., Душина Е.М. .- Л.:Энергия , 1980.- С. 39
Лабораторная работа № 13
ИЗУЧЕНИЕ РАБОТЫ БАТАРЕИ ЭЛЕМЕНТОВ
Цель работы. Проверить теоретическую зависимость полной, полезной мощности, мощности потерь, падения напряжения во внешней цепи и КПД батареи от силы тока с помощью метода «холостого хода и короткого замыкания».
Описание метода и установки
|
|
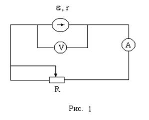
Электрическая схема измерительной установки (рис.1) состоит из внешнего сопротивлений R источника постоянного напряжения с электродвижущей силой e [1, с.146-147, 149-152; 2, с. 97-99] и внутренним сопротивлением r. В схему включены амперметр и вольтметр, позволяющие измерять ток и падение напряжения во внешней цепи.
Из закона Ома для этой замкнутой цепи можно записать выражение [1, с. 151-154; с. 101-103].
e = IR + Ir, (1)
где I - сила тока в цепи;
U = IR - напряжение на сопротивлении R.
Умножив обе части уравнения (1) на силу тока, протекающего по цепи, получим
I e = I2R + I2r. (2)
Уравнение (2) представим в виде
P = P1 + P2 (3)
где P = I e - полная мощность, развиваемая батареей;
P1 = I2R = IU - полезная мощность, т.е. мощность, развиваемая батареей во внешней цепи (на сопротивлении R);
P2 = I2r - потери мощности внутри батареи (на сопротивлении r).
Установим зависимость мощностей [1, с.163-165; с. 105-106] от силы тока.
Графически (рис.2) зависимость P от I выражается прямой линией, проходящей через начало координат.
| Полезная мощность из (2) может быть представлена в виде
P1 = e × I - I 2 × r (4)
Эта зависимость выражается параболой. Найдем значение тока, при котором полезная мощность максимальна. Для этого, взяв первую производную , приравняем ее нулю
|
e - 2 Ir, (5)
откуда, при
, получим
Im =
(6)


, приравняем ее нулю