Воздухопровод приборов управления и обслуживания
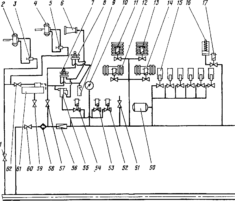
Воздухопровод приборов управления (рис. 53) питает сжатым воздухом элсктропневматические аппараты и пневматические устройства тепловоза. Воздух поступает из питательной магистрали воздухопровода тормозной системы со стороны кабины машиниста тепловоза через разобщительный кран 60, а со стороны холодильной камеры — через кран 39 и очищается в фильтрах 58 и 38. После фильтра 58 воздух подводится к клапану максимального давления 56, отрегулированному на давление 0,55—0,6 МПа (5,5— 6,0 кгс/см2), одновременно через кран 57 он подходит к распределительным коробкам клапанов 7 и 8 тифона 6 и свистка 9, а также к воздухораспределителю 55. Через кран 1 воздух из питательной магистрали подводится к запорно-регулировочным кранам 3 и 5 стеклоочистителей. Клапаны тифона и свистка установлены на боковых стенках кабины машиниста, запорно-регулировочные клапаны стеклоочистителей — перед лобовыми стеклами рядом с пневматическими приводами стеклоочистителей. При нажатии машинистом или помощником машиниста рукоятки клапана тифона и свистка вперед или назад воздух поступает соответственно к тифону 6 или к свистку 9. После этого при наличии достаточного давления воздуха в питательной магистрали тифон издает громкий сигнал низкой частоты, а свисток — высокой частоты.
После клапана максимального давления 56 воздух подводится к ряду электропневматических вентилей. Правильность регулировки клапана максимального давления контролируют по манометру 10. Катушка электропневматического вентиля 54 получает питание при нажатии кнопки аварийной остановки тепловоза. При этом одновременно включается электропневматический вентиль 49 предельного выключателя дизель-генератора и в зависимости от положения реверсора получают питание катушки одного из электропневматических вентилей песочниц передней тележки и одного из вентилей песочниц задней тележки. При включении электропневматического вентиля 54 открывается доступ воздуху к воздухораспределителю 55. Под давлением воздуха, поступающего от электропневматического вентиля 54, клапан воздухораспределителя отжимается и воздух, из питательной магистрали через кран 60, фильтр 58, кран 57, воздухораспределитель 55 устремляется к тифону 6. В результате одновременно с остановкой дизель-генератора, подачей песка под колесные пары, экстренным торможением происходит подача звукового сигнала тифоном.


Рис. 53. Схема воздухопровода приборов управления:
1, 39, 40, 51, 57, 59, 60 — краны; 2, 4 — стеклоочистители; 3, 5 — запорно-регулировочные 13 — групповые контакторы; 12, 14 — электропневматические вентили переключателя реверсора, тормозного переключателя; 17 — электропневматический вентиль привода шибера; 18 — электропневматикака привода тахометра дизеля; 20 — электро-пневматический вентиль пускового сервомотора; 21 - электро-пневматический вентиль привода колес воздухоочистителей; 25, 30, 33, 37 — электропневматические вентили верхних жалюзи; 28, 35 — электропневматические вентили привода боковых жалюзи; 29, 34 — ли; 42 — электропневматический вентиль тнфона вызова помощника машиниста; 43 — электропневматические вентили песочниц задней тележки; 47 — воздухопровод песочной системы; 49 — предельным выключателем дизеля; 50 — резервуар; 52, 53 — электро-пневматические вентили пемального давления; 61 — бак установки обмыва лобовых стекол; краны; 6, 24 — тифоны; 7, 8 — клапаны тифона и свистка; 9 — свисток; 10 — манометр; 11, 13 – контакторы ВШ1,2, 12 — реверсора; 15 — поездной контактор; 16 — пневмоцилиндр привода шибера; 17 — электропневмати-ческий вентиль выключателя восьми топливных насосов дизеля; 19 — выключатель кноп-21, 22 — пневмоцнлиндры привода колес воздухоочистителей дизеля; 23 — электропневматичетили привода верхних жалюзи; 26 — дроссель; 27, 31, 32, 36 — пневмоцнлиндры привода верхпневмоцилиндры привода боковых жалюзи; 38, 58 — фильтры; 41, 55 — воздухораспределитеной компрессор; 44 — электропневматический вентиль облегчения пуска компрессора; 45, 46 — темы; 48 — питательная магистраль; 49 — электро-пневматический вентиль управления песочниц передней тележки; 54 — электропневма-тический вентиль тифона; 56 — клапан максикол кабины машиниста; 62 — клапан подачи воздуха в бак 61
Каждый из электропневматических вентилей 12 и 14 реверсора включается после установки реверсивной рукоятки в одно из рабочих положений при условии включения остальных электрических аппаратов в цепи катушек электропневматических вентилей. Электропневматические вентили групповых контакторов 11 и 13 ослабления возбуждения включаются при включении реле перехода во время движения тепловоза с тяговой нагрузкой. Электропневматические вентили поездных контакторов 15 включаются при переводе тепловоза, в тяговый режим. Для более четкого срабатывания поездных контакторов и сглаживания колебаний давления воздуха в трубопроводе приборов управления и питательной магистрали при их включении установлен резервуар 50.
Электропневматические вентили 52 и 53 песочниц передней тележки и вентили 45 и 46 песочниц задней тележки включаются при нажатии педали песочницы. Подача песка только под первую колесную пару происходит при нажатии кнопки подачи песка. Электропневматический вентиль 17 включается одновременно с электродвигателем вентилятора кузова при включении автоматического выключателя вентилятора кузова и перепускает воздух в полость над поршнем пневматического цилиндра 16, установленного в крышке вентилятора кузова. Поршень, опускаясь вниз, давит на плиту обечайки, и обечайка, опустившись, открывает путь воздуху, выбрасываемому вентилятором из кузова в атмосферу. При выключении автоматического выключателя вентилятора электропневматический вентиль 17 разобщает цилиндр 16 с воздухопроводом управления, воздух из цилиндра через вентиль уходит в атмосферу, и обечайка вентилятора под действием четырех пружин возвращается в исходное положение. Нажатием на кнопки 19 включают привод тахометра дизель-генератора. После отпуска кнопки привод тахометра отключается. Электропневматический вентиль 20 включается при пуске дизель-генератора, открывая доступ воздуху в ускоритель пуска, который, создавая давление в масляной системе регулятора дизель-генератора, устанавливает рейки топливных насосов в положение увеличенной подачи топлива. Электропневматический вентиль 18 отключает половину топливных насосов дизеля при работе дизель-генератора на нулевой позиции контроллера машиниста и без нагрузки на первой позиции. Электропневматический вентиль 42 включается нажатием кнопки вызова помощника машиниста. После включения этого вентиля воздух поступает к воздухораспределителю 41, который, сработав, открывает доступ' воздуху из питательной магистрали через кран 39, фильтр 38, воздухораспределитель 41 к тифону 24.
Электропневматические вентили верхних и боковых жалюзи включаются как вручную, так и автоматически. Если тумблер управления холодильником установлен в положение автоматического управления, при повышении температуры охлаждающей жидкости дизеля датчик-реле температуры охлаждающей жидкости замыкает сначала цепь питания катушки электропневматического вентиля правых боковых жалюзи; в случае дальнейшего повышения температуры охлаждающей жидкости включаются правый передний мотор-вентилятор и электропневматический вентиль его верхних жалюзи, а затем правый задний мотор-вентилятор и вентиль его верхних жалюзи. При повышении температуры масла дизеля датчик-реле температуры масла последовательно включает электропневматические вентили жалюзи левых боковых, левых верхних задних и левых верхних передних, а также соответствующие мотор-вентиляторы. На некоторых тепловозах порядок включения мотор-вентиляторов и открытия верхних жалюзи может быть несколько иным. Если тумблер управления холодильником установлен в положение ручного управления, включение электропневматических вентилей боковых и верхних жалюзи происходит одновременно с включением мотор-вентиляторов холодильной камеры их тумблерами. Электропневматические вентили, включившись, перепускают воздух из. питательной магистрали в пневматические цилиндры привода жалюзи. Шток цилиндра, воздействуя на рычажную систему привода жалюзи, открывает их. При отключении электропневматических вентилей привода жалюзи полости цилиндров сообщаются с атмосферой, и под действием возвращающих пружин цилиндров жалюзи закрываются.
Электропневматический вентиль 44 включается в момент начала пуска тормозного компрессора и перепускает воздух из воздухопровода приборов управления в разгрузочное устройство тормозного компрессора. В результате цилиндры компрессора сообщаются с атмосферой, что обеспечивает его пуск без противодавления и перегрузки электродвигателя. При увеличении частоты вращения якоря электродвигателя компрессора до номинальной вентиль выключает разгрузочное устройство, переводя компрессор в нагрузочный режим.
Катушка электропневматического вентиля 23 получает питание одновременно с пуском тормозного компрессора. При включении этого/вентиля воздух поступает из напорной трубы тормозного компрессора в цилиндр механизма привода колеса воздухоочистителя дизеля, и колесо поворачивается. После отключения компрессора воздух из напорной трубы и цилиндра механизма привода выходит в атмосферу через вентиль, и шток привода колеса воздухоочистителя под действием пружины цилиндра возвращается в исходное положение.
В районе аппаратных камер и холодильной камеры тепловоза предусмотрены патрубки с кранами соответственно 51 и 40, к которым подсоединяются шланги для обдува электрических машин, аппаратов и секций радиатора.
Воздух, поступающий к электропневматическим аппаратам и пневматическим устройствам, очищается в фильтрах 38 и 58. Фильтр состоит из корпуса, сеток, набивки и крышки. Для присоединения трубопроводов в корпусе и крышке предусмотрены резьбовые отверстия с трубной резьбой.
Песочная система
Для увеличения силы сцепления между колесами и рельсами, а следовательно, для реализации большей силы тяги при трогании с места и наборе скорости тепловоз оборудован песочной системой. Песок под колесные пары следует подавать и во время торможения для обеспечения более эффективного сцепления колес с рельсами. Автоматическая подача песка под колесные пары происходит после нажатия кнопки аварийной остановки тепловоза одновременно с экстренным торможением поезда, подачей звукового сигнала и остановкой дизель-генератора. Управляют подачей песка из кабины машиниста нажатием педали песочницы или кнопки подачи песка.
При нажатии кнопки подачи песка срабатывает только электропневматический вентиль 5 (рис. 56), который перепускает воздух из воздухопровода приборов управления А к воздухораспределителю 8. Воздухораспределитель, сработав, перепускает воздух из питательной магистрали Б через разобщительный кран 7 к форсункам 10 и 13. В эти же форсунки из передних бункеров 9 и 12 самотеком попадает песок, который уносится подведенным воздухом по трубопроводу под переднюю колесную пару.
Если рукоятка реверсора находится в положении "Вперед", при нажатии педали песочницы срабатывают электропневматические вентили 5 и 3, открывая доступ воздуху из воздухопровода приборов управления к воздухораспределителям песочниц. Воздухораспределители 8 и / подводят воздух из питательной магистрали к форсункам 10, 13 и 17, 23, из которых песок уносится под первую и четвертую колесные пары. В случае когда рукоятка реверсора установлена в положение "Назад", при нажатии педали песочницы срабатывают электропневматические вентили 6 и 4, и подача песка происходит из форсунок //, 14 и 18, 24 под третью и шестую колесные пары. После отпуска педали песочницы или кнопки подачи песка катушки электропневматических вентилей обесточиваются, подача воздуха из воздухопровода приборов управления к воздухораспределителю песочниц прекращается, и трубопровод между воздухораспределителем и электропневматическим вентилем сообщается с атмосферой через атмосферное отверстие электропневматического вентиля. При отсутствии управляющего давления воздухораспределитель песочниц разобщает питательную магистраль с форсунками, и подача песка под колесные пары прекращается.

Схема песочной системы:
1,8 — воздухораспределители песочниц; 2, 7 — разобщительные краны; 3, 4, 5, 6 — электропневматические вентили; 9, 12 — передние бункера; 10, 11, 13, 14, 17, 18, 23, 24 — форсунки песочницы; 15, 16, 21, 22 — шланги; 19, 25 — задние бункера; 20 — наконечник; А — воздухопровод приборов управления; Б — питательная магистраль
Так как трубы, подводящие песок под третью и четвертую колесные пары, имеют длинные горизонтальные участки, то для предотвращения слеживания в них песка и образования пробок под углом 30° к оси трубы в трех местах дополнительно подводится воздух, причем место подвода воздуха перед наконечником задрос-селировано до диаметра 2,5 мм, а места подвода к горизонтальному участку трубы — до 4 мм. Выходной диаметр металлического наконечника составляет 20 мм. Трубопровод песочной системы, размещенный на раме тепловоза, соединяют с трубопроводом, установленным на рамах тележек, резинотканевыми рукавами, так как рамы тележек имеют значительные перемещения относительно рамы тепловоза. Резинотканевые рукава надевают на соединяемые наконечники труб и затягивают хомутиками. Резьбовые соединения с цилиндрической трубной резьбой выполнены на подмотке из пеньки на железном или любом другом сурике. Разобщительные краны 2 и 7 служат для отключения трубопроводов песочной системы передней или задней тележек в случае возникновения такой необходимости.
Песочные бункера сварены из листовой стали и усилены перегородками. Вместимость передних бункеров по 253 кг, задних — по 250 кг. Задние бункера приварены к каркасу холодильной камеры, передние — к кабине машиниста. К донному листу каждого бункера приварены два штуцера, в которые ввернуты патрубки, соединяющие бункер с форсунками. К нижней части боковой стенки каждого бункера приварен фланец, к которому крепится восемью болтами крышка с прокладкой. Эти крышки открывают при очистке внутренних полостей бункеров. Для предотвращения попадания в песочную систему крупных включений в горловинах бункеров установлены стальные оцинкованные сетки. Для удобства заправки песком передних и задних бункеров предусмотрены подножки и поручни на задней и лобовой стенках тепловоза. При заправке передних бункеров необходимо освободить зацепление крышек от зацепления с вилками откидных замков и открыть крышки вверх к лобовому стеклу кабины машиниста. При экипировке задних бункеров необходимо отвернуть гайку откидного болта, вывести его из прорези языка и открыть крышку вниз. Затем необходимо откинуть на себя откидную крышку с желобом до упора. При экипировке следует обращать внимание на состояние сетки и правильность ее установки в горловине бункера. Перед закрытием крышки бункера необходимо проверить состояние уплотнения из резины, приклеенного к внутренней стороне крышки. Это уплотнение не допускает попадания в бункера атмосферных осадков.

Воздухораспределитель песочниц:
I — манжета; 2 — шток; 3 — винт; 4 уплотнение; 5, 11 — шайбы; 6 — направляющая; 7 — корпус; 8 — заглушка; 9 — пружина; 10, 12 — прокладки; 13, 14 — штуцера; 15 — крышка; 16 — втулка; Л — подвод воздуха от злектропневматического вентиля; Б — подвод воздуха от питательной магистрали; В — отвод воздуха к форсунке песочницы; Г — атмосферное отверстие
Воздухораспределитель песочниц (рис. 57) сдвоенного типа имеет корпус 7 из чугуна, внутри которого перемещается шток 2 с манжетой 1. Отверстие в центре корпуса предназначено для крепления воздухораспределителя болтом. Пространство между поршнем и крышкой 15 сообщается с воздухопроводом приборов управления при включенном электропневматическом вентиле. При отключенном вентиле эта плоскость сообщается с атмосферой. Под действием пружины 9 к втулке 16 прижимается клапан, состоящий из направляющей 6, шайб 5 и 11, уплотнения 4 и винта 3. При поступлении воздуха от электропневматического вентиля поршень поднимается вверх вместе с клапаном, преодолевая усилие пружины 9 и давление воздуха в питательной магистрали. При отжатии клапана от втулки воздух устремляется из питательной магистрали к форсунке песочницы. В корпусе предусмотрены отверстия Г, через которые уходит воздух, вытесняемый при перемещении штока вверх, а также воздух, проникающий из питательной магистрали и воздухопровода приборов управления в результате неплотного прилегания уплотнения 4 к втулке 16 и манжеты штока к цилиндрической поверхности корпуса, служащей направляющей для манжеты.
Для проверки работы воздухораспределителя подводят воздух давлением 0,55—0,6 МПа (5,5—6,0 кгс/см2) к крышкам 15. При этом воздухораспределитель должен срабатывать и выпускать воздух в боковые штуцера 14. В отверстии Г после обмыливания допускается образование пузыря, который должен удерживаться не менее 10 с. При подводе воздуха давлением 0,7—0,9 МПа (7— 9 кгс/смг) к боковому штуцеру образовавшийся пузырь должен удерживаться на атмосферном отверстии не менее 3 с. При сборке рабочие поверхности штока и резиновые детали смазывают тонким слоем пластичной смазки.
Форсунка песочницы (рис. 58) является одним из основных элементов песочной системы. Песок попадает в корпус 8 форсунки самотеком из бункера, а воздух от воздухораспределителя подводится через штуцер 4. Воздух, подведенный в полость Г, через канал Д попадает в полость В. Отсюда основная часть воздуха выходит через канал Б сопла 7, а оставшаяся часть, пройдя через канал А, попадает в камеру смешения песка с воздухом и разрыхляет песок, поступающий из бункера. Поток воздуха, выходящий из канала Б, эжектирует песковоздушную смесь из камеры смешения форсунки и транспортирует ее по трубопроводу к колесным парам. Из полости Г воздух проходит также через сверления сопла У и далее через кольцевой зазор между наружной поверхностью сопла 7 и корпусом форсунки в трубопровод транспортировки песковоздуш-ной смеси. Воздух, подводимый через сопло У, уменьшает явление дросселирования в головке форсунки, сопровождающееся интенсивным охлаждением воздуха и выпадением влаги, увеличивает давление воздуха в трубопроводе подачи песка под колесные пары, снижая вероятность слеживания песка и образования пробок в этом трубопроводе. Пробку 6 выворачивают при замене износившегося сопла 7. Крышку 9 снимают при очистке внутренних полостей и канала корпуса форсунки.

От правильности регулировки форсунки зависит эффективность использования песка. Пескоподача, которая должна составлять (750±200) г/мин под каждое колесо, регулируется, вращением винта 2. Для удобства регулирования винт имеет удлиненную коническую часть. После окончания регулирования подачи песка винт фиксируют гайкой 3. Между корпусом форсунки и накидными гайками патрубка, подводящего песок к форсунке, и трубы, отводящей песковоздушную смесь от форсунки, для уплотнения установлены прокладки 5 из прокладочного картона. Место соединения корпуса, форсунки с фланцевой частью штуцера подвода воздуха к форсунке уплотняется асбестовым шнуром.
