Электрическая схема соединений
МИНИСТЕРСТВО ТРАНСПОРТА РОССИЙСКОЙ ФЕДЕРАЦИИ
ФЕДЕРАЛЬНОЕ АГЕНТСТВО ЖЕЛЕЗНОДОРОЖНОГО ТРАНСПОРТА
ГОСУДАРСТВЕННОЕ ОБРАЗОВАТЕЛЬНОЕ УЧРЕЖДЕНИЕ ВЫСШЕГО ПРОФЕССИОНАЛЬНОГО ОБРАЗОВНИЯ
САМАРСКИЙ ГОСУДАРСТВЕННЫЙ УНИВЕРСИТЕТ ПУТЕЙ СООБЩЕНИЯ
Кафедра «Электротехника»
МЕТОДИЧЕСКИЕ УКАЗАНИЯ
к выполнению лабораторной работы по дисциплине
«Электрические машины и электропривод»
для студентов специальностей
«Локомотивы», «Вагоны», «Электрический транспорт железных дорог»
всех форм обучения
Составители: Буштрук Т. Н,
Дубинин А. Е.
Самара 2009
1. Электроприводы с ручным управлением
1.1. Электропривод системы "Источник ЭДС — двигатель постоянного
тока независимого возбуждения "
- Электрическая схема соединений
- Перечень аппаратуры
- Описание электрической схемы соединений
- Указания по проведению эксперимента
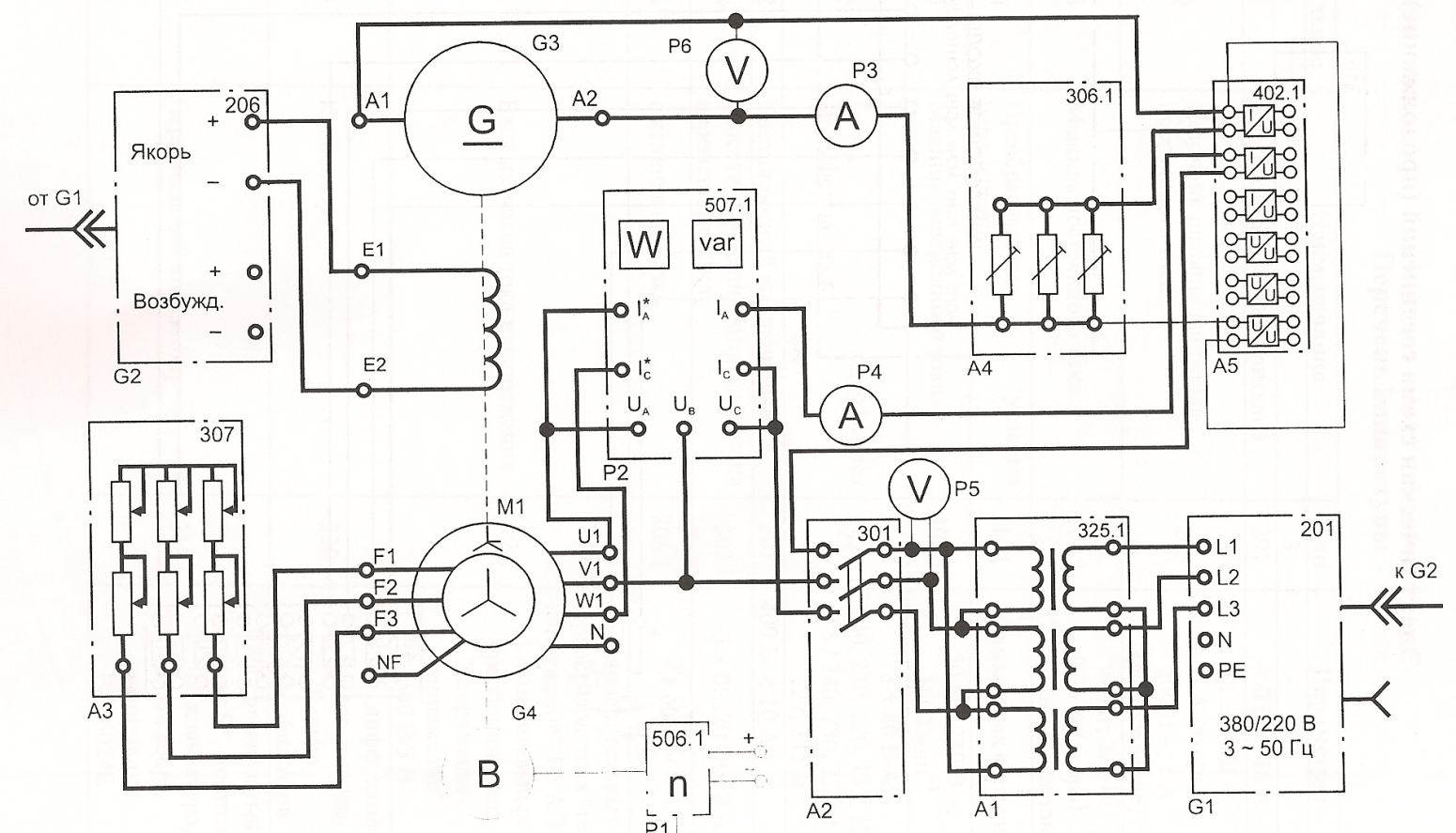
Электрическая схема соединений

Электрическая схема соединений (продолжение)

Перечень аппаратуры
| Обозначение | Наименование | Тип | Параметры |
| 1 | 2 | 3 | 4 |
| G1 | Трехфазный источник питания | 201 | 400 В ~;16 А |
| G2 | Источник питания двигателя постоянного тока | 206 | 0...250 В – 5 А (якорь) 200 В-; 1 А (возбуждение) |
| G3 | Возбудитель машины переменного тока | 209 | 0...40 В-; 8 А |
| G4 | Машина переменного тока | 102.1 | 50 Вт; 230 В ~;
1500
|
| G5 | Преобразователь угловых перемещений | 104 | 6 выходных сигналов |
| Ml | Машина постоянного тока | 101.1 | 90 Вт; 220 В 0,76 А (якорь) 220 В (возбуждение) |
| А1 | Реостат возбуждения машины постоянного тока | 308.1 | 0...2000 Ом; 0,1...0,5 А |
| А2 | Активная нагрузка | 306.1 | 3 х0...50 Вт; 220/380 В |
| A3 | Реостат пусковой | 323/1 | 200 Ом; 0?8 А |
| А4 | Блок датчиков тока и напряжения | 402.1 | 3 измерительных преобразователя "ток-напряжение" 1,5 А/3 В; 3 измерительных преобразователя "напряжение- напряжение" 600 В/3 В |
| А5 | Коннектор | 330 | 8 аналог, дифф. входов; 2 аналог, выхода; 8 цифр, входов/ выходов |
| А6 | Персональный компьютер | 310 | IBM-совместимый Windows 9*, монитор, мышь, клавиатура, плата сбора информации PCI 6024Е |
| 1 | 2 | 3 | 4 |
| Р1 | Указатель частоты вращения | 506.1 | 2000...0...2000
|
| Р2, РЗ | Мультиметр | 501 | 0...1000 В 0...20 А |
Описание электрической схемы соединений
Обмотка возбуждения машины постоянного тока, используемой как двигатель с независимым возбуждением, присоединена через реостат А1 к нерегулируемому выходу "ВОЗБУЖДЕНИЕ" источника G2. К регулируемому выходу "ЯКОРЬ" источника присоединены последовательно соединенные якорная обмотка того же двигателя, а также реостат A3 и датчик тока блока А4. Вход питания источника G2 присоединен с помощью электрического шнура к одной из двух розеток "220 В трехфазного источника G1.
Обмотка ротора машины переменного тока, используемой как нагрузочный генератор G4, через гнезда "Fl", "F3" присоединена к выходу возбудителя G3, вход питания которого присоединен с помощью электрического шнура к одной из двух розеток "220 В трехфазного источника G1.
Фазы статорной обмотки генератора G4 присоединены к активной нагрузке А2.
Датчик тока блока А4 включен в цепь якоря двигателя Ml.
Выход указателя частоты вращения Р1 присоединен к аналоговому входу АСН0-АСН8 коннектора А5.
Выход датчика тока блока А4 присоединен к дифференциальному аналоговому входу АСЯ1-АСН9 коннектора.
Вход датчика напряжения блока А4 подключен к якорной цепи двигателя Ml, а его выход - к дифференциальному аналоговому входу АСН2-АСН10 коннектора.
Коннектор А5 с помощью ленточного провода присоединен к плате сбора данных компьютера А6.
Указатель частоты вращения Р1 присоединен к выходу преобразователя угловых перемещений G5.
В цепь обмотки возбуждения и в якорную цепь двигателя постоянного тока включены амперметры Р2 и РЗ.
Указания по проведению экспериментов
- Убедитесь, что устройства, используемые в экспериментах, отключены от сети электропитания.
- Соберите электрическую схему соединений тепловой защиты машины переменного тока (стр. 15).
- Соедините гнезда защитного заземления
устройств, используемых в эксперименте, с гнездом "РЕ" источника G1.
- Соедините аппаратуру в соответствии с электрической схемой соединений.
- Переключатели режима работы источника G2 и возбудителя G3 установите в положение "РУЧН.".
- Регулировочные рукоятки источника G2 и возбудителя G3 поверните против часовой стрелки до упора.
1.1.1 Определение координат и параметров электропривода в статическом
режиме
- Частоту вращения п [мин-1] двигателя измеряйте с помощью указателя Р1.
- Ток возбуждения, ток и напряжение якоря двигателя измеряйте соответственно мультиметрами Р2, РЗ и вольтметром источника G2.
1.1.2. Определение статической механической характеристики двигателя
- Переведите регулировочные рукоятки реостатов А1 и A3, например, в крайнее против часовой стрелки положение, а активной нагрузки А2 в крайнее по часовой стрелке положение.
- Включите источник G1. О наличии напряжений фаз на его выходе должны сигнализировать светящиеся лампочки.
- Включите выключатель "СЕТЬ" и нажмите кнопку "ВКЛ." источника G2.
- Вращая регулировочную рукоятку источника G2, разгоните двигатель Ml до частоты вращения, например, 1500 мин-1.
- Включите выключатель "СЕТЬ" и нажмите кнопку "ВКЛ." возбудителя нагрузочного генератора G3.
- Вращая регулировочную рукоятку возбудителя генератора G3, изменяйте ток якоря 1а двигателя Ml и заносите показания амперметра и вольтметра источника G2 и указателя Р1 в таблицу 1.1.1.
Таблица 1.1.1.
| Ia, А | ||||||||||
| Ua, В | ||||||||||
| n, мин-1 |
- По завершении эксперимента сначала у возбудителя G3, а затем у источника G2 поверните регулировочную рукоятку против часовой стрелки до упора, нажмите кнопку "ОТКЛ." и отключите выключатель "СЕТЬ". Отключите источник G1 нажатием на кнопку - гриб и последующим отключением ключа - выключателя.
- Используя данные табл. 1.1.1. вычислите значения угловой частоты вращения со по выражению

и вращающего момента М на валу двигателя по эмпирической формуле

и занесите полученные результаты в табл 1.1.2.
Таблица 1.1.2.
| М, Н*м | ||||||||||
ω
|
- Постройте в виде графика механическую характеристику со = f (М) двигателя.
1.1.3. Регулирование скорости вращения двигателя изменением сопротивления реостата в цепи якоря
- Переведите регулировочные рукоятки реостатов А1 и A3, например, в крайнее против часовой стрелки положение, а активной нагрузки А2 в крайнее по часовой стрелке положение.
- Включите источник G1. О наличии напряжений фаз на его выходе должны сигнализировать светящиеся лампочки.
- Включите выключатель "СЕТЬ" и нажмите кнопку "ВКЛ." источника G2.
- Вращая регулировочную рукоятку источника G2, разгоните двигатель Ml до частоты вращения, например, 1500 мин"1.
- Включите выключатель "СЕТЬ" и нажмите кнопку "ВКЛ." возбудителя G3.
- Вращая регулировочную рукоятку возбудителя нагрузочного генератора G3, установите ток якоря двигателя Ml равным, например, 0,5 А и поддерживайте его в ходе эксперимента.
- Меняя положение регулировочных рукояток реостата A3, изменяйте его сопротивление R и заносите значения последнего и показания указателя Р1 в таблицу 1.1.3.
Таблица 1.1.3.
| R, Ом | ||||||||||
|
- По завершении эксперимента сначала у возбудителя G3, а затем у источника G2 поверните регулировочную рукоятку против часовой стрелки до упора, нажмите кнопку sL "ОТКЛ." и отключите выключатель "СЕТЬ". Отключите источник G1 нажатием на L"
кнопку - гриб и последующим отключением ключа - выключателя.
• Используя данные табл. 1.1.3, вычислите по формуле 1.1.1 значения угловой частоты вращения со двигателя и занесите полученные результаты в табл. 1.1.4.
Таблица 1.1.4
| R, Ом | ||||||||||
ω
|
- Постройте характеристику со = f (R) двигателя.
1.1.4. Регулирование скорости вращения двигателя изменением
возбуждения
- Переведите регулировочные рукоятки реостатов А1 и A3, например, в крайнее против часовой стрелки положение, а активной нагрузки А2 в крайнее по часовой стрелке положение.
- Включите источник G1. О наличии напряжений фаз на его выходе должны сигнализировать светящиеся лампочки.
- Включите выключатель "СЕТЬ" и нажмите кнопку "ВКЛ." источника G2.
- Вращая регулировочную рукоятку источника G2, разгоните двигатель Ml до частоты вращения, например, 1000 мин-1.
- Включите выключатель "СЕТЬ" и нажмите кнопку "ВКЛ." возбудителя G3.
- Вращая регулировочную рукоятку возбудителя G3 установите ток якоря двигателя Ml равным, например, 0,5 А и поддерживайте его в ходе эксперимента.
- Меняя положение регулировочной рукоятки реостата А1, изменяйте ток возбуждения If и заносите показания амперметра Р2 и указателя Р1 в таблицу 1.1.5.
Таблица 1.1.5.
| If, А | ||||||||||
|
- По завершении эксперимента сначала у возбудителя G3, а затем у источника G2 поверните регулировочную рукоятку против часовой стрелки до упора, нажмите кнопку "ОТКЛ." и отключите выключатель "СЕТЬ". Отключите источник G1 нажатием на кнопку - гриб, и последующим отключением ключа - выключателя.
- Используя данные табл. 1.1.5. вычислите значения угловой частоты со двигателя и занесите полученные результаты в табл. 1.1.6.
Таблица 1.1.6.
| If, А | ||||||||||
ω
|
• Постройте характеристику ω = f(lf) двигателя.
1.1.5. Регулирование скорости вращения двигателя изменением напряжения
якоря
- Переведите регулировочные рукоятки реостатов А1 и A3, например, в крайнее против часовой стрелки положение, а активной нагрузки А2 в крайнее по часовой стрелке положение.
- Включите источник G1. О наличии напряжений фаз на его выходе должны сигнализировать светящиеся лампочки.
- Включите выключатель "СЕТЬ" и нажмите кнопку "ВКЛ." источника G2.
- Вращая регулировочную рукоятку источника G2, разгоните двигатель Ml до частоты вращения, например, 1500 мин-1.
- Включите выключатель "СЕТЬ" и нажмите кнопку "ВКЛ." возбудителя G3.
- Вращая регулировочную рукоятку источника G2, уменьшайте напряжение якоря (источника G2) Ua двигателя Ml и заносите показания вольтметра источника G2 и указателя Р1 в таблицу 1.1.7.
Таблица 1.1.7.
| Ua, В | ||||||||||
|
- По завершении эксперимента сначала у возбудителя G3, а затем у источника G2 поверните регулировочную рукоятку против часовой стрелки до упора, нажмите кнопку "ОТКЛ." и отключите выключатель "СЕТЬ". Отключите источник G1 нажатием на кнопку - гриб, и последующим отключением ключа - выключателя.
- Используя данные табл. 1.1.7 вычислите значения угловой частоты вращения ω двигателя по выражению (1.1.1.) и занесите полученные результаты в табл. 1.1.8.
Таблица 1.1.8.
| Ua, В | ||||||||||
ω
|
• Постройте в виде графика характеристику ω = f (Ua) двигателя.
1.1.6. Определение координат и параметров электропривода в переходном
режиме
[1] Приведите в рабочее состояние персональный компьютер А6. Войдите в каталог С:\Программное обеспечение учебного лабораторного комплекса «Электротехника и основы электроники» \ Осциллографы и откройте прикладную программу "Панель виртуальных графопостроителей и цифровых индикаторов".
• Установите продолжительность работы панели путём задания "числа сканирований" и "скорости сканирования".
• Выберите из меню видов тока "Постоянный ток".
• Запустите "Панель виртуальных графопостроителей и цифровых индикаторов" нажатием кнопки Run, прежде чем начнётся интересующий переходный процесс.
• По завершении работы программы наблюдайте зависимости от времени скорости вращения, тока якоря и момента двигателя на экране виртуального графопостроителя и определите их величины в интересующие моменты времени путём сканирования с помощью цифровых индикаторов.
1.1.7. Определение динамической механической характеристики двигателя
• Приведите в рабочее состояние персональный компьютер А6. Войдите в каталог С:\Программное обеспечение учебного лабораторного комплекса «Электротехника и основы электроники» \ Осциллографы и откройте прикладную программу "Панель виртуальных графопостроителей и цифровых индикаторов".
• Установите продолжительность работы панели путём задания "числа сканирований" и "скорости сканирования".
• Выберите из меню видов тока "Постоянный ток".
• Запустите "Панель виртуальных графопостроителей и цифровых индикаторов" нажатием кнопки Run,прежде чем начнётся интересующий переходный процесс.
• По -завершении работы программы наблюдайте механическую характеристику ω = f(м) двигателя на экране виртуального графопостроителя и определите координаты её точек в интересующие моменты времени путём сканирования с помощью цифровых индикаторов.
1.2. Электропривод системы "Источник напряжения промышленной частоты - асинхронный двигатель с фазным ротором"
- Электрическая схема соединений
- Перечень аппаратуры
- Описание электрической схемы соединений
- Указания по проведению эксперимента
Электрическая схема соединений

