Задание и исходные данные Содержание
Задание и исходные данные
Введение. 4
1. Расчет настила и прокатных балок балочной клетки. 4
1.1. Расчет стального настила. 4
1.2. Расчет балки настила. 5
1.3. Расчет вспомогательной балки. 7
2. Расчет сварной главной балки. 10
2.1. Расчетная схема. Нагрузки. Усилия. 10
2.2. Подбор сечения. 11
2.3. Опорная часть. 14
2.4. 2.4. Конструктивное обеспечение устойчивости стенки. 16
2.5. Проверки прочности, жесткости и устойчивости балки и ее элементов. 17
3. Расчет колонны сплошного сечения. 20
3.1. Расчетная схема. Усилия. 20
3.2. Подбор сечения стержня колонны.. 21
3.3. Проверки жесткости, общей и местной устойчивости колонны и ее элементов. 23
3.4. Конструирование и расчет оголовка. 24
3.5. Конструирование и расчет базы колонны. 25
4. Конструирование и расчет узлов сопряжения элементов балочной клетки. 28
4.1. Расчет прикрепления настила. 28
4.2. Расчет и конструирование узла пониженного опирания балок 28
4.4. Конструирование равнопрочного монтажного (укрупнительного) узла главной балки. 29
Литература. 31
Введение
Широкое применение в строительстве металлических конструкций позволяет проектировать сборные элементы зданий и сооружений сравнительно малой массы, организовывать поточное производство конструкций на заводах и поточный или поточно-блочный монтаж их на строительной площадке, ускоряет ввод объектов в эксплуатацию.
1. Расчет настила и прокатных балок балочной клетки
1.1. Расчет стального настила
Так как полезная нагрузка на настил 20 кПа (20 кН/м2) его толщина tn и пролет
определяется только жесткостью.
Полезная нагрузка: 20 кПа.
Принята толщина настила 10 мм.
;
где
- нормативная нагрузка на настил, кПа ,
;
- расход стали от настила, кг/м2 
- коэффициент надежности по назначению;
Е – модуль продольной упругости стали, Е=21000 кН/см2.
Таблица 1. Отношение пролета настила к его вертикальному допускаемому прогибу (no) для конструкций балочной клетки рабочей площадки
| Пролет настила или балки, м | ≤ 1 | 3 | 6 | 24 | 36 |
| no = ℓ /[f] | 120 | 150 | 200 | 250 | 300 |
Требуемый пролет в свету (между балками настила) равен
.
Количество балок настила
. Принимаем 8 шт.
Окончательное расстояние между балками настила
принято кратным длине вспомогательной балки 
1.2. Расчет балки настила
где
- расчетное сопротивление материала балок настила и вспомогательных балок,
=24.5кН/см2;
В – шаг главных балок в балочной клетке рабочей площадки, В = 10м.

Рис. 1. Схема балочной клетки усложненного типа:
К – колонны; БН – балки настила; БВ – балки вспомогательные;
БГ1, БГ2 – заводские части (марки) главных балок
С целью типизации конструкций шаг вспомогательных балок увязана с длиной главной балки L =
= 18м, т. е. уложена на ней целым числом.
Количество вспомогательных балок 
Принимаю 6 шт., 
Нормативная нагрузка на балку, кН/м,
,
где
- коэффициент, учитывающий нагрузку от собственного веса балки настила,
, ℓn =1,25- пролет настила.
Расчетная нагрузка на балку, кН/м,
где
- коэффициент надежности по полезной нагрузке (задается заданием на проектирование),
=1,1;
- коэффициент надежности по нагрузке от собственного веса стальных конструкций, он принят равным 1,05.

Рис. 2. Расчетная схема балки настила
Для подбора сечения балки необходимы усилия:
- максимальный расчетный изгибающий момент, кН∙м,
;
- максимальный нормативный изгибающий момент, кН∙м,
;
- максимальное расчетное перерезывающее усилие (опорная реакция балки),кН,
.
Минимальный из условия прочности момент сопротивления сечения балки настила:
,
Ry – расчетное сопротивление материала балки, кН/см2;
- коэффициент условия работы балки. В курсовом проекте принят равным 0.9;
Минимальный из условия жесткости момент инерции сечения балки: 
Для
принимаю
.
По требуемым величинам
и
из сортамента на прокатные - по ГОСТ 26020-83 выбирается двутавр с минимальной погонной массой
. В нашем случае он принимается за оптимальное сечение балки настила.
ГОСТ 26020-83, двутавр №18Б2

1.3. Расчет вспомогательной балки
Вспомогательные балки, как и балки настила, опираются шарнирно на главные балки. При этом их пролет принят равным шагу главных балок, т. е.
, а расчетная схема – аналогична расчетной схеме балки настил.
Нормативная нагрузка на балку, кН/м,
где
- расход стали, кг/м2, от балок настила
;
- погонная масса принятой балки настила определена по сортаменту, кг/м .
- коэффициент, учитывающий нагрузку от собственного веса вспомогательной балки,
.
Расчетная нагрузка на балку, кН/м,
.
Максимальные усилия в балке:
;
;
.
Требуемый момент сопротивления:
.
Требуемый момент инерции:

Для
принимаю
.
ГОСТ 26020-83, двутавр №70Б1


Рис.3 Поперечное сечение второстепенной балки
| мм | Площадь сечения, | Линейная плотность, | Справочные величины для осей | |||||||||||
| h | b | s | t | r | см2 | кг/м | Х-Х | Y-Y | ||||||
| Ix, см4 | Wx,см3 | Sx, см3 | tx, см | Iy, см4 | Wy,см3 | ty, см | ||||||||
| 691 | 260 | 12 | 18.5 | 24 | 164.7 | 129.3 | 1E+05 | 3645 | 2095 | 27.65 | 5437 | 418.2 | 5.44 | |
Необходимо проверить принятое сечение балки на прочность по формуле
,
,
- Условие выполняется.
где W х – момент сопротивления сечения двутавра балки, см3, (принятый по сортаменту).
2. Расчет сварной главной балки
2.1. Расчетная схема. Нагрузки. Усилия
В принятой схеме балочной клетки на промежуточную главную балку с шагом ℓbn =3м (рис. 4) опираются (с двух сторон) вспомогательные балки. На главную балку второстепенные балки опираются в 2 точках.

Рис. 4. Расчетная схема главной балки
Нормативная нагрузка:

Расчетная нагрузка:

где В – шаг главных балок, В=10м;
- коэффициент, учитывающий нагрузку от собственного веса главной балки, принят равным 1,05;
- расход стали, кг/м2, от вспомогательных балок 
Главные балки в курсовом проекте приняты разрезными с опиранием на колонны сверху, т.е. шарнирно. За расчетный пролет главной балки принято расстояние между осями колонн, т. е.
.
При трех или двух точках опирания вспомогательных балок на главную балку усилия в последней определяются по правилам строительной механики или по формулам:
;
;
;
,
где
- коэффициент, принимаемый по табл. 3,
= 8.
Максимальные усилия в балке:
;
;
;
Коэффициенты, используемые при вычислениях минимальной высоты главной балки при числе точек опирания вспомогательных балок n =6:
=0,211,
=1,042, изгибающий момент в главной балке
=8 и оптимальное расстояния от края балки до мест изменения ее сечения
=0,167.
2.2. Подбор сечения
Подбор сечения сварной балки в средней зоне длины заключается в назначении
размеров сечения стенки и полок (рис. 4), обеспечивающих надлежащую прочность, устойчивость и жесткость их и балки в целом.
Подбор сечения балки начинается с назначения ее высоты, которая определяется условиями жесткости, минимума расхода стали и увязывается с заданной строительной высотой балочной клетки.
Минимальная высота балки, hmin, (высота из условия жесткости):
,
где
- коэффициент, зависящий от количества точек опирания вспомогательных балок в пролете главной балки,
- расчетное сопротивление листовой стали, из которой изготовлена главная балка, кН/см2;
- коэффициент увеличения прогиба балки с переменным сечением по ее длине;
- усредненный коэффициент надежности по нагрузкам на главную балку, равный
.
Высота балки, см, при которой ее масса будет минимальной:
,
где
- коэффициент, принимаемый по табл. 4;
- требуемый момент сопротивления сечения балки, см3, определенный без учета развития пластических деформаций
.
Таблица 3. Величина коэффициента
в формуле оптимальной высоты балки
| Вид балки | при расчете по упругой стадии
|
| Сварная постоянного сечения | 3,14 |
| Сварная переменного сечения | 2,76 |
Окончательная высота стенки балки принята 1.4 м.
Определение толщины стенки:
Из условия прочности на срез толщина стенки, см, определяю формулой
,
где 1,2 – коэффициент, учитывающий неравномерность распределения касательных напряжений в сечении стенки;
Rs – расчетное сопротивление стали стенки на срез, кН/см2,
.
С целью обеспечения местной устойчивости толщина стенки, см , принята близкой к 
или 
Во избежание установки продольных ребер жесткости толщину стенки принять не менее
.
Окончательную толщину стенки балки назначаю по ГОСТ 19903-74*
.
Определение толщины ( tf )и ширины ( bf )пояса:
;
Требуемая толщина пояса определяется из условия обеспечения необходимой площади его сечения
;
где
- требуемая из условия прочности балки площадь сечения пояса.
;
- требуемый момент сопротивления сечения балки
;
;

Принимаю 
; принято:
.


Рис.5. Поперечное сечение
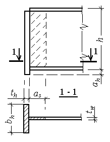
2.3. Опорная часть
Главная балка на колонну опирается через опорное ребро со строганным нижним торцом, выпущенным ниже нижнего пояса балки на 30 мм (
).
Сечение этого ребра назначается из условия прочности на смятие строганного торца. Требуемая площадь, см2:
;
где
- расчетное сопротивление смятию торцевой поверхности материала опорного ребра, кН/см2.
Толщина ребра th: принята равной толщине стенки tw,
th = tw = 20 мм
Ширина ребра
, принята: 38 см.
Так как высота балки более 1 м, ее опорная часть (как условная стойка, на рис. 5 она заштрихована) проверена на устойчивость из плоскости стенки. В опорную часть кроме торцового ребра включается примыкающий к нему участок стенки шириной
.

Рис. 6. Вариант выполнения опорной части главной балки.
|
|
Устойчивость проверена формулой:
, где
- коэффициент продольного изгиба условной стойки относительно оси, совпадающей с продольной осью балки;
- площадь поперечного сечения, см2, условной стойки, равная
.
Коэффициент продольного изгиба
определяется по СНИП П-23.81* и зависит от гибкости условной стойки
, где
- высота условной стойки, см,
;
- радиус инерции сечения условной стойки, относительно оси стенки
;
- момент инерции сечения “стойки”, см4,
;



;
Условие выполняется.
Катет двухстороннего сварного шва прикрепления опорного ребра к стенке:

где
- расчетное сопротивление наплавленного металла сварного шва электродом Э-46-А;
- коэффициент, учитывающий вид и способ сварки;
принят равным 0,7.
Окончательный размер катета шва принят 7 мм.
2.4. Конструктивное обеспечение устойчивости стенки
В местах опирания вспомогательных балок (они в нашем случае крепятся сбоку) в главной балке ставятся парные поперечные (вертикальные) ребра жесткости (рис. 7). Они обеспечивают как местную прочность стенки, так и ее устойчивость.

Рис. 7. Промежуточные ребра жесткости главной балки
Гибкость стенки:

следовательно, предельное расстояние между ребрами равно
.
Ширина ребер, мм: принята большей из двух:


где d – диаметр болтов, мм, крепления вспомогательных балок (d-16мм).
Принято 100 мм.
Толщина ребер жесткости, мм: принимается не менее толщины стенки вспомогательной балки, не менее
.
В соответствии с ГОСТ 19903-74*. Толщина ребер жесткости принята: 
К стенке балки ребра привариваются двухсторонними угловыми швами с катетом kf =4 мм.
2.5. Проверки прочности, жесткости и устойчивости балки и ее элементов
- площадь поперечного сечения средней части, см2
;
- момент инерции поперечного сечения средней части, см4
;
- момент сопротивления поперечного сечения средней части, см3
.
Проверка прочности балки в месте действия максимального изгибающего момента:
,
Проверка жесткости балки:
,
- принимается в см, а величины
и
- определяются по табл. 3 и 2 [1].
Местная устойчивость сжатого пояса сварной балки считается обеспеченной, если соблюдается условие
.
Так как отсутствуют сосредоточенные силы, приложенные к верхнему поясу балки и выполняется условие
,следовательно, местная устойчивость обеспечена.
Проверка общей устойчивости:

,
где
- свободная длина балки.
.
3. Расчет колонны сплошного сечения
3.1. Расчетная схема. Усилия
Колонны рабочей площадки представляется центрально сжатым стержнем, с шарнирно закрепленными концами (
).
Расчетные длины колонны:
Приняты одинаковыми, равными высоте колонны
,
где Н – высота колонны, м (рис. 7),
;
- отметка верха настила, м (приведена в задании на проектирование
);
- высота балочной клетки, м (в нашем случае она складывается из высоты главной балки, размера выступа ее опорного ребра и толщины настила);
- глубина заделки колонны под пол (она принята несколько больше высоты базы и равняется 500 мм).

Рис. 8. Сплошная колонна
Расчетное усилие в колонне, кН:
,
где N * - расчетное продольное усилие в верхнем сечении промежуточной колонны, кН, на которую опираются две промежуточные главные балки
;
Gk – ориентировочный вес, кН, промежуточной колонны
;
- расчетное сопротивление листовой стали, кН/см2, из которой выполняется колонна;
- коэффициент продольного изгиба центрально сжатого стержня (при
=60).
- конструктивный коэффициент, учитывающий вес дополнительных деталей колонны). Он принят в пределах 1,3;
- объемный вес стали
.
3.2. Подбор сечения стержня колонны
Подбор сечения сплошной колонны заключается в определении габаритных размеров ее поперечного сечения (размеры bf и h, см. рис. 9), его требуемой площади, назначении толщин стенки tw и полок tf при заданной гибкости стержня и с учетом требований обеспечения местной устойчивости элементов.

Рис. 9. Поперечное сечение стержня сплошной колонны
Сечение колонн рабочей площадки принимаем двутавровым с ориентировочными (или предварительными) габаритными размерами, обеспечивающими заданную гибкость
=60.
Предварительные габаритные размеры:
; Принято bf=60 см.
Принято 68 см.

Толщина стенки:
При 

Окончательная толщина стенки tw принята по ГОСТ 19903-74*
tw =14мм.
Ориентировочная площадь сечения одного пояса:
; 
Требуемая толщина пояса:
.
по ГОСТ 19903-74* принято: 
Требуемая ширина пояса:
.
Назначаем окончательную ширину пояса 
Принято 60 см.
Пояса со стенкой в колонне свариваются двухсторонними угловыми швами с минимальным катетом шва ч
( kf = 7 мм)
3.3. Проверки жесткости, общей и местной устойчивости колонны и ее элементов
Необходимые для расчетов геометрические характеристики сечения:
- площадь сечения,см2
;
Ix-момент инерции относительно оси х, см4
;
Iy- момент инерции относительно оси у, см4
;
ix, iy- радиусы инерции сечения относительно осей х и у, см, соответственно равны
;
.
Действительные гибкости стержня колонны относительно осей равны
и
.
По большей гибкости стержня
=
определяем коэффициент продольного изгиба
= 0. 805 и проверяем его общую устойчивость

;
3.4. Конструирование и расчет оголовка

Рис. 10. Оголовок сплошной колонны
Конструирование оголовка колонны заключается в назначении размеров опорной плиты, ребер и отверстий под болты крепления балок (рис. 10).
Лист плиты оголовка принимается конструктивно толщиной
= 25 мм, а его размеры в плане на 10 мм превышают габаритные размеры сечения стержня. Горизонтальные ребра также назначаются конструктивно: толщиной 10 мм и шириной не менее
=
. Принимаю 64 мм.
Ширина одного ребра оголовка (
):

Толщина ребра (
):

Принято по ГОСТ
.
Длина ребер:
,
- катет сварного шва.
hh0=84 см.
3.5. Конструирование и расчет базы колонны.


Рис. 11. База сплошной центрально сжатой колонны
В курсовом проекте принята база колонны в виде опорной плиты.
Площадь плиты в плане, Apl определяются усилием в колонне и классом бетона фундамента :
,
где
- расчетное сопротивление сжатию материала фундамента, кН/см2,
;
- коэффициент, учитывающий соотношение площади верха фундамента Af и площади плиты
(задается в пределах 1,2…1,5 и определяют необходимую площадь верха фундамента);
- расчетное сопротивление бетона сжатию.
Ширина плиты,
(см) принимается несколько больше ширины сечения стержня колонны
= 60+2·(1+10) = 82 см,
где ttr – толщина траверсы, принимаю 10 мм; d - ширина свеса плиты за траверсу, принимаю 100 мм. Принятая ширина плиты должна быть кратна 20 или 50 мм.
Требуемая из условия прочности бетона фундамента длина плиты должна быть не менее
.
Окончательный размер длины плиты 
Напряжение в фундаменте:
,
прочность фундамента обеспечена
; 
Максимальный изгибающий момент (участок 1):

Максимальный изгибающий момент (участок 2):


При отношении сторон
:
, где
а1 – длина свободной стороны пластинки.
Максимальный изгибающий момент (участок 3):
;

При отношении сторон
: 
b - меньшая сторона пластинки.
Требуемая толщина плиты:
,
где
- наибольший из трех изгибающих моментов, определенных выше для участков плиты, кНсм/см;
- расчетное сопротивление материала плиты, кН/см2
Окончательная толщина листа принята по ГОСТ 
Требуемая высота траверс определяется длиной, необходимой по прочности восьми сварных швов, которыми траверсы крепятся к поясам стержня:

Окончательный размер высоты траверсы принимается
;
50
0,7·68=47.6.

Анкерные болты (не менее двух) назначаются конструктивно диаметром 20 мм.
4. Конструирование и расчет узлов сопряжения элементов балочной клетки
4.1. Расчет прикрепления настила.
Настил к балке настила крепится сплошным сварным швом.
Погонное растягивающее усилие в настиле:
,
где
коэфф. надежности по полезной нагрузке, 
- отношение пролета к его допустимому прогибу [табл.2];
- толщина настила.
Требуемая высота катета непрерывного сварного шва:
Высота катета сварного шва принята 3мм.
4.2. Расчет и конструирование узла пониженного опирания балок
При примыкании вспомогательной балки к главной балке сбоку (рис. 12) прикрепление первой ко второй осуществляется на болтах диаметром 16 мм.
Число болтов (n) (из условия прочности их на срез):
.
где - 1,2 - коэффициент, учитывающий дополнительное усилие от частичного защемления конца вспомогательной балки в узле;
- расчетное сопротивление болтов срезу, кН/см2, принимаемое по СНиП;
- коэффициент условия работы болтов в соединении, принят равным 0,9;
- диаметр болтов, см.

Рис. 12. Пониженное сопряжение балок в рабочей площадке
Число болтов (из условия прочности их на смятие):
,
где
- расчетное сопротивление смятию элементов, соединяемых болтами, кН/см2, принимаемое по СНиП;
- толщина более тонкого листа (см) в соединении (см. рис 11).
Число болтов в узле принято: 9 шт.
4.4. Конструирование равнопрочного монтажного (укрупнительного) узла главной балки.
Длина главной балки = 18м.
Монтажный стык располагается в середине пролета:
;
.

Рис. 13. Последовательность выполнения сварного монтажного стыка
составной балки
С целью снижения сварочных напряжений от сварки монтажного стыка, его выполняют в определенной последовательности, изображенной на рисунке, причем в последнюю очередь завариваются участки поясных швов (по 500 мм), специально не сваренных в заводских условиях.
Для обеспечения провара всех элементов в стыке на всю толщину кромки их обрабатываются.
Литература.
1. Металлические конструкции. Том 1. Элементы конструкций. Под ред. проф. В.В. Горева. М.: Высшая школа. 2001, 1997. –528 с.
2. СНИП П-23.81*. Стальные конструкции. М.: ЦИТП. 2001. -96 с.
3. ГОСТ 21.501-93. Правила выполнения архитектурно-строительных чертежей. М.: ГУП ЦПП. 1998. -58 с.
4. Лихтарников Я.М. и др. Расчет стальных конструкций: Справочное пособие. -Киев: Будивельник, 1984, -366с.
5. Раздел «Металлические конструкции» в папке «Студент – ГСХ» на диске “Z” сервера ВЦ кафедры «Строительные конструкции».
6. Лихтарников Я.М. Вариантное проектирование и оптимизация стальных конструкций. М.: Стройиздат. 1979. -319 с.
7. Мандриков А.П. Примеры расчета металлических конструкций. М.: Стройиздат. 1991. -431 с.
8. Васильченко В.Т. и др. Справочник конструктора стальных конструкций. Киев. Будивельник. 1990. –312 с.
9. СНИП 2.01.07-85*. Нагрузки и воздействия. М.:ГУП ЦПП. 2001. -43 с.
10. Металлические конструкции. Под ред. проф. Е.И. Беленя. М.: Стройиздат. 1986. –560 с.
