Обзор существующих схемотехнических решений построения источников дежурного освещения.
1.1. Дежурное освещение на светодиодах.
Для освещения будут использоваться мощные светодиоды 0,5 Ватт, они достаточно ярки и им не нужен внешний дополнительный радиатор, в отличие от более мощных аналогов «звёздочек» по 1-3 Ватта. В данной конструкции используются четырёхногие белые светодиоды 7,62мм 100мА с углом рассеивания 140°. Падение напряжения на светодиоде ~3.3В. Питание от сети 220Вольт. По закону Ома, величина гасящего сопротивления должна быть (220В-3.3*3)/0.1А=2200Ом. Рассеиваемая на нём мощность, соответственно, составит более 20Ватт. Резистор, с такими параметрами, имеет весьма внушительные размеры и, к тому же, будет сильно греться. в качестве сопротивления используется конденсатор.

1.1.Классическая схема с гасящим конденсатором.
Из курса электротехники известно, что конденсатор в цепи переменного тока имеет реактивное сопротивление Xc=1/(2πfC), где f-частота, C — ёмкость конденсатора. Чтобы получить сопротивление конденсатора в районе 2200Ом при частоте 50Гц, ёмкость должна быть C=1/(2*3.14*50*2200)=0.0000014 Фарад. или ~1.4мкФ. Это очень грубый расчет, где не берётся во внимание наличие в схеме выпрямительного моста и сглаживающего конденсатора. Сделаем запас на прочность, взяв ток в 75% от расчётного (яркости светодиодов будет достаточно, а режим их работы станет более щадящим), и возьмём конденсатор ёмкостью 1мкФ. Яркости будет достаточно даже при 0.68мкФ.
В качестве гасящих рекомендуется использовать только специальные помехоподавляющие конденсаторы класса X2, на напряжение не менее 250Вольт. Обычно такие конденсаторы имеют прямоугольную форму и много всяких значков-сертификатов на корпусе. Использование неподходящих конденсаторов может привести к пожару!
Резистор 220 Ом уменьшает бросок тока через конденсатор, при включении. Ведь, разряженный конденсатор, в момент включения, имеет очень маленькое сопротивление и, через всю схему, на доли секунды, протекает очень большой ток. Дополнительно, для защиты светодиодов от бросков тока в момент включения и в процессе работы, в схему включены электролитический конденсатор и мощный стабилитрон.

1.2.Макет схемы в корпусе.
Для изготовления понадобятся:
небольшая разветкоробка (корпус)
| Изм. |
| Лист |
| № докум. |
| Подпись |
| Дата |
| Лист |
| 6 |
| КП-2069965-210302-23-14 |
3 светодиода 0,5 Ватт 100мА
диодный мостик на напряжение не менее 400В и ток 1-2А)
| Изм. |
| Лист |
| № докум. |
| Подпись |
| Дата |
| Лист |
| 7 |
| КП-2069965-210302-23-14 |
стабилитрон на 5Ватт 14-15 Вольт
электролитический конденсатор 100мкФ на напряжение 100В
конденсатор (класса X2) 0.68-1мкФ на напряжение не менее 250В
резистор 1-2 Ватта на 150-200 Ом.
предохранитель на 1-2 Ампера
колодка (клеммник) на два контакта
1.2 Источник освещения с акустическим выключателем.
Устройство, предложенное автором, представляет собой ночник с автономным питанием и светодиодом в качестве источника света, включать и выключать который можно акустическим сигналом, например, хлопком в ладони. Разместить его нетрудно в любом удобном месте, поэтому он будет полезен в туристической поездке, походе и других случаях, поскольку может выполнять функции фонаря, а также найдет применение в различных играх и соревнованиях «кто громче хлопнет» и т. д.
1.3. Принципиальная схема источника освещения с акустическим выключателем.
Оно состоит из микрофона ВМ1, формирователя импульсов на транзисторе VT1, одновибратора на триггере DD1.2, счетного триггера DD1.1 и коммутатора на транзисторе VT2. В качестве источника света использован светодиод EL1 повышенной яркости свечения.
Устройство работает следующим образом. После включения питания конденсатор С1 заряжается через резистор R2. В этот момент на резисторе — высокий уровень, который поступает на вход R (вывод 10) D-триггера DD1.1 и устанавливает низкий уровень на его прямом выходе (вывод 13). Транзистор VT2 закрыт, и светодиод EL1 обесточен. Транзистор VT1 также закрыт и на его коллекторе низкий уровень.
Если теперь хлопнуть в ладони, то на выходе микрофона ВМ1 появляются всплески напряжения, которые через конденсатор С2 поступают на базу транзистора VT1 и открывают его. Коллекторный ток увеличивается, и на нагрузке – резисторе R4 – образуется один или несколько (в зависимости от
| Изм. |
| Лист |
| № докум. |
| Подпись |
| Дата |
| Лист |
| 8 |
| КП-2069965-210302-23-14 |
длительности и характера хлопка) импульсов амплитудой, близкой к напряжению источника питания. Интенсивность хлопков в ладони не всегда постоянна, поэтому на резисторе R4 при одном хлопке появляется разное число импульсов. Для того чтобы счетный триггер DD1.1 переключался один раз при каждом хлопке, в устройство введен одновибратор.
Импульсы поступают на вход S (вывод 6) триггера DD1.2 и устанавливают на его прямом выходе (вывод 1) высокий уровень, запуская тем самым одновибратор. Через резистор R6 начинается зарядка конденсатора СЗ, и как только напряжение на нем превысит приблизительно половину напряжения питания, что будет воспринято входом R триггера DD1.2 как высокий уровень, триггер возвратится в состояние с низким уровнем на прямом выходе, а конденсатор СЗ быстро разрядится через диод VD1. На выходе одновибратора формируется импульс напряжения с длительностью Т, определяемой сопротивлением резистора R6 и емкостью конденсатора СЗ:
Т = 0.7*R6*C3, где емкость конденсатора СЗ — в микрофарадах, а сопротивление резистора R6 — в мегаомах. Для указанных на схеме номиналов элементов — около 0,5 с.
Импульс одновибратора поступит на вход С D-триггера DD1.1. Поскольку инвертирующий выход (вывод 12) DD1.1 соединен с информационным входом D, это превращает его в счетный триггер. Поэтому по фронту импульса одновибратора он переключится в состояние с высоким уровнем на прямом выходе и на за
| Изм. |
| Лист |
| № докум. |
| Подпись |
| Дата |
| Лист |
| 9 |
| КП-2069965-210302-23-14 |
твор транзистора VT2 поступит открывающее напряжение, сопротивление его канала резко уменьшится и светодиод EL1 начнет светить. Длительность сформированного одновибратором импульса в несколько раз превышает длительность хлопка, поэтому переключение будет происходить один раз от одного хлопка. Если теперь еще раз хлопнуть в ладони, то одновибратор снова сформирует импульс и счетный триггер переключится, но на этот раз в состояние с низким уровнем на прямом выходе, сопротивление канала транзистора VT2 увеличится и светодиод EL1 погаснет.
Все детали устройства, кроме батареи и выключателя, монтируют на печатной плате из односторонне фольгированного стеклотекстолита толщиной 1…1,5 мм, изображенной на рис. 2. Плату размещают в корпусе подходящего размера, на котором устанавливают выключатель. В корпусе напротив светодмода и микрофона делают отверстия.
В устройстве использованы резисторы R1 — СПЗ-38а, остальные — МЛТ; конденсаторы С1, С2 — оксидные К50-35 или аналогичные импортные; С2, СЗ — керамические К10-17, КМ-6. Диод можно применить любой кремниевый серий КД102, КДЮЗ, КД503, КД510, КД521, КД522; биполярный транзистор — КТ3107 с любым буквенным индексом. Вместо полевого транзистора КП501А подойдет КП501Б или его функциональный аналог — микросхема К1014КТ1. Микрофон ВМ1 — электретный, например XF-18D. Выключатель SA1 — малогабаритный МТБ-102, SMTS-102 или подобный. Помимо указанного на схеме, можно применить сверхъяркие светодиоды белого свечения ARL-5013UWC, ARL-5613UWW, зеленого — ARL-5213PGC, красного — ARL-5613URW или аналогичные. Для питания можно использовать г
альваническую батарею 3R12G или батарею из трех последовательно соединенных гальванических элементов или аккумуляторов типоразмеров АА или AAA. В стационарном варианте подойдет сетевой блок питания, желательно стабилизированный, с выходным напряжением 5 В. В таком случае на корпусе устройства необходимо установить гнездо для подключения внешнего источника питания. Ток, потребляемый устройством в дежурном режиме (когда светодиод не светит), не превышает 0,25 мА. Оно сохраняет работоспособность при снижении
| Изм. |
| Лист |
| № докум. |
| Подпись |
| Дата |
| Лист |
| 10 |
| КП-2069965-210302-23-14 |
напряжения питания до 3 В, но в зависимости от типа светодиода яркость может существенно уменьшиться.
Налаживание ночника заключается в установке подстроечным резистором R1 напряжения на микрофоне в пределах 0,7…1,3 В. Так как микрофон ВМ1 имеет встроенный усилитель, то, изменяя его режим по постоянному току, можно изменять чувствительность. Требуемое значение тока через светодиод, а значит, и яркость его свечения устанавливают подборкой резистора R5.
Поскольку устройство реагирует на акустические сигналы, то при громкой музыке светодиод будет периодически вспыхивать с частотой около 2 Гц. Поэтому ночник может служить индикатором превышения допустимого уровня шума. В этом случае светодиод EL1 следует использовать красного цвета свечения. Интересное применение устройство может найти в различных соревнованиях, конкурсах, где участники должны поочередно с двух-трех попыток зажечь (и погасить) светодиод хлопками в ладони. Победителем считается тот, кому это удастся сделать с наибольшего расстояния.
От редакции. Следует отметить, что в крайних положениях (см. рис. 1) движка резистора R1 чувствительность микрофона резко падает. Чтобы при регулировке этого не происходило, между движком и микрофоном необходимо установить резистор сопротивлением 5,1…10 кОм.
1.3. Светодиодный маяк с таймером
Предлагаемое устройство предназначено для временного обозначения каких-либо объектов, мест повышенной опасности, привлечения внимания к выступающим за габариты или аварийно расположенным предметам. Его можно также использовать и в различных играх. Отличительной особенностью маяка является то, что он оснащен таймером, поэтому через определенный интервал времени после включения он автоматически выключается. Максимальная длительность выдержки составляет около 90 мин. В дежурном режиме устройство потребляет ток не более 0,1 мкА, что в большинстве случаев меньше тока саморазрядки батареи. В качестве источника света применен светодиод повышенной яркости, поэтому и в рабочем режиме он экономичен.
| Изм. |
| Лист |
| № докум. |
| Подпись |
| Дата |
| Лист |
| 11 |
| КП-2069965-210302-23-14 |

1.4 Принципиальная схема светодиодного маяка с таймером.
Схема устройства показана на рис. 1. На "мигающем" светодиоде HL1 и резисторе R1 собран генератор импульсов, логические элементы DD1.2, DD1.4 выполняют функции инверторов, микросхема DD2 — четырнадцатиразрядный двоичный счетчик, транзистор VT1 обеспечивает коммутацию светодиода HL2.
После подачи питающего напряжения начнется зарядка конденсатора С1 через резистор R2. В данный момент на этом резисторе и входе R счетчика DD2 присутствует высокий уровень, который установит на всех его выходах низкий логический уровень. На выходе элемента DD1.2 будет высокий уровень, и на светодиод HL1 поступит питающее напряжение. Ток, потребляемый "мигающим" светодиодом, периодически резко возрастает, и на резисторе R1 возникает импульс напряжения, который поступает на входы элементов DD1.1 и DD1.3. Стабильность работы генератора невысока, но для таких устройств она не требуется и вполне оправдывается простотой. Поскольку ток через светодиод HL1 не превышает доли миллиампера, его вспышки практически не заметны. С выхода элемента DD1.1 инвертированные импульсы поступают на вход С счетчика DD2, где и осуществляется их счет. Одновременно с импульсом на резисторе R1 формируется импульс и на выходе элемента DD1.4, транзистор VT1 открывается и светодиод HL2 вспыхивает.
С каждым импульсом генератора состояние выходов счетчика изменяется, и когда на выходе 2е (вывод 12 DD2) появится высокий уровень, на выходе элемента
| Изм. |
| Лист |
| № докум. |
| Подпись |
| Дата |
| Лист |
| 12 |
| КП-2069965-210302-23-14 |
DD1.2 высокий уровень сменится низким и работа генератора прекратится. Светодиод HL2 вспыхивать не будет, и в таком — дежурном — состоянии устройство может находиться сколь угодно долго, практически не разряжая батарею, даже если не выключать питание. Для повторного запуска маяка необходимо выключить и снова включить питание. При этом через замкнутый контакт выключателя SA1 конденсатор С2 быстро разрядится, это необходимо и для разрядки конденсатора С1, чтобы при последующем включении маяка установить на выходах счетчика DD2 низкий уровень.
Продолжительность работы маяка зависит от того, к какому из выходов счетчика DD2 подключены входы логического элемента DD1.2 и от частоты "мигающего" светодиода HL1. Для указанных на схеме элементов продолжительность работы составляет примерно 2 мин 20 с. В небольших пределах ее можно изменять подборкой резистора R1 (от 3 до 100 кОм), а в больших — выбором выхода микросхемы DD2, к которому подключены входы элемента DD1.2. Например, для увеличения продолжительности работы маяка в два раза входы элемента DD1.2 следует соединить с выходом 29 (вывод 14) | счетчика DD2. Максимальная продолжительность работы маяка — около 90 мин — будет при соединении входов I элемента DD1.2 с выходом 213 (вывод 3) счетчика DD2.
В устройстве применены постоянные резисторы МЛТ, оксидные конденсаторы — импортные, транзистор КП504А можно заменить транзистором КП501 с любым буквенным индексом или микросхемой КР1014КТ1А. Выключатель питания — любой малогабаритный, например, МТ-1, MTS-102, SMTS-102, светодиод ARL-3014URD-B заменим на ARL-5013URC-B или MSB557DA. Светодиод 10G4DHCBB20 - на ARL-5613URW — красного, ARL-5213PGS — зеленого, ARL-5013UWC, ARL-5613UWW — белого цвета свечения. Для питания можно использовать батарею 3R12P или три соединенных последовательно гальванических элемента типоразмера АА, AAA. Если применен светодиод HL2
красно
| Изм. |
| Лист |
| № докум. |
| Подпись |
| Дата |
| Лист |
| 13 |
| КП-2069965-210302-23-14 |
го или зеленого цвета свечения, то работоспособность маяка сохраняется при напряжении источника питания 3...6 В.
Большинство деталей размещены на печатной плате из односторонне фольтированного стеклотекстолита толщиной 1...1.5 мм, чертеж которой показан на рис. 2. Плату устанавливают в прямоугольном пластмассовом корпусе, например, мыльнице размерами примерно 105x65x35 мм. Внешний вид возможного варианта устройства показан на рис. 3. Выключатель питания SA1 крепят на передней панели корпуса, а светодиод HL2 — на верхней стенке.
Перед установкой радиодеталей на печатной плате необходимо смонтировать проволочные перемычки. Для установки микросхем и полевого транзистора желательно применить панели. При этом для транзистора трехгнездовую панель можно сделать самостоятельно, использовав для этого восьмивыводную панель для микросхем. Сначала ее разрезают так, чтобы получилось две панели по четыре вывода, а затем один из них удаляют; сделать это можно с помощью монтажных кусачек.
Частоту и амплитуду импульсов генератора в небольших пределах можно изменить подбором резистора R1. Для изменения продолжительности работы маяка необходимо скорректировать топологию печатной платы. Если она уже изготовлена, то разрезают печатный проводник, соединяющий вывод 12 микросхемы DD2 с выводами 8 и 9 элемента DD1.2, и устанавливают проволочную перемычку между выводами 8, 9 элемента DD1.2 и выбранным выходом счетчика DD2. Ток через светодиод HL2 устанавливают подбором резистора R3, для этого сток и исток транзистора VT1 временно соединяют перемычкой. Увеличивать ток светодиода HL2 до максимального значения (80 мА) нецелесообразно, так как при токе свыше 50 мА яркость его свечения субъективно возрастает незначительно. Чтобы при включении маяка светодиод HL2 в течение установленного времени светил постоянно, следует вывод 1 элемента DD1.3 отсоединить от катода светодиода HL1 и соединить с выводом 2 этого же элемента. При использовании более
| Изм. |
| Лист |
| № докум. |
| Подпись |
| Дата |
| Лист |
| 14 |
| КП-2069965-210302-23-14 |
мощного источника света, например, лампы накаливания, необходимо применить полевые транзисторы IRF3205, IRL2505L и батарею большей емкости.
1.4. Автоматический включатель освещения на базе датчика движения.
Человеческое тело является источником инфракрасного излучения. Это своство используется для создания пассивных датчиков движения в системах автоматичес-кого включения освещения и охраны помещений. Такие датчики реагируют на малейшие изменения теплового излучения, вызываемые пермещением предметов в помещении. Устройства называются пироэлектрическими датчиками и состоят из инфракрасного приемника теплового излучения и предварительного усилителя на полевом транзисторе. Для снижения уровня помех перед фотоприемником обычно устанавливается светофильтр, пропускающий излучение только в диапазоне длин волн 5-14 мкм, наиболее характерном для из-лучения человеческого тела. Чтобы обеспечить защиту от ложных срабатываний, в более сложных датчиках инфракрасный приемник выполняется в виде двух одинаковых приемников, включенных навстречу друг другу. При таком включении напряжения, генерируемые в фотоприемниках от внешней засветки и изменения температуры корпуса датчика, вычитаются и практически полностью компенсируются. Таким образом,
устройства реагируют только на изменения инфракрасного излучения и являются датчиками движущихся объектов. Не стоит думать, что такой датчик
реагирует на перемещение только нагретых объектов. Так как в помещении всегда присутствует неравномерный тепловой фон, то перемещение даже не нагретого объекта приводит к изменению теплового фона и срабатыванию датчика движения. Примером такого датчика является пироэлектрический
датчик IRA-E710 производства компании Murata. Его схематическое
устройство показано на рис. 1 В качестве исполнительного
элемента использован симистор. В состав устройства входит также датчик внешней освещенности, его можно настроить таким образом, что дополнительное освещение включается только при недостатке
| Изм. |
| Лист |
| № докум. |
| Подпись |
| Дата |
| Лист |
| 15 |
| КП-2069965-210302-23-14 |
естественного. Время, на которое включается освещение, можно регулировать в широких пределах.
Технические характеристики устройства:
• Напряжение питания 220 В ± 10%;
• Максимальная мощность лампы 500 Вт;
• Время включенного состояния от 5 с до 5 мин;
• Дальность срабатывания: 3...5 м;
• Размер печатной платы: 82х40 мм;
• Габариты корпуса: 85х50х35 мм.
Принципиальная электрическая схема устройства показана на рис. 2, а перечень элементов показан на принципиальной схеме.

Рис1.4. Принципиальная схема Автоматического включатель освещения с датчиком движения.
Схема работает следующим образом. Инфракрасное излучение принимается пироэлектрическим приемником PIR1. Так как такой приемник реагирует только на изменение уровня ИК-излучения между площадками приемника, то перед ним устанавливается модуляционная решетка, состоящая из узких горизонтальных прозрачных и непрозрачных полосок. Тепловой объект, перемещаясь поперек них, оказывается поочередно закрыт/открыт для фото-
приемник
| Изм. |
| Лист |
| № докум. |
| Подпись |
| Дата |
| Лист |
| 16 |
| КП-2069965-210302-23-14 |
а. Это вызывает появление на выходе фотоприемника переменного напряжения, которое является признаком движущегося объекта. Подбирая ширину модулирующих полосок, можно добиться максимальной чувстви-тельности прибора для объектов заданного размера, а изменяя размер окна модуляционной решетки, можно оптимально сформиро-вать зону обслуживания прибора.Питание на встроенный усили-тель пироэлектрического приемни-ка подается через сглаживающий фильтр R1, C1. Выходной сигнал снимается с вывода 2. Резистор R19 является внешней нагрузкой встроенного полевого транзистора. Далее сигнал поступает на усилитель с коэффициентом усиления примерно 150, собранный на DA1 (выводы 1, 2, 3). При отсутствии движения в зоне действия датчика напряжение на выходе ОУ будет неизменным. При появлении движущихся объектов на выходе ОУ появляется переменная составляющая, которая через конденсатор С2 поступает на второй каскад усиления на DA1 (выводы 12, 13, 14). Этот каскад имеет усиление около 100. Далее сигнал подается на компаратор, собранный на DA1 (выводы 8, 9, 10) и имеющий порог срабатывания, задаваемый резистивным делителем R8, R11, R20. В исходном состоянии напряжение на выходе компаратора близко к 0, и конденсатор С7 разряжен. Если переменная составляющая сигнала от датчика движения превышает порог срабатывания компаратора, то на его выходе появляется сигнал высокого уровня, который быстро заряжает время задающий конденсатор С7. Диод VD5 не дает разрядиться конденсатору С7 через низкое выходное сопротивление компаратора. Разряд конденсатора происходит через последовательно соединенные резисторы R14, R22. При помощи переменного резистора R22 время разряда можно изменять от 5 с до 5 мин. Конденсатор С7 подключен к неинвертирующему входу вто-рого компаратора, собранного на DA1 (выводы 5, 6, 7). Порог сра-батывания этого компаратора за-дается резистивным делителем R9, R13. Сигнал с выхода этого компаратора поступает на усилитель на транзисторе VT1 и далее на управляющий вывод полупроводникового симистора, который подает напряжение на нагрузку. Время включенного состояния нагрузки определяется суммой продолжительности действия сигнала с датчика движения и постоянной времени разряда цепи С7, R14, R22. теля на R21, R18, C9, VD4, VD6, C8 и двухступенчатого стабилизатора на VD3, R2, C3, VD1.
| Изм. |
| Лист |
| № докум. |
| Подпись |
| Дата |
| Лист |
| 17 |
| КП-2069965-210302-23-14 |
2. Разработка автономного источника дежурного освещения с таймером на основе микроконтроллера КР140УД1208
2.1. Анализ работы источника дежурного освещения, построение и описание его структурной схемы.
Предлагаемый прибор – один из вариантов автономного источника дежурного освещения расширенными за счёт применения микроконтроллера возможностями. Данное зарядное устройство с батарейным питанием обеспечивает включение местного дежурного освещения на короткий промежуток времени. Такой способ освещения позволяет экономить электроэнергию, и не зависит от каких либо сбоев в электросети. С помощью хлопка происходит включение устройства, что обеспечивает удобства в использовании. Светодиод повышенной яркости позволяет освещать небольшие участки
Разработку устройства начнём с построения структурной схемы представленной на рис.2.1. Данное устройство подключается к гальваническому элементу, микроконтроллер выполняет функцию компаратора, и для получения максимального коэффициента усиления по напряжению включен без обратной связи. При подаче сигнала в схему включения освещения, на выходе микроконтроллера появляются один или несколько импульсов напряжения, которые запускают одновибратор, на выходе D-триггера DD1 установится высокий логический уровень, транзистор откроется и включит светодиод.
| Изм. |
| Лист |
| № докум. |
| Подпись |
| Дата |
| Лист |
| 18 |
| КП-2069965-210302-23-14 |

Рис.2.1. Структурная схема автономного источника дежурного освещения.
В структурную схему устройства входят 5 блоков.
«Блок питания» включает в себя источник питания в 4,5 ~Вольт.
«Блок микроконтроллер» - это управляющее устройство. В данном случае КР140УД1208
В «Блоке схема включения освещения» В состав схемы входит одновибратор на D-триггере, электронный ключ на транзисторе и акустическое в состав которого входит микрофон ВМ1
Блок «Нагрузка» - подключаемое устройство, которое мы запитываем,в частности сверхъяркий светодиод.
2.2. Принципиальная схема автономного источника дежурного освещения с таймером, анализ её работы, назначение отдельных элементов и микросхем.
При выборе пассивных элементов электрической цепи: резисторов, конденсаторов и так далее, будем руководствоваться, в основном, принципом максимальной миниатюризации, так как для проектируемого устройства не требуется резервирования по мощности пассивных элементов, ввиду небольших токов и напряжений в схеме.
В устройстве применены постоянные резисторы ОМЛТ, С2-33, оксидные конденсаторы —
К50-35 или аналогичные импортные, причем конденсатор С2 должен быть с током утечки не более 1 мкА, остальные — К10-17, КМ-6.
Аналоговые элементы – транзисторные ключи, диоды и стабилитроны – выбираем конкретно для каждого узла при детальном проектировании функциональных узлов. Ввиду того, что планируемое энергопотребление проектируемого устройства невелико выберем аналоговые элементы, имеющие наиболее малые размеры, но обладающие достаточным запасом по мощности для данного устройства.
| Изм. |
| Лист |
| № докум. |
| Подпись |
| Дата |
| Лист |
| 19 |
| КП-2069965-210302-23-14 |
Полевой транзистор КП501А, ввиду его малой мощности можно заменить на транзисторы серий КП501, КП504 с любыми буквенными индексами. Диоды — любые серий КД102 КД103, КД503, КД521, КД522
Для питания можно применить гальваническую батарею 3R12G либо батарею из трех последовательно соединенных гальванических элементов или четырех аккумуляторов типоразмера АА или AAA. Ток, потребляемый устройством в дежурном режиме (когда светодиод не светит), составляет 90...220 мкА. Учитывая это, а также ввиду небольших размеров устройства, нам хватит и одного светодиода, но сверхъяркого, а именно - 10G4DHCBB20.
D-триггеры К176ТМ1, К176ТМ2, К561ТМ2 имеют динамические входы и могут работать в счетном режиме, то есть менять свое состояние на противоположное на каждый импульс, приходящий на счетный вход триггера. Триггеры микросхем К561ТР2, К561ТМЗ и 564УМ1 со статическими входами могут работать только в режимах записи и хранения записываемой в них информации. Микросхемы К176ТМ2 и К561ТМ2 содержат по два D-триггера. Установка триггеров в нулевое и единичное состояние производится, как и у JK-триггера, подачей лог. 1 на входы R и S. По спадам тактовых импульсов отрицательной полярности на входе С происходит установка триггера в состояние, соответствующее уровню на входе D перед спадом. Триггер непосредственно не реагирует на изменение сигналов на входе D, играет роль лишь сигнал на этом входе перед спадом импульса отрицательной полярности на входе С. Вход C служит для синхронизации записи логического сигнала поступающего на вход D. Происходит это следующим образом: на вход D подается некий логический уровень. Например, логическая единица. Затем на вход синхронизации подается синхронизирующий импульс. По заднему фронту этого импульса происходит запись сигнала со входа D в триггер. Триггер переходит в единичное состояние. Точно так же, если на вход D триггера ноль подать логический ноль то по спаду синхроимпульса он запишется в триггер
| Изм. |
| Лист |
| № докум. |
| Подпись |
| Дата |
| Лист |
| 20 |
| КП-2069965-210302-23-14 |

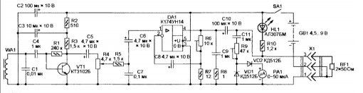
Рис. 2.2.Принципиальная схема источника дежурного освещения.
Устройство работает следующим образом. После включения питания конденсатор СЗ заряжается через резистор R7, и в этот момент высокий логический уровень поступает через диод VD3 на вход R (вывод 10) D-триггера DD1.1 и устанавливает низкий уровень на его выходе (вывод 13). Транзистор VT1 закрыт, и светодиод EL1 обесточен. ОУ DA1 выполняет функцию компаратора, и для получения максимального коэффициента усиления по напряжению включен без обратной связи. Меньшее, по сравнению с R4, сопротивление резистора R5 обеспечивает меньшее напряжение на неинвертирующем входе (вывод 3) ОУ DA1, поэтому на его выходе (выводе 6) установится низкий уровень.
При хлопке в ладони на выходе микрофона ВМ1 появляется переменное напряжение, которое через конденсатор С1 поступает на аноды диодов VD1, VD2, а положительные полуволны через них — на входы ОУ DA1. При этом на инвертирущем входе они сглаживаются конденсатором С2, поэтому на выходе ОУ DA1 появляются один или несколько импульсов напряжения, которые поступают на вход С D-триггера DD1.1. Поскольку на входе D (вывод 11) присутствует высокий уровень, то он "запишется и произойдет запуск одновибратора — на выходе D-триггера DD1.1 установится высокий логический уровень, транзистор VT1 откроется и включит светодиод EL1.
Через резистор R8 начнется зарядка конденсатора С5, а с него напряжение через диод VD4 поступит на вход R D-триггера DD1.1. Когда это напряжение достигнет высокого уровня, триггер возвратится в состояние с низким уровнем на выходе, конденсатор С5 быстро разрядится через диод VD5, транзистор VT1 закроется и светодиод EL1 погаснет. Таким образом, после хлопка в ладони на выходе одновибратора формируется импульс напряжения с длительностью Т, определяемой сопротивлением резистора R8 и емкостью конденсатора С5: Т = 0,7 R8-C5, для указанных на схеме номиналов элементов это — около 120 с. В течение этого импульса светодиод светит, после чего гаснет.
Все детали устройства, кроме батареи, выключателя монтируют на печатной плате из
| Изм. |
| Лист |
| № докум. |
| Подпись |
| Дата |
| Лист |
| 21 |
| КП-2069965-210302-23-14 |
односторонне фольгиро- ванного стеклотекстолита толщиной 1,5-2 мм.
Ее устанавливают в пластмассовый корпус подходящего размера, например, в мыльницу прямоугольной формы. Для установки светодиода в передней панели делают отверстие немного меньше, чем его диаметр, в которое с небольшим усилием его вставляют. Для установки выключателя также делают отверстие, а напротив микрофона — несколько отверстий диаметром 2...3 мм для прохождения акустического сигнала.
Чтобы устройство можно было использовать и в переносном и в стационарном вариантах, в задней части корпуса делают веревочную (проволочную) петлю или отверстия типа "уши" для крепления на мебели или стене. Для снижения акустических помех на нижнюю и заднюю части корпуса желательно приклеить пористую прокладку (поролон) толщиной несколько миллиметров.
В устройстве применены постоянные резисторы ОМЛТ, С2-33, подстроечный — СПЗ-19а, оксидные конденсаторы — К50-35 или аналогичные импортные, причем конденсатор С5 должен быть с током утечки не более 1мкА, остальные — К10-17, КМ-6. ОУ КР140УД1208 можно заменить на К140УД12, диоды — любые серий КД102, КД103, КД503, КД521, КД522, полевой транзистор КП501А заменим на транзисторы серий КП501, КП504 с любыми буквенными индексами. Выключатель SA1 — малогабаритный MTS-102, SMTS-102. Помимо указанного на схеме, можно применить другие сверхъяркие светодиоды, например, OSBG5111A-VW, TTL-500G3VC-2 — зеленого цвета свечения, ARL-5013UWC, ARL-5613UWW, ARL-3214UWC — белого. Микросхемы желательно установить в панели.
Для питания можно применить гальваническую батарею 3R12G либо батарею из трех последовательно соеди ненных гальванических элементов или четырех аккумуляторов типоразмера АА или ААА. Ток, потребляемый устройством в дежурном режиме (когда светодиод не светит), составляет 220 мкА.
Налаживание заключается в установке подстроечным резистором R2 постоянного напряжения на микрофоне в пределах 0,3...1,2 В, изменяя тем самым чувствительность устройства. Ток через светодиод EL1 (не более 80 мА), а значит, и яркость его свече
ния устанавливают изменением сопротивления резистора R9. При необходимости подборкой резистора R5 (620...910 кОм) устанавливают на выходе ОУ DA1 низкий логический уровень.
Для надежной работы устройства входы второго D-триггера (выводы 3—6), входящего в состав микросхемы DD1, соединяют с минусовой линией
2.3. Описание функций микросхемы управления, построение временных диаграмм напряжений на её выводах.
На рис.2.3. показана использованная в данном курсовом проекте микросхема КР140УД1208. Микросхема представляют собой микромощный многофункциональный операционный усилитель с регулируемым потреблением мощности (тока), с внутренней частотной коррекцией и защитой выхода от короткого замыкания; имеют выходы для балансировки с помощью внешнего потенциометра.
| Изм. |
| Лист |
| № докум. |
| Подпись |
| Дата |
| Лист |
| 22 |
| КП-2069965-210302-23-14 |

Рис.2.3. Микроконтроллер КР140УД1208
Основные характеристики микроконтроллера.
Содержит 42 интегральных элемента
Назначение выводов КР140УД1208:
1,5Offset — балансировка; После включения напряжения питания усилитель необходимо отбалансировать. Балансировка позволяет установить на выходе постоянное напряжение, равное нулю, при нулевом постоянном напряжении на входе.
| Изм. |
| Лист |
| № докум. |
| Подпись |
| Дата |
| Лист |
| 23 |
| КП-2069965-210302-23-14 |
· 2 Vin(-) — вход инвертирующий, на выходе мы получим инвертированный сигнал, то есть сдвинутый по фазе на 180 градусов - зеркальный;
· 3 Vin(+) — вход неинвертирующий, на выходе мы получим фазово не измененный сигнал.
· 4 -VEE— минус питания ;
· 6 VOUT— выход;
· 7 +VCC— плюс питания
· 8 Ic— задающий ток.
Допускается работа ИС от двух источников с несимметричными напряжениями Uп1 ≠ Uп2 В этом случае параметры ИС определяются суммарным напряжением питания Uп1 – Uп2 и током делителя Iд.
Допускается работа ИС от одного источника питания.
Типовую схему включения разрешается применять при токах делителя
IД мкА<(250 - Т)/3. При токах делителя Iд = nIдmax< <Iд,ghtl (где n > 1) необходимо включать симметричные резисторы между выводами 1 и 4, 5 и 4 для, КР140УД1208 и выводами 3 и 6, 9 и 6
Сопротивления этих резисторов могут быть уменьшены до нуля, если отсутствует необходимость в балансировке ИС.
Выходное напряжение достигает своего установившегося значения с точностью
± Uсм за время t = 0,5 мс при Iд = 1,5 мкА и t = 0,1 мс при Iд = 15 мкА.
Электрические параметры
· Номинальное напряжение питания ± 15 В
· Максимальное выходное напряжение
при Un = ± 15 В, RH= 75 кОм, UBK = ± 0,1 В> ±10 В
· Диапазон синфазных выходных напряжений
при Un = ± 15 В, RH= 75 кОм ± 10 В
· Напряжение смещения нуля при Un = ± 15 В,
RH= 75 кОм< ±6 мВ
· Входной ток:
при 1 Iд = ± 15 В, RH=75 кОм, Iд = 1,5 мкА< 30 мкА
при Un = ± 15 В, RH= 75 кОм, Iд = 15 мкА < 190 мкА
· Разность входных токов при Un = ±15 В,
RH= 75 кОм< 6 нА
· Ток потребления:
при Un = ±15 В, RH=75 кОм, Iд =1,5 мкА<30 мка
при Un = ± 15 В, RH=75 кОм, Iд =15 мкА < 190 мкА
· Коэффициент усиления напряжения:
| Изм. |
| Лист |
| № докум. |
| Подпись |
| Дата |
| Лист |
| 24 |
| КП-2069965-210302-23-14 |
при Un = ± 15 В, RH =75 кОм, Iд=1,5 мкА >50-103
при Un = ± 3 В, RH=75 кОм> 25 • 103
· Коэффициент ослабления синфазных входных
напряжений при Un-t 15 В, RH = 75 кОм> 70 дБ
· Коэффициент влияния нестабильности источников питания на напряжение смещения нуля при Un = ± 15 В, RH= 75 кОм <200мкВ/В
· Максимальная скорость нарастания выходного напряжения:
при Un = ± 15 В, RH =75 кОм, Iд = 1,5 мкА>0,01 В/мкс
при Un = ± 15 В, RH = 5 кОм, Iд = 15 мкА >0,1 В/мкс
· Средний температурный дрейф напряжения смещения:
при Un = ± 15 В, Iд = 1,5 мкА ±7 мкВ / °С
при Un = ± 3 В, Iд = 15 мкА ±3 мкВ/°С
· Средний температурный дрейф разности входных токов:
при Un~ ± 15 В, Iд = 1,5 мкА ±2,5 нА/°С
при Un= ± 15 В, Iд = 15 мкА ±5нА/°С
Ток короткого замыкания при Un = ± 15 В -8...2А мА
· Входное сопротивление:
при Un± 15 В, Iд = 1,5 мкА 30 МОм
при Un 115 В, Iд = 15 мкА 5 МОм
· Выходное сопротивление:
при Un± 15 В, Iд = 1,5 мкА 15 кОм
при Un = ± 15 В, Iд = 15 мкА 2 кОм
· Частота единичного усиления-
при Un = ± 15 В, RH = 75 кОм, Iд = 15 мкА > 0,01 МГц
при Un~±3 В, RH = 5 кОм, Iд = 15 мкА >0,1 МГц
· Предельно допустимые режимы эксплуатации
Напряжение питания ±(3...16,5) В
В предельном режиме ± (1,5...18) В
· Входное дифференциальное напряжени
| Изм. |
| Лист |
| № докум. |
| Подпись |
| Дата |
| Лист |
| 25 |
| КП-2069965-210302-23-14 |
е ± 20 В
· в предельном режиме ± 30 В
· Входные синфазные напряжения ± 10 В
· в предельном режиме ± 15 В
· Напряжение на каждом входе относительно
общей точки ± 10 В
· в предельном режиме ±15В
· Ток делителя максимальный <150 мкА
· в предельном режиме < 500 мкА
· Рассеиваемая мощность при Т= 70 °С <125 мВт
· Сопротивление нагрузки <5кОм
· Емкость нагрузки <100пФ
· Время короткого замыкания выхода на «землю»
или «питание» . <5с
· Температура окружающей среды - 60°С…+85%

Рис.2.4 Типовая схема включения микросхемы КР140УД1208
| Изм. |
| Лист |
| № докум. |
| Подпись |
| Дата |
| Лист |
| 26 |
| КП-2069965-210302-23-14 |

Рис.2.5. Схема внешней балансировки микросхемы КР140УД1208
Изначально создание маломощных и микромощных операционных усилителей (ОУ) было вызвано необходимостью уменьшить ток потребления устройств, содержавших большое число ОУ. Впоследствии появление портативных изделий с аккумуляторным питанием придало новый импульс развитию подобных ОУ.
Программируемый операционный усилитель КР140УД1208 характеризуется низким током питания и низким эквивалентным входным напряжением шумов по широкому диапазону работы напряжения питания.
В сочетании с программируемыми электрическими характеристиками усилитель может использоваться в аналоговых устройствах с низкой потребляемой мощности. Внутренняя частотная коррекция, высокая скорость нарастания входного напряжения и защита от короткого замыкания, с регулируемым потреблением мощности и током потребления 30..190 мкА, гарантируют простоту использования в интеграторах, активных фильтрах и схемах выборки и хранения. мощность потребления которых не превышает 1,5 мВт при минимально допустимом для них напряжении питания.
ОУ оптимизирован для использования в системах с низким однополярным напряжением питания. Исключительная комбинция характеристик по постоянному и переменному току делает эти ОУ идеальными для использования во многих областях, включая обработку малых сигналов, аудиотехнику и активные фильтры. Кроме того, эти изделия имеют широкий диапазон напряжений питания и высокий коэффициент подавления пульсаций напряжения питания, что делает их привлекательными для использования в схемах с батарейным питанием без дополнительного стабилизатора напряжения
| Изм. |
| Лист |
| № докум. |
| Подпись |
| Дата |
| Лист |
| 27 |
| КП-2069965-210302-23-14 |
Рассмотрим временные диаграммы данной схемы:

Рис.2.6. Сигнал с выхода микрофона.

Рис.2.7. Сигнал на входе 3 микросхемы КР140УД1208
| Изм. |
| Лист |
| № докум. |
| Подпись |
| Дата |
| Лист |
| 28 |
| КП-2069965-210302-23-14 |

Рис.2.8. Постоянное напряжение на входе 2 микросхемы КР140УД1208

Рис 2.9. Импульс на потенциальном входе С D-триггера

Рис 2.10. Импульсы на выходе D-триггера.
