Блокировочные контакты пк-163а, пк-162а
Для обеспечения последовательности включений и работы отдельных аппаратов электропневматические контакторы снабжены блокировочными контактами, которыми производится размыкание и замыкание проводов управления других аппаратов. Блокировочные контакты состоят из ряда неподвижных пальцев (2), соединенных с проводами управления и медных сегментов (1), укрепленных на подвижных электроизоляционных колодках (3).
Вследствие различной конфигурации сегментов и различной их расстановки на колодке могут быть получены разнообразные комбинации соединений между пальцами. Одна из разновидностей конфигурации сегментов и их расположение на подвижной колодке показаны на рис.27

Рис.27 Вариант расположения блокировочных контактов ПК-163А
Давление блокировочных пальцев должно быть 1,0 - 2,5 кГс., рассчитаны на пропуск тока 20-25А.
Блокировочные контакты подразделяются на нормально-замкнутые – размыкающие-
и нормально-разомкнутые –
замыкающие. При включении контактора и замыкании силового контакта, нормально-замкнутые блокировочные контакты - размыкаются, а нормально-разомкнутые блокировочные контакты – замыкаются.
Включение контактора
При подаче питания на катушку электропневматического вентиля включающего типа воздух из магистрали управления поступает через вентиль в полость цилиндра и давит на поршень. Поршень, сжимая пружину, перемещается вверх, перемещаются шток и тяга. Происходит включение силовых контактов и перемещение подвижного контакта относительно неподвижного под действием притирающей пружины. Одновременно происходит переключение блокировочных контактов.
Отключение контактора
При снятии питания с катушки электропневматического вентиля воздух из цилиндра аппарата выходит в атмосферу. Под действием пружины и собственного веса контактор отключается. Одновременно происходит переключение блокировочных контактов. При размыкании силовых контактов возникает электрическая дуга, которая гасится в дугогасительной камере.
Возникновение дуги связано с тем, что в момент размыкания контактов поверхность касания контактов и нажатии их друг на друга, настолько уменьшается, что сопротивления контактов в переходном слое возрастает, что при разрыве тока в этом месте поверхность контактов сильно нагревается. Вследствие наличия горячего катода появляется поток электронов, ионизирующий окружающий воздух и в результате ток не разрывается, а поддерживается через ионизированную среду, которая по линии прохождения тока нагревается до высокой температуры, что способствует дальнейшей ионизации среды.
В качестве дугогасительных устройств для контакторов применяются специальные камеры из огнеупорных материалов, в которых дуга гасится при помощи магнитного дутья.
Принцип гашения дуги при помощи магнитного дутья основан на физическом законе о взаимодействии между током и магнитным потоком.
При отключении контактора между размыкающими контактами появляется электрическая дуга. Вокруг дуги образуется магнитное поле, которое взаимодействует с полем дугогасительной катушки так, что дуга вытесняется из этого поля по направлению к дугогасительным рогам и перекидывается на них. Затем дуга начинает двигаться по дугогасительным рогам до тех пор, пока не произойдет ее разрыв.
Дугу можно рассматривать как проводник, который свободно перемещается в магнитном поле, при этом магнитное поле создается специальными дугогасительными катушками. Направление движения свободного проводника в магнитном поле определяется по правилу левой руки; следовательно, выбором соответствующего направления магнитного потока в дуговом промежутке можно заставить дугу выдуваться в желаемом направлении.
Дугогасительная катушка намотана так, что ток по ней протекает по часовой стрелке; поэтому магнитный поток между полюсами будет направлен из-за плоскости фигуры. Создаваемое вокруг линии тока в дуге дополнительное магнитное поле тока будет взаимодействовать с полем дугогасительной катушки в сторону удлинения и выдувания дуги из камеры.
При перемене направления тока, проходящего через контактор, меняется одновременно и направление магнитного поля гашения и поля дуги, поэтому направление силы, действующей на дугу, не меняется.
Дугогасительные рога у контактора имеют следующие значения;
- защитить от обгорания рабочие контакты;
-удалить возникающее при горении дуги катодное пятно с рабочих контактов, а также, заставив его быстро перемещаться по холодной поверхности рога, тем самым охладить пятно и способствовать уменьшению катодной эмиссии и ионизации воздуха.
Для лучшего гашения дуги дугогасительные камеры выполняются с продольными или поперечными перегородками. Первые из них рассчитаны на то, чтобы расщепить дугу на несколько параллельных пучков, которые вследствие соприкасания с холодными перегородками будут охлаждаться и деонизироваться. Поперечные перегородки предназначаются для увеличения длины дуги при данных размерах камеры.
2.12.2 Ящик с линейными контакторами ЛК-761
В ящике установлено пять контакторов типа ПК-163А (ПК-162А).
Обозначение по схеме : ЛК1, ЛК2, ЛКЗ, ЛК4, ЛК5.
Расположение контакторов в ящике (вид со стороны платформы):
ЛКЗ, ЛК1, ЛК5, ЛК4, ЛК2.
ЛК1, ЛК5 - коммутируют главную цепь.
ЛК2- для соединения групп тяговых двигателей в последовательную цепь.
ЛКЗ- коммутирует 1-ю группу двигателей.
ЛК4- коммутирует 2-ю группу двигателей.
Подключение магистрали со сжатым воздухом осуществляется через орешковый изолятор.
Технические данные:
1. Номинальное напряжение силовой цепи, В - 750;
2. Длительный ток, А - 400;
3. Напряжение цепи управления, В - 75;
4. Номинальный ток цепи управления, А - 20;
5. Минимальное напряжение срабатывания, В - 43;
6. Масса, не более, кг - 247,5;
Технические данные пневматического привода:
1. Диаметр цилиндра , мм - 58;
2. Ход поршня, мм - 24,5;
3. Номинальное давление воздуха, кГс/см2 - 5,0;
4. Минимальное давление воздуха
при срабатывании, кГс/см2 - 3,75.
Технические данные силовых контактов:
1. Ширина контактов, мм - 20;
2. Раствор контактов, мм - 24–27;
3. Притирание контактов, мм - 4-5,5;
4. Нажатие контактов при давл. 5 кГс/см2, кгс - 57-66;
5. Поперечное смещение контактов
относительно друг друга, не более, мм - 1,5;
6. Толщина контакта, измеренная на
расстоянии 16 мм от пятки, не менее, мм - 4,0.
Технические данные блокировочных контактов:
1. Расположение блокировок - переднее;
2. Нажатие пальцев, кГс - 1-2,5;
3. Номинальный ток, А - 25.
Технические данные дугогасительной катушки:
1. Число витков - 4;
2. Сечение , мм - 180;
3. Длительный ток, А - 500.
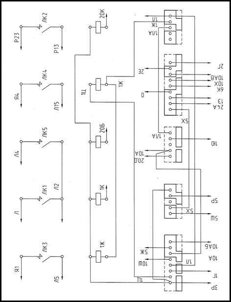
Общий вид ящика с контакторами ПК-163А представлен на рис.28, его монтажная схема представлена на рис.29.
Следует принимать во внимание, что включение и выключение линейных контакторов по различным причинам механического характера, происходит не одновременно и необходимо следить за тем, чтобы эта разница была минимальной. При работе схемы в тормозном режиме, если указанный разброс существует, ток в цепи ТЭД, где контактор отключился, спадает до нуля, а в цепи где контактор задержался даже на время составляющее 50-100 мс, ток успевает возрасти на значительную величину( вплоть до двойной).
Ящик подвешен к раме вагона на изоляторах справа.

Рис.28 Ящик с контакторами ПК-163А
| Рис.29 Электромонтажная схема ящика ЛК-761 |

